• Menu
  • Product
  • Email
  • PDF
  • Order now
  • システム ベース チップ 101 - CAN、CAN FD、LIN SBC 入門ガイド

    • JAJT315A June   2019  – March 2024 TCAN11623-Q1 , TCAN4550-Q1 , TLIN1431-Q1

       

  • CONTENTS
  • SEARCH
  • システム ベース チップ 101 - CAN、CAN FD、LIN SBC 入門ガイド
  1.   1
  2.   2
    1.     3
    2.     まとめ
    3.     その他資料
  3. 重要なお知らせ
search No matches found.
  • Full reading width
    • Full reading width
    • Comfortable reading width
    • Expanded reading width
  • Card for each section
  • Card with all content
Technical Article

システム ベース チップ 101 - CAN、CAN FD、LIN SBC 入門ガイド

最新の英語版をダウンロード

Beatrice Fankem

システム ベース チップ (SBC) の最もシンプルな形態は、コントローラ エリア ネットワーク (CAN) またはローカル相互接続ネットワーク (LIN) のトランシーバをパワー マネージメントの素子と統合した半導体です。パワー マネージメントの素子としては、低ドロップアウト レギュレータ (LDO)、DC/DC コンバータ、あるいはその両方を使用できます。

SBC は素子やトランシーバのフットプリントを低減するのに役立ちます。特に、アプリケーションが追加の電力を必要とする場合やレイアウトに制約がある場合に効果的です。テキサス・インスツルメンの SBC は、システムにおけるエネルギー消費も削減できるため、バッテリ寿命の延長と消費電力の低減に貢献します。

SBC について掘り下げる前に、CAN と LIN のトランシーバについて確認しておきましょう。どちらのトランシーバも、それぞれのテクノロジー向けに、ケーブルによるさまざまなノード間の通信を実現するバス インターフェイスです。トランシーバはプロセッサ A からシングルエンドの情報を受け取り、それを差動信号に変換してケーブルで伝送します。受信トランシーバは差動信号を受け取り、それをシングルエンドに戻してから、さらなる処理のためにプロセッサ B に送信します。

CAN と LIN の基本的なトランシーバは市販されていますが、それらの保護機能を強化しつつ、設計の複雑さ、スペース、コストを低減することが可能です。多くの場合、これらの機能には、バス フォルト保護や静電放電保護に加え、データをプロセッサとの間で 1.8V から 3.3V または 5V の入出力 (V‌IO‌ とも呼ばれる) で送受信できる機能が含まれます。

車載システムや産業システムの設計者は、SBC の高いレベルの統合と信頼性の向上により、CAN または LIN と電圧レギュレータを使用するあらゆるシステムについて、設計の軽量化と低コスト化が可能になります。

SBC は、統合レベルに基づいて主に 3 つのカテゴリに分類されます。

  • 汎用 SBC には、バス インターフェイス (CAN、LIN、またはその両方) に加え、システムの他の部品に電力を供給する出力電圧を備えた LDO が含まれます。このタイプの SBC には、ホストからの機能構成用のシリアル ペリフェラル インターフェイス (SPI) またはピン制御、ベース ウォッチドッグ タイマ、ウェイク ピンも含まれることがあります。
  • ミッドレンジ SBC には、基板のフットプリントをさらに削減する拡張機能が統合されています。これらの機能には、複数の電力素子、ハイサイド スイッチ、複数のウェイク ピン、LIMP ピン、構成可能なウォッチドッグ タイマが含まれます。LIN または CAN のトランシーバを複数搭載するかバス インターフェイスを拡張するオプションを提供して、チャネル拡張をサポートするものもあります。電力素子としては、出力電流が 250mA を超える場合は DC/DC、250mA までであれば LDO を使用できます。
  • アドバンスト SBC は、システム全体のニーズに応じて異なる特別な機能を提供します。たとえば、統合型 CAN コントローラ / トランシーバは、SPI から CAN フレキシブル データ レート (FD) コントローラへの変換 SBC とも呼ばれ、統合型 CAN コントローラを持たないホストや追加の CAN チャネルを必要とするホストと簡単にペアリングできます。
GUID-20240320-SS0I-WMXG-Q7SB-RQJN8BLQZVWP-low.jpg図 1 システム ベース チップ (SBC) のカテゴリ

テキサス・インスツルメンツの SBC のいくつかの例について、それぞれの主な特長と利点を確認してみましょう。

TCAN11623-Q1 の汎用 SBC は CAN FD トランシーバ、ウェイク ピン、3V、70mA の LDO 出力を内蔵しており、TCAN11625-Q1 は 5V、100mA の LDO 出力をサポートしています。外部の小さい負荷には LDO で電力を供給し、ノードについてはウェイク ピンを使用して外付け部品でウェイクアップできます。TCAN11623-Q1 ファミリのデバイスは自己給電機能を備えているため、SBC に電力を供給するための追加の電圧レールが不要です。

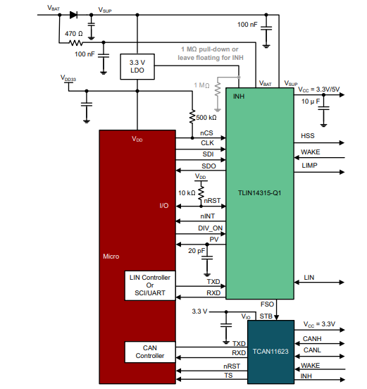
TLIN1431-Q1 のミッドレベル SBC には、LIN トランシーバ、ウォッチドッグ タイマ、ハイサイド スイッチ、ウェイク ピン、125mA の LDO が搭載されています。また、TLIN1431-Q1 はチャネル拡張もサポートしているため、プロセッサから別の汎用入出力を使用せずに、外付けの LIN または CAN FD トランシーバを追加および制御することでシステムを柔軟に拡張できます。図 2 は、TCAN11623-Q1 を含む TLIN1431-Q1 の基本ブロック図です。チャネル拡張機能により、設計者は CAN チャネルを追加し、システムにおける小さい負荷用に別の電源を用意できます。

GUID-20240320-SS0I-QGZ8-W0FV-4SF4MZW1FQMC-low.png図 2 TCAN11623-Q1 へのチャネル拡張を含む TLIN1431-Q1 のブロック図

TCAN4550-Q1 のアドバンスト SBC は、CAN FD コントローラと CAN FD トランシーバの両方を 1 つのパッケージに統合したものです。ローカル ウェイク ピン、ウォッチドッグ タイマ、70mA の LDO 出力を備えています。TCAN4550-Q1 は、CAN インターフェイスを備えていないホストに CAN 通信を追加し、CAN チャネルの追加を可能にします。また、Classical CAN と CAN FD のギャップを埋める役割も果たします。図 3 に、TCAN4550-Q1 の基本的なブロック図と SPI 経由でのホスト プロセッサへの接続を示します。

TCAN4550-Q1 は、1.8V、3.3V、5V をサポートする VIO、ウェイク、インヒビット、通常は利用できないプロセッサ機能をイネーブルにできるタイムアウト ウォッチドッグなどの追加機能を備えています。

GUID-3E1C8DC3-327A-487C-9A81-D91C201D1F10-low.png図 3 TCAN4550-Q1 のブロック図:プロセッサ接続と統合型 LDO

テキサス・インスツルメンツの CAN と LIN の SBC は、基板面積、システム コスト、電力効率が最適化されています。また、テキサス・インスツルメンツでは、設計者が機能安全への準拠を達成し、自動車 OEM メーカーの排出量や製造に関する要件を満たすことができるように、各種ドキュメントを提供しています。

まとめ

バス通信インターフェイスを必要とし、システムの他の部品に電力を供給する必要があるあらゆるシステムにとって、SBC は最適なソリューションとなります。SBC は、トランシーバのタイプ、出力電圧、電流ソースに基づいて、さまざまなオプションが提供されています。テキサス・インスツルメンツでは、車載および産業用アプリケーションの幅広い要件を満たす SBC のアーキテクチャを定義しています。設計者は、それぞれのシステムのニーズに基づいて SBC を構成できます。

SBC は、CAN と LIN の規格を活用して市場のニーズに基づいて進化し、絶えず変化する市場環境のニーズに対応します。

その他資料

  • TCAN4550-Q1 の統合型 LDO の詳細については、『TCAN4550-Q1 の LDO 性能の詳細』を参照してください。
  • 技術記事『ディスクリート SBC:あらゆるアプリケーションに対応する汎用性と拡張性に優れたソリューション』をご覧ください。
  • 技術記事『CAN FD の速度関連以外の利点』をご覧ください。

重要なお知らせと免責事項

TI は、技術データと信頼性データ(データシートを含みます)、設計リソース(リファレンス・デザインを含みます)、アプリケーションや設計に関する各種アドバイス、Web ツール、安全性情報、その他のリソースを、欠陥が存在する可能性のある「現状のまま」提供しており、商品性および特定目的に対する適合性の黙示保証、第三者の知的財産権の非侵害保証を含むいかなる保証も、明示的または黙示的にかかわらず拒否します。

これらのリソースは、TI 製品を使用する設計の経験を積んだ開発者への提供を意図したものです。(1) お客様のアプリケーションに適した TI 製品の選定、(2) お客様のアプリケーションの設計、検証、試験、(3) お客様のアプリケーションが適用される各種規格や、その他のあらゆる安全性、セキュリティ、またはその他の要件を満たしていることを確実にする責任を、お客様のみが単独で負うものとします。上記の各種リソースは、予告なく変更される可能性があります。これらのリソースは、リソースで説明されている TI 製品を使用するアプリケーションの開発の目的でのみ、TI はその使用をお客様に許諾します。これらのリソースに関して、他の目的で複製することや掲載することは禁止されています。TI や第三者の知的財産権のライセンスが付与されている訳ではありません。お客様は、これらのリソースを自身で使用した結果発生するあらゆる申し立て、損害、費用、損失、責任について、TI およびその代理人を完全に補償するものとし、TI は一切の責任を拒否します。

TI の製品は、TI の販売条件(www.tij.co.jp/ja-jp/legal/termsofsale.html)、または ti.com やかかる TI 製品の関連資料などのいずれかを通じて提供する適用可能な条項の下で提供されています。TI がこれらのリソースを提供することは、適用されるTI の保証または他の保証の放棄の拡大や変更を意味するものではありません。IMPORTANT NOTICE

Copyright © 2024, Texas Instruments Incorporated 

日本語版 日本テキサス・インスツルメンツ株式会社

Texas Instruments

© Copyright 1995-2025 Texas Instruments Incorporated. All rights reserved.
Submit documentation feedback | IMPORTANT NOTICE | Trademarks | Privacy policy | Cookie policy | Terms of use | Terms of sale