ZHCSCQ3 August 2014 CSD17577Q5A
PRODUCTION DATA.
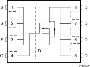
这款 30V,3.5mΩ,SON 5mm × 6mm NexFET™ 功率 MOSFET 被设计成在功率转换应用中以最大程度降低电阻。

| TA = 25°C | 典型值 | 单位 | ||
|---|---|---|---|---|
| VDS | 漏源电压 | 30 | V | |
| Qg | 栅极电荷总量 (4.5V) | 13 | nC | |
| Qgd | 栅漏栅极电荷 | 2.8 | nC | |
| RDS(on) | 漏源导通电阻 | VGS = 4.5V | 4.8 | mΩ |
| VGS = 10V | 3.5 | mΩ | ||
| VGS(th) | 阀值电压 | 1.4 | V | |
| 器件 | 数量 | 介质 | 封装 | 出货 |
|---|---|---|---|---|
| CSD17577Q5A | 2500 | 13 英寸卷带 | SON 5mm x 6mm 塑料封装 | 卷带封装 |
| CSD17577Q5AT | 250 | 7 英寸卷带 |
| TA = 25°C | 值 | 单位 | |
|---|---|---|---|
| VDS | 漏源电压 | 30 | V |
| VGS | 栅源电压 | ±20 | V |
| ID | 持续漏极电流(受封装限制) | 60 | A |
| 持续漏极电流(受芯片限制),TC = 25°C 时测得 | 83 | ||
| 持续漏极电流 (1) | 22 | ||
| IDM | 脉冲漏极电流 (2) | 280 | A |
| PD | 功率耗散(1) | 3 | W |
| 功率耗散,TC = 25°C | 53 | ||
| TJ, Tstg |
运行结温和 储存温度范围 |
-55 至 150 | °C |
| EAS | 雪崩能量,单脉冲 ID = 28,L = 0.1mH,RG = 25Ω |
39 | mJ |
RDS(on) 与 VGS 间的关系![]() |
栅极电荷![]() |