SWCS132 August 2015
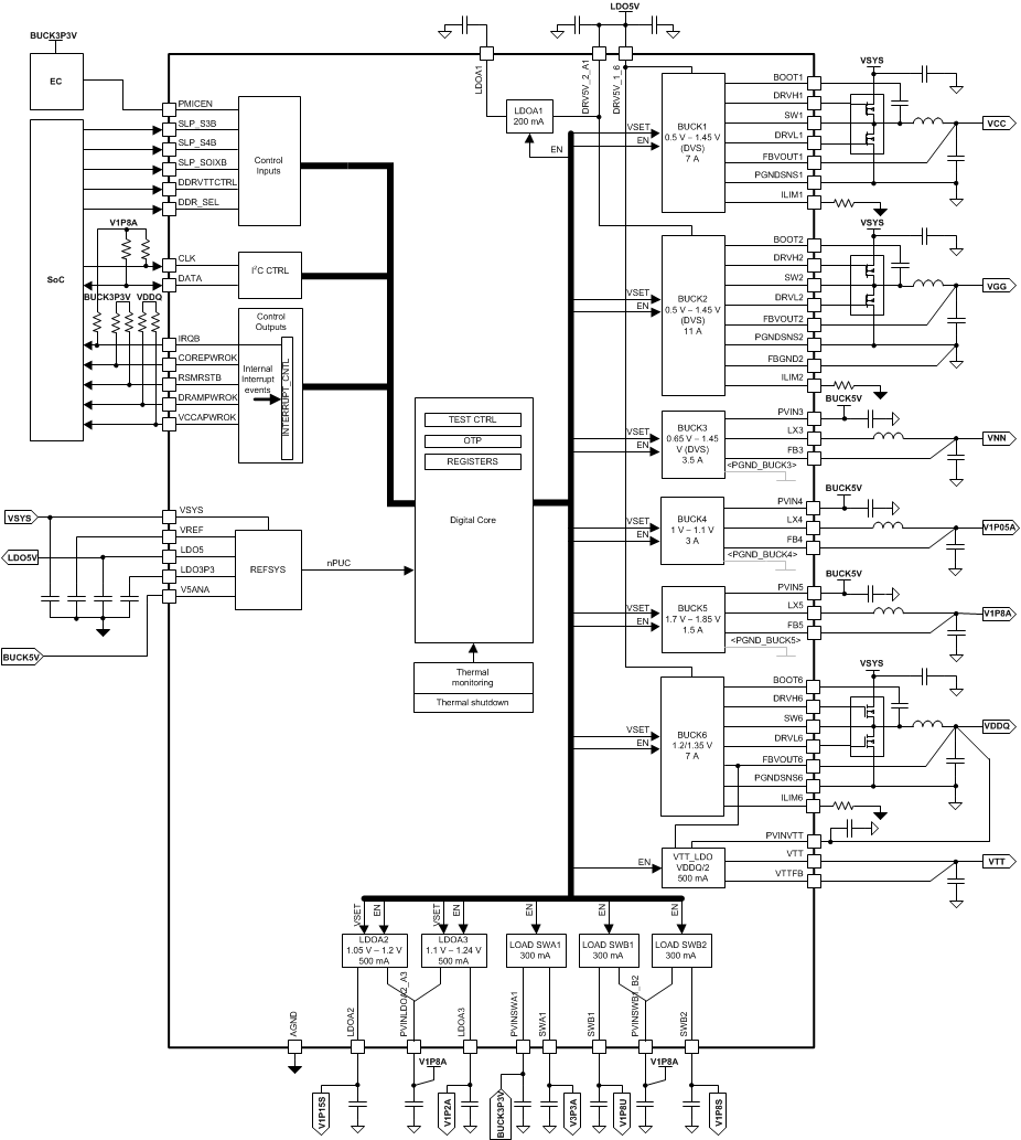
The TPS650842 device is a single-chip solution, power-management IC designed specifically for the latest Intel™ processors targeted for tablets, ultrabooks, and notebooks with NVDC or non-NVDC power architectures, using 2S, 3S, or 4S Li-Ion battery packs. The TPS650842 device is used for essential systems with low-voltage rails merged for the smallest footprint and lowest-cost system-power solution. The TPS650842 device provides the complete power solution based on the Intel Reference Designs. Six highly efficient step-down voltage regulators (VRs), a sink or source LDO (VTT), two LDOs, and three load switches are controlled by power-up sequence logic to provide the proper power rails, sequencing, and protection—including DDR3 and DDR4 memory power. The three regulators (BUCK1–BUCK3) support dynamic voltage scaling (DVS) for maximum efficiency—including support for Connected Standby. The high-frequency VRs use small inductors and capacitors to achieve a small solution size. An I2C interface allows simple control by an embedded controller (EC) or by a system on chip (SoC). The PMIC comes in an 8-mm × 8-mm single-row QFN package with a thermal pad for good thermal dissipation and ease of board routing.
Use the following email address to request the full version of this data sheet: ipgmkt@list.ti.com.
| PART NUMBER | PACKAGE | BODY SIZE (NOM) |
|---|---|---|
| TPS650842 | RSK (64) | 8.00 mm × 8.00 mm |
