SLVSAM2E November   2011  – May 2017 TPS62160 , TPS62161 , TPS62162 , TPS62163

PRODUCTION DATA.  

  1. Features
  2. Applications
  3. Description
  4. Revision History
  5. Device Voltage Options
  6. Pin Configuration and Functions
  7. Specifications
    1. 7.1 Absolute Maximum Ratings
    2. 7.2 ESD Ratings
    3. 7.3 Recommended Operating Conditions
    4. 7.4 Thermal Information
    5. 7.5 Electrical Characteristics
    6. 7.6 Typical Characteristics
  8. Detailed Description
    1. 8.1 Overview
    2. 8.2 Functional Block Diagrams
    3. 8.3 Feature Description
      1. 8.3.1 Enable and Shutdown (EN)
      2. 8.3.2 Current Limit and Short Circuit Protection
      3. 8.3.3 Power Good (PG)
      4. 8.3.4 Undervoltage Lockout (UVLO)
      5. 8.3.5 Thermal Shutdown
    4. 8.4 Device Functional Modes
      1. 8.4.1 Soft Start
      2. 8.4.2 Pulse Width Modulation (PWM) Operation
      3. 8.4.3 Power Save Mode Operation
      4. 8.4.4 100% Duty-Cycle Operation
  9. Application and Implementation
    1. 9.1 Application Information
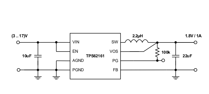
    2. 9.2 Typical Application
      1. 9.2.1 Design Requirements
      2. 9.2.2 Detailed Design Procedure
        1. 9.2.2.1 Custom Design with WEBENCH® Tools
        2. 9.2.2.2 Programming the Output Voltage
        3. 9.2.2.3 External Component Selection
        4. 9.2.2.4 Inductor Selection
        5. 9.2.2.5 Capacitor Selection
          1. 9.2.2.5.1 Output Capacitor
          2. 9.2.2.5.2 Input Capacitor
        6. 9.2.2.6 Output Filter and Loop Stability
        7. 9.2.2.7 TPS6216x Components List
      3. 9.2.3 Application Curves
    3. 9.3 System Examples
      1. 9.3.1 1-A Power Supply
      2. 9.3.2 Inverting Power Supply
  10. 10Power Supply Recommendations
  11. 11Layout
    1. 11.1 Layout Guidelines
    2. 11.2 Layout Example
    3. 11.3 Thermal Considerations
  12. 12Device and Documentation Support
    1. 12.1 Custom Design With WEBENCH® Tools
    2. 12.2 Device Support
      1. 12.2.1 Third-Party Products Disclaimer
    3. 12.3 Documentation Support
      1. 12.3.1 Related Documentation
    4. 12.4 Related Links
    5. 12.5 Community Resources
    6. 12.6 Trademarks
    7. 12.7 Electrostatic Discharge Caution
    8. 12.8 Glossary
  13. 13Mechanical, Packaging, and Orderable Information

Package Options

Mechanical Data (Package|Pins)
Thermal pad, mechanical data (Package|Pins)
Orderable Information

Features

  • DCS-Control™ Topology
  • Input Voltage Range from 3 V to 17 V
  • Up to 1-A Output Current
  • Adjustable Output Voltage From 0.9 V to 6 V
  • Fixed Output Voltage Versions
  • Seamless Power Save Mode Transition
  • Typically 17-µA Quiescent Current
  • Power Good Output
  • 100% Duty Cycle Mode
  • Short Circuit Protection
  • Over Temperature Protection
  • Pin to Pin Compatible With TPS62170 and TPS62125
  • Available in 3.00 mm x 3.00 mm 8-Pin VSSOP and 2.00 mm × 2.00 mm 8-Pin WSON Packages
  • Create a Custom Design using the TPS62160 with the WEBENCH® Power Designer

Applications

  • Standard 12-V Rail Supplies
  • POL Supply From Single or Multiple Li-Ion Battery
  • LDO Replacement
  • Embedded Systems
  • Digital Still Camera, Video
  • Mobile PCs, Tablet-PCs, Modems

Description

The TPS6216x device family are easy to use synchronous step-down DC/DC converters optimized for applications with high power density. A high switching frequency of typically 2.25 MHz allows the use of small inductors and provides fast transient response as well as high output voltage accuracy by utilization of the DCS-Control™ topology.

With its wide operating input voltage range of 3 V to 17 V, the devices are ideally suited for systems powered from either a Li-Ion or other battery as well as from 12-V intermediate power rails. It supports up to 1-A continuous output current at output voltages between 0.9 V and 6 V (with 100% duty cycle mode).

Power sequencing is also possible by configuring the enable and open-drain power good pins.

In power save mode, the devices show quiescent current of about 17 μA from VIN. Power save mode, entered automatically and seamlessly if the load is small, maintains high efficiency over the entire load range. In shutdown mode, the device is turned off and shutdown current consumption is less than 2 μA.

The device, available in adjustable and fixed output voltage versions, is packaged in an 8-pin WSON package measuring 2.00 mm × 2.00 mm (DSG) or 8-pin VSSOP package measuring 3.00 mm x 3.00 mm (DGK).

Device Information(1)

PART NUMBER PACKAGE BODY SIZE (NOM)
TPS6216x WSON (8) 2.00 mm x 2.00 mm
TPS62160 VSSOP (8) 3.00 mm x 3.00 mm
  1. For all available packages, see the orderable addendum at the end of the datasheet.

Typical Application Schematic

TPS62160 TPS62161 TPS62162 TPS62163 SLVSAM2_simple.gif

Efficiency vs Output Current

TPS62160 TPS62161 TPS62162 TPS62163 SLVSAM2_eff3.3V_lin.gif