SGLS228C December   2003  – September 2015 TPS3805H33-Q1

PRODUCTION DATA.  

  1. Features
  2. Applications
  3. Description
  4. Revision History
  5. Device Comparison Table
  6. Pin Configuration and Functions
  7. Specifications
    1. 7.1 Absolute Maximum Ratings
    2. 7.2 ESD Ratings
    3. 7.3 Recommended Operating Conditions
    4. 7.4 Thermal Information
    5. 7.5 Electrical Characteristics
    6. 7.6 Timing Requirements
    7. 7.7 Switching Characteristics
    8. 7.8 Dissipation Ratings
    9. 7.9 Typical Characteristics
  8. Detailed Description
    1. 8.1 Overview
    2. 8.2 Functional Block Diagrams
    3. 8.3 Feature Description
      1. 8.3.1 VDD and SENSE Monitoring
      2. 8.3.2 Transient Immunity
    4. 8.4 Device Functional Modes
  9. Application and Implementation
    1. 9.1 Application Information
    2. 9.2 Typical Applications
      1. 9.2.1 TPS3803G15-Q1
        1. 9.2.1.1 Design Requirements
        2. 9.2.1.2 Detailed Design Procedure
        3. 9.2.1.3 Application Curves
      2. 9.2.2 TPS3803-01-Q1
        1. 9.2.2.1 Design Requirements
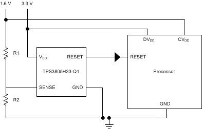
      3. 9.2.3 TPS3805H33-Q1
        1. 9.2.3.1 Design Requirements
  10. 10Power Supply Recommendations
  11. 11Layout
    1. 11.1 Layout Guidelines
    2. 11.2 Layout Examples
  12. 12Device and Documentation Support
    1. 12.1 Device Support
      1. 12.1.1 Device Nomenclature
    2. 12.2 Related Links
    3. 12.3 Community Resources
    4. 12.4 Trademarks
    5. 12.5 Electrostatic Discharge Caution
    6. 12.6 Glossary
  13. 13Mechanical, Packaging, and Orderable Information

Package Options

Refer to the PDF data sheet for device specific package drawings

Mechanical Data (Package|Pins)
  • DCK|5
Thermal pad, mechanical data (Package|Pins)
Orderable Information

1 Features

  • Qualified for Automotive Applications
  • Single Voltage Detector (TPS3803): Adjustable and 1.5 V
  • Dual Voltage Detector (TPS3805): Adjustable and 3.3 V
  • High ±1.5% Threshold Voltage Accuracy
  • Supply Current: 3 μA Typical at VDD = 3.3 V
  • Push/Pull Reset Output (TPS3805),
    Open-Drain Reset Output (TPS3803)
  • Temperature Range: –40°C to 125°C
  • 5-Pin SC-70 Package

2 Applications

  • Applications Using DSPs, Microcontrollers, or Microprocessors
  • Advanced Driver Assistance Systems
  • Automotive Infotainment
  • Automotive Cluster

3 Description

The TPS3803-Q1 and TPS3805-Q1 families of supervisory circuits provide circuit initialization and timing supervision, primarily for DSPs and processor-based systems.

The TPS3803G15-Q1 device has a fixed-sense threshold voltage VIT set by an internal voltage divider, whereas the TPS3803-01-Q1 has an adjustable SENSE input that can be configured by two external resistors. In addition to the fixed sense threshold monitored at VDD, the TPS3805-Q1 devices provide a second adjustable SENSE input. RESET is asserted in case either of the two voltages drops below VIT.

During power on, RESET is asserted when supply voltage VDD becomes higher than 0.8 V. Thereafter, the supervisory circuit monitors VDD (and/or SENSE) and keeps RESET active as long as VDD or SENSE remains below the threshold voltage VIT. As soon as VDD (SENSE) rises above the threshold voltage VIT, RESET is deasserted again. The product spectrum is designed for 1.5-V, 3.3-V, and adjustable supply voltages.

The devices are available in a 5-pin SC-70 package. The TPS3803-Q1 and TPS3805-Q1 devices are characterized for operation over a temperature range of –40°C to 125°C.

Device Information(1)

PART NUMBER PACKAGE BODY SIZE (NOM)
TPS3803-01-Q1 SC-70 (5) 2.00 mm × 1.25 mm
TPS3803G15-Q1
TPS3805H33-Q1
  1. For all available packages, see the orderable addendum at the end of the data sheet.

Typical Application Schematic

TPS3803-01-Q1 TPS3803G15-Q1 TPS3805H33-Q1 typ_op_cx_gls228.gif