SLVSBG0E August   2012  – April 2016 TPD4E101

PRODUCTION DATA.  

  1. Features
  2. Applications
  3. Description
  4. Revision History
  5. Pin Configuration and Functions
  6. Specifications
    1. 6.1 Absolute Maximum Ratings
    2. 6.2 ESD Ratings
    3. 6.3 Recommended Operating Conditions
    4. 6.4 Thermal Information
    5. 6.5 Electrical Characteristics
    6. 6.6 Typical Characteristics
  7. Detailed Description
    1. 7.1 Overview
    2. 7.2 Functional Block Diagram
    3. 7.3 Feature Description
    4. 7.4 Device Functional Modes
  8. Application and Implementation
    1. 8.1 Application Information
    2. 8.2 Typical Application
      1. 8.2.1 Design Requirements
      2. 8.2.2 Detailed Design Procedure
      3. 8.2.3 Application Curves
  9. Power Supply Recommendations
  10. 10Layout
    1. 10.1 Layout Guidelines
    2. 10.2 Layout Example
  11. 11Device and Documentation Support
    1. 11.1 Documentation Support
      1. 11.1.1 Related Documentation
    2. 11.2 Community Resources
    3. 11.3 Trademarks
    4. 11.4 Electrostatic Discharge Caution
    5. 11.5 Glossary
  12. 12Mechanical, Packaging, and Orderable Information

Package Options

Mechanical Data (Package|Pins)
Thermal pad, mechanical data (Package|Pins)
Orderable Information

1 Features

  • Provides System-Level ESD Protection for Low-Voltage I/O Interface
  • IEC 61000-4-2 Level 4 ESD Protection
    • ±15-kV Contact Discharge
    • ±15-kV Air-Gap Discharge
  • IEC 61000-4-5 (Surge): 3 A (8/20 µs)
  • I/O Capacitance 4.8 pF (Typical)
  • Dynamic Resistance 0.45 Ω (Typical)
  • DC Breakdown Voltage ±6 V (Minimum)
  • Ultra-Low Leakage Current 100 nA (Maximum) Overtemperature
  • 10-V Clamping Voltage (Maximum at IPP = 1 A)
  • Industrial Temperature Range: –40°C to +125°C
  • Space Saving DPW package (0.8-mm × 0.8-mm)

2 Applications

  • End Equipment:
    • Cell Phones
    • Portable Media Players
    • Wearables
    • Set-Top Boxes
    • eBooks
  • Interfaces:
    • SIM Card Interfaces
    • Audio Lines
    • SD Interfaces
    • Push-Buttons

3 Description

The TPD4E101 device is a four-channel electrostatic discharge (ESD) transient voltage suppression (TVS) diode array in an ultra small 0.8-mm × 0.8-mm package. This TVS protection device offers ±15-kV contact ESD, ±15-kV IEC air-gap protection, and has four back-to-back TVS diodes for bipolar or bidirectional signal support. The 4.8-pF typical line capacitance of this ESD protection diode array is suitable for a wide range of applications supporting data rates up to 700 Mbps. The DPW package is convenient for component placement in space-constrained applications and the 0.48-mm pitch helps save on PCB manufacturing costs.

Typical applications of this ESD protection device are circuit protection for SIM cards, audio lines (microphones, earphones, and speakerphones), SD interfaces and pushbuttons. This ESD clamp is good for providing protection in end-equipment like cell phones, portable media players, wearables, set-top boxes, and eBooks.

Device Information(1)

PART NUMBER PACKAGE BODY SIZE (NOM)
TPD4E101 X2SON (4) 0.80 mm × 0.80 mm
  1. For all available packages, see the orderable addendum at the end of the data sheet.

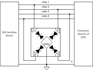
Typical Application Schematic

TPD4E101 TPD4E101_FP.gif