SLVSCZ9A October   2015  – November 2015 TLC59581 , TLC59582

PRODUCTION DATA.  

  1. Features
  2. Applications
  3. Description
  4. Revision History
  5. Description (continued)
  6. Pin Configuration and Functions
  7. Specifications
    1. 7.1 Absolute Maximum Ratings
    2. 7.2 ESD Ratings
    3. 7.3 Recommended Operating Conditions
    4. 7.4 Thermal Information
    5. 7.5 Electrical Characteristics
    6. 7.6 Typical Characteristics
  8. Parameter Measurement Information
    1. 8.1 Pin Equivalent Input and Output Schematic Diagrams
      1. 8.1.1 Test Circuits
    2. 8.2 Timing Diagrams
  9. Detailed Description
    1. 9.1 Overview
    2. 9.2 Functional Block Diagram
    3. 9.3 Device Functional Modes
      1. 9.3.1  Brightness Control (BC) Function
      2. 9.3.2  Color Brightness Control (CC) Function
      3. 9.3.3  Select RIREF For a Given BC
      4. 9.3.4  Choosing BC/CC For a Different Application
        1. 9.3.4.1 Example 1: Red LED Current is 20 mA, Green LED Needs 12 mA, Blue LED needs 8 mA
        2. 9.3.4.2 Example 2: Red LED Current is 5 mA, Green LED Needs 2 mA, Blue LED Needs 1 mA.
      5. 9.3.5  LED Open Detection (LOD)
      6. 9.3.6  Internal Circuit for Caterpillar Removal
      7. 9.3.7  Power Save Mode (PSM)
      8. 9.3.8  Internal Pre-Charge FET
      9. 9.3.9  Thermal Shutdown (TSD)
      10. 9.3.10 IREF Resistor Short Protection (ISP)
  10. 10Application and Implementation
  11. 11Power Supply Recommendations
  12. 12Layout
    1. 12.1 Layout Guidelines
    2. 12.2 Layout Example
  13. 13Device and Documentation Support
    1. 13.1 Documentation Support
      1. 13.1.1 Related Documentation
    2. 13.2 Related Links
    3. 13.3 Community Resources
    4. 13.4 Trademarks
    5. 13.5 Electrostatic Discharge Caution
    6. 13.6 Glossary
  14. 14Mechanical, Packaging, and Orderable Information

Package Options

Mechanical Data (Package|Pins)
Thermal pad, mechanical data (Package|Pins)
Orderable Information

1 Features

  • 48 Constant-Current Sink Output Channels
  • Sink Current Capability with Max BC/CC data:
    • 25 mA at 5 VCC
    • 20 mA at 3.3 VCC
  • Global Brightness Control (BC): 3-Bit (8-Step)
  • Color Brightness Control (CC) for Each Color
    Group: 9-Bit (512-Step), Three Groups
  • LED Power Supply Voltage Up To 10 V
  • VCC = 3.0 V to 5.5 V
  • Constant Current Accuracy
    • Channel-to-Channel = ±1%(Typ), ±3%(Max)
    • Device-to-Device = ±1%(Typ), ±2%(Max)
  • Data Transfer Rate: 25 MHz
  • Gray Scale Clock: 33 MHz
  • Pre-Charge FET to Avoid Ghosting Phenomenon
  • Enhanced Circuit for Caterpillar Cancelling
  • Low-Grayscale Enhancement
  • LED Open Detection (LOD)
  • Thermal Shut Down (TSD)
  • Operating Temperature: –40°C to 85°C

2 Applications

  • LED Video Displays with Multiplexing System
  • LED Signboards with Multiplexing system
  • High Refresh Rate & High Density LED Panel

3 Description

The TLC59581/82are 48-channel constant-current sink drivers. Each channel has an individually-adjustable, 65536-step, pulse width modulation (PWM) grayscale (GS) brightness control.

The TLC59581 can support 32-multiplexing while TLC59582 can support 16-multiplexing.

The output channels are divided into three groups. Each group has a 512-step color brightness control (CC). CC adjusts brightness control between colors. The maximum current value of all 48 channels can be set by 8-step global brightness control (BC). BC adjusts brightness deviation between LED drivers. GS, CC and BC data are accessible through a serial interface port.

See application note Build High Density, High Refresh Rate, Multiplexing LED Panel with TLC59581, SLVA744.

Device Information(1)

PART NUMBER PACKAGE BODY SIZE (NOM)
TLC59581 VQFN (56) 8.00 mm × 8.00 mm
TLC59582
  1. For all available packages, see the orderable addendum at the end of the data sheet.

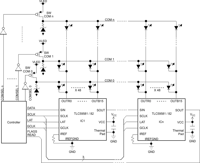
Typical Application Schematic (Multiple Daisy-Chained TLC59581/82)

TLC59581 TLC59582 FP_typapp_SLVSCZ9.gif