SLVSCE7A May   2014  – September 2014 TLC5958

PRODUCTION DATA.  

  1. Features
  2. Applications
  3. Description
  4. Typical Application Circuit (Multiple Daisy-Chained TLC5958s)
  5. Revision History
  6. Description (Continued)
  7. Pin Configuration and Functions
  8. Specifications
    1. 8.1 Absolute Maximum Ratings
    2. 8.2 Handling Ratings
    3. 8.3 Recommended Operating Conditions
    4. 8.4 Thermal Information
    5. 8.5 Electrical Characteristics
    6. 8.6 Typical Characteristics
  9. Parameter Measurement Information
    1. 9.1 Pin Equivalent Input and Output Schematic Diagrams
      1. 9.1.1 Test Circuits
    2. 9.2 Timing Diagrams
  10. 10Detailed Description
    1. 10.1 Overview
    2. 10.2 Functional Block Diagram
    3. 10.3 Device Functional Modes
      1. 10.3.1  Brightness Control (BC) Function
      2. 10.3.2  Color Brightness Control (CC) Function
      3. 10.3.3  Select RIREF For a Given BC
      4. 10.3.4  Choosing BC/CC For a Different Application
        1. 10.3.4.1 Example 1: Red LED Current is 20mA, Green LED Needs 12mA, Blue LED needs 8mA
        2. 10.3.4.2 Example 2: Red LED Current is 5mA, Green LED Needs 2mA, Blue LED Needs 1mA.
      5. 10.3.5  LED Open Detection (LOD)
      6. 10.3.6  Power Save Mode (PSM)
      7. 10.3.7  Internal Pre-Charge FET
      8. 10.3.8  Thermal Shutdown (TSD)
      9. 10.3.9  IREF Resistor Short Protection (ISP)
      10. 10.3.10 Noise Reduction
  11. 11Application and Implementation
  12. 12Power Supply Recommendations
  13. 13Layout
    1. 13.1 Layout Guidelines
    2. 13.2 Layout Example
  14. 14Device and Documentation Support
    1. 14.1 Trademarks
    2. 14.2 Electrostatic Discharge Caution
    3. 14.3 Glossary
  15. 15Mechanical, Packaging, and Orderable Information

Package Options

Mechanical Data (Package|Pins)
Thermal pad, mechanical data (Package|Pins)
Orderable Information

1 Features

  • 48 Channels Constant Current Sink Output
  • Sink Current Capability with Max BC/CC data:
    • 25mA at 5VCC
    • 20mA at 3.3VCC
  • Global Brightness Control (BC) : 3-Bit (8 Step)
  • Color Brightness Control (CC) for Each Color Group:
    9-Bit (512 Step), Three Groups
  • Grayscale(GS) Control with Multiplexed Enhanced Spectrum(ES) PWM: 16bit
  • 48K bit Grayscale Data Memory Support 32-multiplexing
  • LED Power Supply Voltage Up To 10V
  • Vcc = 3.0V to 5.5V
  • Constant Current Accuracy
    • Channel to Channel = ±1%(Typ), ±3%(Max)
    • Device to Device = ±1%(Typ), ±2%(Max)
  • Data Transfer Rate: 25MHz
  • Gray Scale Clock: 33MHz
  • LED Open Detection (LOD)
  • Thermal Shut Down (TSD)
  • IREF Resistor Short Protection (ISP)
  • Power-Save Mode (PSM) with high speed recovery
  • Delay Switching to Prevent Inrush Current
  • Pre-charge FET to Avoid Ghosting Phenomenon
  • Operating Temperature : –40°C to +85°C

2 Applications

  • LED Video Displays with Multiplexing System
  • LED Signboards with Multiplexing system
  • High Refresh Rate & High density LED Panel

3 Description

The TLC5958 is a 48 channels constant-current sink driver for multiplexing system with 1 to 32 duty ratio. Each channel has an individually-adjustable, 65536-step, pulse width modulation (PWM) grayscale (GS).

48K bit display memory is implemented to increase the visual refresh rate and to decrease the GS data writing frequency.

The output channels are grouped into three groups, each group has 16 channels. Each group has a 512-step color brightness control (CC) function. The maximum current value of all 48 channels can be set by 8-step global brightness control (BC) function. CC and BC can be used to adjust the brightness deviation between LED drivers. GS, CC, and BC data are accessible via a serial interface port.

Send request via email for Application Note: Build High Density, High Refresh Rate, Multiplexing LED Panel with TLC5958.

Device Information(1)

PART NUMBER PACKAGE BODY SIZE (NOM)
TLC5958 VQFN (56) 8.00 mm × 8.00 mm
  1. For all available packages, see the orderable addendum at the end of the datasheet.

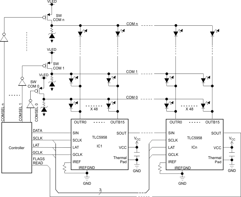
4 Typical Application Circuit (Multiple Daisy-Chained TLC5958s)

typapp_slvsce7.gif