SLLSEO3 July   2015 SN65HVD63

PRODUCTION DATA.  

  1. Features
  2. Applications
  3. Description
  4. Revision History
  5. Device Comparison Table
  6. Pin Configuration and Functions
  7. Specifications
    1. 7.1 Absolute Maximum Ratings
    2. 7.2 ESD Ratings
    3. 7.3 Recommended Operating Conditions
    4. 7.4 Thermal Information
    5. 7.5 Electrical Characteristics
    6. 7.6 Switching Characteristics
    7. 7.7 Typical Characteristics
  8. Parameter Measurement Information
  9. Detailed Description
    1. 9.1 Overview
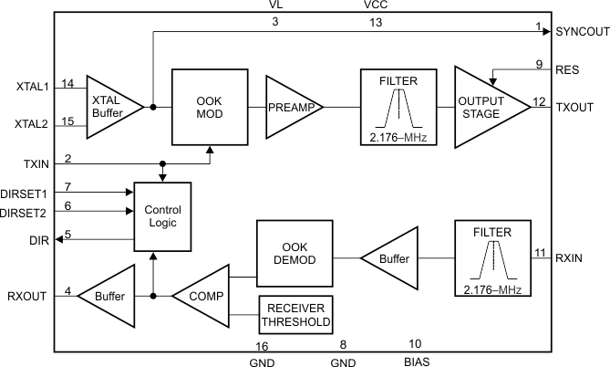
    2. 9.2 Functional Block Diagram
    3. 9.3 Feature Description
      1. 9.3.1 Coaxial Interface
      2. 9.3.2 Reference Input
      3. 9.3.3 RS-485 Direction Control
    4. 9.4 Device Functional Modes
  10. 10Application and Implementation
    1. 10.1 Application Information
      1. 10.1.1 Driver Amplitude Adjust
      2. 10.1.2 Direction Control
      3. 10.1.3 Direction Control Time Constant
      4. 10.1.4 Conversion Between dBm and Peak-to-Peak Voltage
    2. 10.2 Typical Application
      1. 10.2.1 Design Requirements
      2. 10.2.2 Detailed Design Procedure
      3. 10.2.3 Application Curve
  11. 11Power Supply Recommendations
  12. 12Layout
    1. 12.1 Layout Guidelines
    2. 12.2 Layout Example
  13. 13Device and Documentation Support
    1. 13.1 Related Documentation
    2. 13.2 Community Resources
    3. 13.3 Trademarks
    4. 13.4 Electrostatic Discharge Caution
    5. 13.5 Glossary
  14. 14Mechanical, Packaging, and Orderable Information

Package Options

Mechanical Data (Package|Pins)
Thermal pad, mechanical data (Package|Pins)
Orderable Information

1 Features

  • 3-V to 5.5-V Supply Range
  • 1.6-V to 5.5-V Independent Logic Supply
  • –15-dBm to +5-dBm Wide-Input Dynamic Range
    for Receiver
  • 0-dBm to 6-dBm Adjustable Power
    Delivered by the Driver to the Coax
  • AISG® V2.0-Compliant Output Emission Profile
    Also Conforms to Proposed AISG V3.0 Specifications
  • Low-Power Standby Mode
  • Direction Control Output
    for RS-485 Bus Arbitration
  • Up to 115 kbps of Signaling Support
  • 2.176-MHz Center Frequency
    for Integrated Active Bandpass Filter
  • 3-mm × 3-mm 16-Pin VQFN Package

2 Applications

  • AISG – Interface for Antenna Line Devices
  • Tower-Mounted Amplifiers (TMA)
  • General Modem Interfaces

3 Description

The SN65HVD63 transceiver modulates and demodulates signals between a logic (baseband) interface and a frequency suitable for long coaxial media, to facilitate wired data transfer among radio equipment.

The SN65HVD63 device is an integrated AISG transceiver designed to meet the requirements of the upcoming Antenna Interface Standards Group v3.0 specification.

The SN65HVD63 receiver integrates an active bandpass filter to enable demodulation of signals even in the presence of spurious frequency components. The filter has a 2.176-MHz center frequency.

The transmitter supports adjustable output power levels from 0 dBm to 6 dBm delivered to the 50-Ω coax cable. The SN65HVD63 transmitter is compliant with the spectrum emission requirement provided by the AISG standard.

A direction control output facilitates bus arbitration for an RS-485 interface. This device integrates an oscillator input for a crystal, and also accepts standard clock inputs to the oscillator.

Device Information(1)

PART NUMBER PACKAGE BODY SIZE (NOM)
SN65HVD63 VQFN (16) 3.00 mm × 3.00 mm
  1. For all available packages, see the orderable addendum at the end of the data sheet.

Block Diagram

SN65HVD63 app_cir_FP_sllseo3.gif