SBOS197F December   2001  – August 2015 OPA657

PRODUCTION DATA.  

  1. Features
  2. Applications
  3. Description
  4. Revision History
  5. Related Operational Amplifier Products
  6. Pin Configuration and Functions
  7. Specifications
    1. 7.1 Absolute Maximum Ratings
    2. 7.2 ESD Ratings
    3. 7.3 Recommended Operating Conditions
    4. 7.4 Thermal Information
    5. 7.5 Electrical Characteristics: VS = ±5 V
    6. 7.6 Electrical Characteristics: VS - ±5 V, High-Grade DC Specifications
    7. 7.7 Typical Characteristics: VS = ±5 V
  8. Detailed Description
    1. 8.1 Overview
    2. 8.2 Feature Description
      1. 8.2.1 Input and ESD Protection
    3. 8.3 Device Functional Modes
      1. 8.3.1 Split-Supply Operation (±4-V to ±6-V)
      2. 8.3.2 Single-Supply Operation (8-V to 12-V)
  9. Application and Implementation
    1. 9.1 Application Information
      1. 9.1.1 Wideband, Noninverting Operation
      2. 9.1.2 Wideband, Inverting Gain Operation
      3. 9.1.3 Low-Gain Compensation
      4. 9.1.4 Operating Suggestions
        1. 9.1.4.1 Setting Resistor Values to Minimize Noise
        2. 9.1.4.2 Frequency Response Control
        3. 9.1.4.3 Driving Capacitive Loads
        4. 9.1.4.4 Distortion Performance
        5. 9.1.4.5 DC Accuracy and Offset Control
    2. 9.2 Typical Application
      1. 9.2.1 Design Requirements
      2. 9.2.2 Detailed Design Procedure
      3. 9.2.3 Application Curves
  10. 10Power Supply Recommendations
  11. 11Layout
    1. 11.1 Layout Guidelines
      1. 11.1.1 Demonstration Fixtures
    2. 11.2 Layout Example
    3. 11.3 Thermal Considerations
  12. 12Device and Documentation Support
    1. 12.1 Community Resources
    2. 12.2 Trademarks
    3. 12.3 Electrostatic Discharge Caution
    4. 12.4 Glossary
  13. 13Mechanical, Packaging, and Orderable Information

Package Options

Mechanical Data (Package|Pins)
Thermal pad, mechanical data (Package|Pins)
Orderable Information

1 Features

  • High Gain Bandwidth Product: 1.6 GHz
  • High Bandwidth 275 MHz (G = 10)
  • Slew Rate 700 V/µs (G = 10, 1-V Step)
  • Available in High Grade With Improved DC Specifications
  • Operating Temperature Range: –40°C to 85°C
  • Low-Input Offset Voltage: ±250 µV
  • Low-Input Bias Current: 2 pA
  • Low-Input Voltage Noise: 4.8 nV/√Hz
  • High-Output Current: 70 mA
  • Fast Overdrive Recovery

2 Applications

  • Wideband Photodiode Amplifier
  • Wafer Scanning Equipment
  • ADC Input Amplifier
  • Test and Measurement Front End
  • High Gain Precision Amplifier
  • Optical Time Domain Reflectometry (OTDR)

3 Description

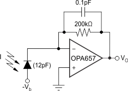
The OPA657 device combines a high-gain bandwidth, low-distortion, voltage-feedback operational amplifier with a low-voltage noise JFET-input stage to offer a very high dynamic range amplifier for high-precision ADC (analog-to-digital converter) driving or wideband transimpedance applications. Photodiode applications see improved noise and bandwidth using this decompensated, high-gain bandwidth amplifier.

Very low level signals can be significantly amplified in a single OPA657 gain stage with exceptional bandwidth and accuracy. Having a high 1.6-GHz gain bandwidth product gives greater than 10-MHz signal bandwidths up to gains of 160 V/V (44 dB). The very low input bias current and capacitance supports this performance even for relatively high source impedances.

Broadband photodetector applications benefit from the low-voltage noise JFET inputs for the OPA657. The JFET input contributes virtually no current noise while for broadband applications, a low voltage noise is also required. The low 4.8 nV/√Hz input voltage noise provides exceptional input sensitivity for higher bandwidth applications. The example shown below gives a total equivalent input noise current of 1.8 pA/√Hz over a 10-MHz bandwidth.

Device Information(1)

PART NUMBER PACKAGE BODY SIZE (NOM)
OPA657 SOT-23 (5) 2.90 mm × 1.60 mm
SOIC (8) 4.90 mm × 3.91 mm
  1. For all available packages, see the orderable addendum at the end of the data sheet.

Frequency Response of 200-kΩ Transimpedance Amplifier

OPA657 pg1_tc_bos197.gif

Wideband Photodiode Transimpedance Amplifier

OPA657 pg1_cir_bos197.gif