SNVSA43B August   2014  – September 2017 LM43600

PRODUCTION DATA.  

  1. Features
  2. Applications
  3. Description
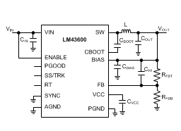
  4. Simplified Schematic
  5. Revision History
  6. Pin Configuration and Functions
  7. Specifications
    1. 7.1 Absolute Maximum Ratings
    2. 7.2 ESD Ratings
    3. 7.3 Recommended Operating Conditions
    4. 7.4 Thermal Information
    5. 7.5 Electrical Characteristics
    6. 7.6 Timing Requirements
    7. 7.7 Switching Characteristics
    8. 7.8 Typical Characteristics
  8. Detailed Description
    1. 8.1 Overview
    2. 8.2 Functional Block Diagram
    3. 8.3 Feature Description
      1. 8.3.1  Fixed Frequency Peak Current Mode Controlled Step-Down Regulator
      2. 8.3.2  Light Load Operation
      3. 8.3.3  Adjustable Output Voltage
      4. 8.3.4  Enable (ENABLE)
      5. 8.3.5  VCC, UVLO and BIAS
      6. 8.3.6  Soft Start and Voltage Tracking (SS/TRK)
      7. 8.3.7  Switching Frequency (RT) and Synchronization (SYNC)
      8. 8.3.8  Minimum ON-Time, Minimum OFF-Time and Frequency Foldback at Dropout Conditions
      9. 8.3.9  Internal Compensation and CFF
      10. 8.3.10 Bootstrap Voltage (BOOT)
      11. 8.3.11 Power Good (PGOOD)
      12. 8.3.12 Overcurrent and Short-Circuit Protection
      13. 8.3.13 Thermal Shutdown
    4. 8.4 Device Functional Modes
      1. 8.4.1 Shutdown Mode
      2. 8.4.2 Stand-by Mode
      3. 8.4.3 Active Mode
      4. 8.4.4 CCM Mode
      5. 8.4.5 Light Load Operation
      6. 8.4.6 Self-Bias Mode
  9. Applications and Implementation
    1. 9.1 Application Information
    2. 9.2 Typical Applications
      1. 9.2.1 Design Requirements
      2. 9.2.2 Detailed Design Procedure
        1. 9.2.2.1  Custom Design With WEBENCH® Tools
        2. 9.2.2.2  Output Voltage Setpoint
        3. 9.2.2.3  Switching Frequency
        4. 9.2.2.4  Input Capacitors
        5. 9.2.2.5  Inductor Selection
        6. 9.2.2.6  Output Capacitor Selection
        7. 9.2.2.7  Feedforward Capacitor
        8. 9.2.2.8  Bootstrap Capacitors
        9. 9.2.2.9  VCC Capacitor
        10. 9.2.2.10 BIAS Capacitors
        11. 9.2.2.11 Soft-Start Capacitors
        12. 9.2.2.12 Undervoltage Lockout Setpoint
        13. 9.2.2.13 PGOOD
      3. 9.2.3 Application Performance Curves
  10. 10Power Supply Recommendations
  11. 11Layout
    1. 11.1 Layout Guidelines
      1. 11.1.1 Compact Layout for EMI Reduction
      2. 11.1.2 Ground Plane and Thermal Considerations
      3. 11.1.3 Feedback Resistors
    2. 11.2 Layout Example
  12. 12Device and Documentation Support
    1. 12.1 Development Support
      1. 12.1.1 Custom Design With WEBENCH® Tools
    2. 12.2 Receiving Notification of Documentation Updates
    3. 12.3 Community Resources
    4. 12.4 Trademarks
    5. 12.5 Electrostatic Discharge Caution
    6. 12.6 Glossary
  13. 13Mechanical, Packaging, and Orderable Information

Package Options

Mechanical Data (Package|Pins)
Thermal pad, mechanical data (Package|Pins)
Orderable Information

Features

  • 33-µA Quiescent Current in Regulation
  • High Efficiency at Light Load (DCM and PFM)
  • Meets EN55022/CISPR 22 EMI standards
  • Integrated Synchronous Rectification
  • Adjustable Frequency Range: 200 kHz to 2.2 MHz (500 kHz default)
  • Frequency Synchronization to External Clock
  • Internal Compensation
  • Stable with Almost Any Combination of Ceramic, Polymer, Tantalum, and Aluminum Capacitors
  • Power-Good Flag
  • Soft Start into Pre-Biased Load
  • Internal Soft Start: 4.1 ms
  • Extendable Soft-Start Time by External Capacitor
  • Output Voltage Tracking Capability
  • Precision Enable to Program System UVLO
  • Output Short-Circuit Protection with Hiccup Mode
  • Overtemperature Thermal Shutdown Protection
  • Create a Custom Design Using the LM43600 With the WEBENCH® Power Designer

Applications

  • Industrial Power Supplies
  • Telecommunications Systems
  • Sub-AM Band Automotive
  • General Purpose Wide VIN Regulation
  • High Efficiency Point-Of-Load Regulation

Description

The LM43600 regulator is an easy-to-use synchronous step-down DC-DC converter capable of driving up to 0.5 A of load current from an input voltage ranging from 3.5 V to 36 V (42 V transient). The LM43600 provides exceptional efficiency, output accuracy and drop-out voltage in a very small solution size. An extended family is available in 1-A, 2-A and 3-A load current options in pin-to-pin compatible packages. Peak current mode control is employed to achieve simple control loop compensation and cycle-by-cycle current limiting. Optional features such as programmable switching frequency, synchronization, power-good flag, precision enable, internal soft start, extendable soft start, and tracking provide a flexible and easy-to-use platform for a wide range of applications. Discontinuous conduction and automatic frequency modulation at light loads improve light load efficiency. The family requires few external components and pin arrangement allows simple, optimum PCB layout. Protection features include thermal shutdown, VCC undervoltage lockout, cycle-by-cycle current limit, and output short-circuit protection. The LM43600 device is available in the 16-pin HTSSOP (PWP) leaded package (6.6 mm × 5.1 mm × 1.2 mm) with 0.65-mm lead pitch. Pin-to-pin compatible with LM46000, LM46001, LM46002, LM43601, LM43602, and LM43603 devices.

Device Information(1)

PART NUMBER PACKAGE BODY SIZE (NOM)
LM43600 HTSSOP (16) 6.60 mm × 5.10 mm
  1. For all available packages, see the orderable addendum at the end of the data sheet.

Simplified Schematic

LM43600 Sch_frontpage.gif

Radiated Emission Graph
with VIN = 12 V, VOUT = 3.3 V, FSW= 500 kHz, IOUT = 0.5 A

LM43600 lm43600-3p3-500k_radiated.gif