JAJSD82S April   1999  – November 2016 SN74LVC1G80

PRODUCTION DATA.  

  1. 特長
  2. アプリケーション
  3. 概要
  4. 改訂履歴
  5. Pin Configuration and Functions
  6. Specifications
    1. 6.1  Absolute Maximum Ratings
    2. 6.2  ESD Ratings
    3. 6.3  Recommended Operating Conditions
    4. 6.4  Thermal Information
    5. 6.5  Electrical Characteristics
    6. 6.6  Timing Requirements: TA = -40°C to +85°C
    7. 6.7  Timing Requirements: TA = -40°C to +125°C
    8. 6.8  Switching Characteristics: TA = -40°C to +85°C, CL = 15 pF
    9. 6.9  Switching Characteristics: TA = -40°C to +85°C, CL = 30 pF or 50 pF
    10. 6.10 Switching Characteristics: TA = -40°C to +125°C, CL = 30 pF or 50 pF
    11. 6.11 Operating Characteristics
    12. 6.12 Typical Characteristics
  7. Parameter Measurement Information
  8. Detailed Description
    1. 8.1 Overview
    2. 8.2 Functional Block Diagram
    3. 8.3 Feature Description
      1. 8.3.1 Balanced High-Drive CMOS Push-Pull Outputs
      2. 8.3.2 Standard CMOS Inputs
      3. 8.3.3 Clamp Diodes
      4. 8.3.4 Partial Power Down (Ioff)
      5. 8.3.5 Over-Voltage Tolerant Inputs
    4. 8.4 Device Functional Modes
  9. Application and Implementation
    1. 9.1 Application Information
    2. 9.2 Typical Application
      1. 9.2.1 Design Requirements
      2. 9.2.2 Detailed Design Procedure
      3. 9.2.3 Application Curve
  10. 10Power Supply Recommendations
  11. 11Layout
    1. 11.1 Layout Guidelines
    2. 11.2 Layout Example
  12. 12デバイスおよびドキュメントのサポート
    1. 12.1 ドキュメントのサポート
      1. 12.1.1 関連資料
    2. 12.2 ドキュメントの更新通知を受け取る方法
    3. 12.3 コミュニティ・リソース
    4. 12.4 商標
    5. 12.5 静電気放電に関する注意事項
    6. 12.6 Glossary
  13. 13メカニカル、パッケージ、および注文情報

パッケージ・オプション

デバイスごとのパッケージ図は、PDF版データシートをご参照ください。

メカニカル・データ(パッケージ|ピン)
  • DBV|5
  • DCK|5
  • YZP|5
サーマルパッド・メカニカル・データ
発注情報

特長

  • テキサス・インスツルメンツの
    NanoFree™パッケージで供給
  • JESD 78, Class II準拠で100mA超のラッチアップ性能
  • JESD 22を超えるESD保護
    • 2000V、人体モデル(A114-A)
    • 200V、マシン・モデル(A115-A)
    • 1000V、荷電デバイス・モデル(C101)
  • 5V VCC動作をサポート
  • 5.5Vまでの入力電圧に対応
  • VCCへの降圧変換をサポート
  • 4.2nsの最大tpd (3.3 V)
  • 低消費電力、最大ICC 10µA
  • 3.3Vにおいて±24mAの出力駆動能力
  • Ioffにより部分的パワーダウン・モードおよびバック・ドライブ保護をサポート
  • JESD 78, Class II準拠で100mA超のラッチアップ性能

アプリケーション

  • 試験および測定機器
  • エンタープライズ・スイッチング
  • 通信インフラ
  • 個人用電子機器
  • 白物家電

概要

SN74LVC1G80デバイスはシングル正エッジ・トリガ、Dタイプ・フリップ・フロップで、1.65V~5.5VのVCCで動作するよう設計されています。

データ(D)入力のデータがセットアップ時間の要件と合致すると、クロック・パルスが正に変化するエッジで、データがQ出力へ転送されます。クロックのトリガは電圧レベルで発生し、クロック・パルスの立ち上がり時間とは直接関係しません。ホールド時間のインターバルの後で、出力のレベルに影響を及ぼすことなく、D入力のデータを変化させることができます。

NanoFree™パッケージ技術はICパッケージの概念における主要なブレークスルーであり、ダイをパッケージとして使用します。

このデバイスは、Ioffを使用する部分的パワーダウン・アプリケーション用に完全に動作が規定されています。Ioff回路は、デバイスの電源がオフになったとき、出力をディセーブルします。これによってデバイスへの電流の逆流が抑止され、デバイスが損傷から保護されます。

製品情報(1)

型番 パッケージ 本体サイズ(公称)
SN74LVC1G80DBV SOT-23 (5) 2.90mm×1.60mm
SN74LVC1G80DCK SC70 (5) 2.00mm×1.25mm
SN74LVC1G80YZP DSBGA (5) 1.41mm×0.91mm
  1. 利用可能なすべてのパッケージについては、このデータシートの末尾にある注文情報を参照してください。

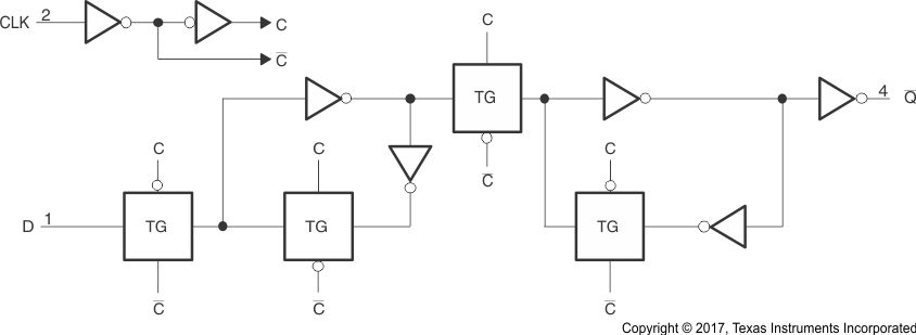
ロジック図 (正論理)

SN74LVC1G80 LD_CES221.gif
TG - 伝送ゲート