• Menu
  • Product
  • Email
  • PDF
  • Order now
  • GaN to the Rescue! Part 1: Body-diode Reverse Recovery

    • SSZTC00 October   2015 CSD18563Q5A , LMG5200 , TPS40170

       

  • CONTENTS
  • SEARCH
  • GaN to the Rescue! Part 1: Body-diode Reverse Recovery
  1.   1
  2.   2
    1.     3
    2.     Reverse Recovery – What Is It?
    3.     Additional Resources:
  3. IMPORTANT NOTICE
search No matches found.
  • Full reading width
    • Full reading width
    • Comfortable reading width
    • Expanded reading width
  • Card for each section
  • Card with all content
Technical Article

GaN to the Rescue! Part 1: Body-diode Reverse Recovery

Steve Widener

As power engineers, we can recall our first exposure to the idealized buck and boost power stages. Remember how the voltage and current waveforms were nice and simple (Figure 1), and how it was easy to calculate average values and determine the transfer functions relating inputs and outputs?

GUID-797502FF-B4B6-4984-84E2-0CB15E0418C1-low.png Figure 1 The Idealized Buck and Boost Power Stages: These Look Great!

As we learned more about implementing converters with practical components, the waveforms got a lot more complicated. One particular no ideality that continues to plague switching converters is the reverse recovery of the MOSFET body diode used in synchronous buck or boost converters. Gallium nitride- GaN- devices do not exhibit the reverse-recovery characteristic, and thus avoid the losses and other associated problems. With my LMG5200 EVM and a comparative silicon FET-based TPS40170EVM-597, I’ll set out to measure reverse recovery in a 24V to 5V / 4A power converter.

Reverse Recovery – What Is It?

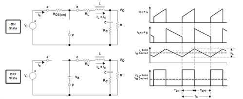
Reverse recovery in a diode is the flow of reverse current (the wrong way!) through the diode as reverse voltage is applied across the terminals (see Figure 2). There is stored charge in the diode that must recombine before the diode can block reverse voltage. This recombination is a function of temperature, forward current, Ifwd, di/dt of the current and other factors.

GUID-AA4ECA74-C8F1-497F-A1F5-31FD217D660F-low.png Figure 2 Reverse Recovery Current Waveforms

Recovered charge, Qrr, is split into two components: Qa before recovery and Qb after recovery – where the diode starts supporting reverse voltage – see Figure 3. You may see soft recovery where the Qb is about the same as Qa so that -di/dt is slow, or you may see “snappy” diodes where Qb is very small and -di/dt is very high. With high -di/dt (due to a diode snapping off), the parasitic inductances in the bridge power loop respond by dumping their stored energy into the parasitic-node capacitances; voltage ringing occurs due to the second-order response. This is one good reason to place the input power-stage bypass capacitors close to the input stage. With less inductance in the loop for a snappy recovery, there is less energy to cause voltage ringing with the parasitic capacitances.

GUID-316956EA-AE85-4BFD-B702-8431105FDDEF-low.png Figure 3 Recovered Charge

I account for reverse recovery loss in the conventional way: I take Qrr as specified in the data sheet and multiply by the frequency and input voltage (for a buck converter) or output voltage (for a boost converter). Diode or MOSFET data sheets typically specify a reverse-recovery time and a reverse-recovery charge. For instance, the CSD18563Q5A specifies a reverse recovery time, trr, of 49ns and a Qrr of 63nC. Equation 1 calculates the first-order estimate of the loss due to Qrr for a 300kHz, 24V-> 5V buck converter as:

Qrr Loss ~24V * 300kHz * 63nC = 454mW                               (1)

Be warned! The Qrr is typically specified at 25°C for a particular Ifwd and di/dt. The actual Qrr could double (or more) at elevated junction temperatures such as 125°C. The di/dt and initial current both have an impact (higher or lower). For snappy diodes, most of this power is dissipated in the upper switch. For soft-recovery diodes, the power splits between the upper switch and the body diode. I use twice the 25°C losses as a better estimate for recovery-related losses if the di/dt and Ifwd conditions are similar to my application.

So how do you plan for those losses? What is the real peak current due to reverse recovery in the actual circuit? You might be tempted to use a SPICE tool to simulate the recovery, but I have not seen good models for diode recovery in the SPICE community. Figure 4 shows the results of a TINA-TI™ simulation that I modified from the TPS40170 product folder of our 24V/5V buck converter, showing the switch-node voltage (SW) and current in the top switch (load current plus reverse-recovery current and switch-node capacitance current sensed with a 10mΩ shunt).

GUID-8E9B7BFF-9DDA-4310-9433-12D547451FFD-low.png Figure 4 TINA-TI™ Simulation: TPS540170

Notice the ~5A peak ripple current and 5A peak reverse recovery plus the switch-node capacitance charging current. I ran the simulation and increased the temperature from 27°C to 125°C – the peak recovery current didn’t increase – and it didn’t seem that SPICE was correctly modeling the recovery.

In part 2 of this series, I’ll detail a method for measuring reverse recovery in an actual circuit and then compare a standard MOSFET-based synchronous buck converter to the new LMG5200.

Additional Resources:

  • Get to know the user-friendly interface of the LMG5200
  • Learn to use the LMG5200 with the GaN Half-Bridge Power Stage EVM User’s Guide
  • Explore more GaN blogs

IMPORTANT NOTICE AND DISCLAIMER

TI PROVIDES TECHNICAL AND RELIABILITY DATA (INCLUDING DATASHEETS), DESIGN RESOURCES (INCLUDING REFERENCE DESIGNS), APPLICATION OR OTHER DESIGN ADVICE, WEB TOOLS, SAFETY INFORMATION, AND OTHER RESOURCES “AS IS” AND WITH ALL FAULTS, AND DISCLAIMS ALL WARRANTIES, EXPRESS AND IMPLIED, INCLUDING WITHOUT LIMITATION ANY IMPLIED WARRANTIES OF MERCHANTABILITY, FITNESS FOR A PARTICULAR PURPOSE OR NON-INFRINGEMENT OF THIRD PARTY INTELLECTUAL PROPERTY RIGHTS.

These resources are intended for skilled developers designing with TI products. You are solely responsible for (1) selecting the appropriate TI products for your application, (2) designing, validating and testing your application, and (3) ensuring your application meets applicable standards, and any other safety, security, or other requirements. These resources are subject to change without notice. TI grants you permission to use these resources only for development of an application that uses the TI products described in the resource. Other reproduction and display of these resources is prohibited. No license is granted to any other TI intellectual property right or to any third party intellectual property right. TI disclaims responsibility for, and you will fully indemnify TI and its representatives against, any claims, damages, costs, losses, and liabilities arising out of your use of these resources.

TI’s products are provided subject to TI’s Terms of Sale (www.ti.com/legal/termsofsale.html) or other applicable terms available either on ti.com or provided in conjunction with such TI products. TI’s provision of these resources does not expand or otherwise alter TI’s applicable warranties or warranty disclaimers for TI products.

Mailing Address: Texas Instruments, Post Office Box 655303, Dallas, Texas 75265 

Copyright © 2023, Texas Instruments Incorporated

Texas Instruments

© Copyright 1995-2025 Texas Instruments Incorporated. All rights reserved.
Submit documentation feedback | IMPORTANT NOTICE | Trademarks | Privacy policy | Cookie policy | Terms of use | Terms of sale