• Menu
  • Product
  • Email
  • PDF
  • Order now
  • Get Connected: How to Operate Your RS-485 Links without Termination

    • SSZTBA4 may   2016 SN65HVD72 , SN65HVD75

       

  • CONTENTS
  • SEARCH
  • Get Connected: How to Operate Your RS-485 Links without Termination
  1.   1
  2.   2
    1.     3
    2.     Additional Resources
  3. IMPORTANT NOTICE
search No matches found.
  • Full reading width
    • Full reading width
    • Comfortable reading width
    • Expanded reading width
  • Card for each section
  • Card with all content
Technical Article

Get Connected: How to Operate Your RS-485 Links without Termination

Michael Peffers

GUID-6930D259-7C6C-42E6-9643-36C23F8E7689-low.jpg

Welcome back to the “Get Connected” blog series on Analog Wire. In my previous post, I explored protecting your differential bus against system-level transients using a transient voltage suppressor (TVS) diode and pulse-proof resistors. In this post, I’ll take a look at the pros and cons of operating a RS-485 link without any termination on the bus.

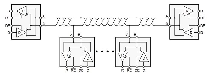
Before diving into the topic of an unterminated RS-485 bus, let’s review the basics of traditional RS-485. The Telecommunications Industry Association/Electronic Industries Alliance (TIA/EIA)-485-A is a balanced data-transmission standard for serial communication. RS-485 provides robust serial data transmission at moderate data rates over long distances in multipoint communication applications. Traditionally, an RS-485 bus is connected in a daisy-chain fashion, supports up to 32 nodes on a single bus, has a 60Ω characteristic bus impedance and is terminated with a 120Ω resistor at each end of the network to match the characteristic impedance of the bus. Figure 1 shows a traditional half-duplex RS-485 bus topology.

GUID-FA8C6752-A535-4AAA-A7B9-263444CFB720-low.jpg Figure 1 Traditional Half-duplex RS-485 Bus Topology

Installing termination in the proper locations can be troublesome in applications like building automation, where you may not know the two farthest nodes. Additionally, the technician performing the installation may not have a clear understanding of termination, why it is important, or how unterminated stubs can lead to signal-integrity issues that cause network downtime.

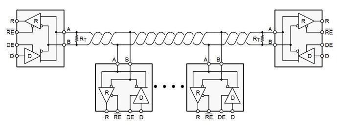
The workaround for a problem like this is not to train all of the technicians in the world in the finer points of RS-485, but rather to eliminate the termination. Figure 2 shows an unterminated half-duplex RS-485 bus topology.

GUID-0C31804F-BBAD-4285-9627-1B3CBB60FD36-low.jpg Figure 2 Unterminated Half-duplex RS-485 Bus Topology

At this point, you may be asking how an RS-485 bus can operate successfully without termination. The answer is in the driver stage of the RS-485 transceiver. An RS-485 transceiver employs a full H-bridge output structure that is designed to drive a minimum of 1.5V differentially across a 54Ω load. The bus voltages for RS-485 are typically VOH = 3.5V and VOL = 1.5V, with a common-mode voltage (VCM) of 2.5V. This does vary from device to device, which is why these values are stated as typical.

When there is no termination present on the bus, the output stage of the transceiver still switches normally with the incoming data on the driver. But instead of swinging from the typical VOH and VOL, the output will swing full rail (from VCC to GND) minus a diode drop. The design of the output stage includes the diode for reverse-current protection on the device.

Nothing is free, though, and there is a drawback to eliminating termination on the RS-485 bus. When termination is removed, the entire bus acts essentially as a giant stub, causing bandwidth limitation in the design. Stubs on a bus cause reflections – and reflections cause signal-integrity issues that lead to data-communication errors. How long a stub can be in a design is not dependent on data rate, but rather the transition time from high to low and vice versa.

You can calculate the maximum stub length achievable in a design using Equation Figure 3:

GUID-EDBE4AD8-650A-4982-8326-9E50B9261373-low.jpg Figure 3 (1)

Where v is signal velocity of the cable as a factor of c (typically 78% for copper) and c is the speed of light. From Equation Figure 3, you can see that the slower the transition time of the RS-485 transceiver, the longer the stub can be.

To illustrate the above point, I used the SN65HVD72 with a typical rise time (tr) of 700ns and the SN65HVD75 with a tr of 7ns. I tested both devices at 250kbps on a short bus (~8 inches) with a 10-foot stub. The 10-foot stub dominants the performance of this test case. Figure 4 depicts a visual representation of the topology used for this test case. Figure 5 and Figure 6 below show the results from the SN65HVD72 and SN65HVD75 test case respectively.

GUID-1D5F0E0C-3F69-4983-BA43-6A096A4ECDB7-low.jpg Figure 4 Unterminated Bus Topology
GUID-A30B1600-F648-4308-9806-C1F74A0B0D9C-low.jpg Figure 5 SN65HVD72 Output Bus Waveform
GUID-0035BEFD-DA05-4F29-BBDF-6E9C3684640D-low.jpg Figure 6 SN65HVD75 Output Bus Waveform

From this test data, you can conclude that with careful selection of the RS-485 device, you can eliminate the termination resistors from some buses, and thus remove the need to know the farthest reaches of the bus. This takes the guesswork out of installation for technicians and ultimately accelerates the implementation of the end customer solution. Results will vary from design to design, as the type of bus topology (star network, cluster network design, or linear daisy chain) will play a factor in system performance.

Leave a comment below if you’d like to hear more about anything discussed in this post, or if there is an interface topic you’d like to see in the future. You can also subscribe to Analog Wire to receive an email notification upon the publication of the next post.

Additional Resources

  • Get online support in the TI E2E™ Community Interface forum.
  • Learn more about RS-485 tools and software.
  • Read more posts in the “Get Connected” series.

IMPORTANT NOTICE AND DISCLAIMER

TI PROVIDES TECHNICAL AND RELIABILITY DATA (INCLUDING DATASHEETS), DESIGN RESOURCES (INCLUDING REFERENCE DESIGNS), APPLICATION OR OTHER DESIGN ADVICE, WEB TOOLS, SAFETY INFORMATION, AND OTHER RESOURCES “AS IS” AND WITH ALL FAULTS, AND DISCLAIMS ALL WARRANTIES, EXPRESS AND IMPLIED, INCLUDING WITHOUT LIMITATION ANY IMPLIED WARRANTIES OF MERCHANTABILITY, FITNESS FOR A PARTICULAR PURPOSE OR NON-INFRINGEMENT OF THIRD PARTY INTELLECTUAL PROPERTY RIGHTS.

These resources are intended for skilled developers designing with TI products. You are solely responsible for (1) selecting the appropriate TI products for your application, (2) designing, validating and testing your application, and (3) ensuring your application meets applicable standards, and any other safety, security, or other requirements. These resources are subject to change without notice. TI grants you permission to use these resources only for development of an application that uses the TI products described in the resource. Other reproduction and display of these resources is prohibited. No license is granted to any other TI intellectual property right or to any third party intellectual property right. TI disclaims responsibility for, and you will fully indemnify TI and its representatives against, any claims, damages, costs, losses, and liabilities arising out of your use of these resources.

TI’s products are provided subject to TI’s Terms of Sale (www.ti.com/legal/termsofsale.html) or other applicable terms available either on ti.com or provided in conjunction with such TI products. TI’s provision of these resources does not expand or otherwise alter TI’s applicable warranties or warranty disclaimers for TI products.

Mailing Address: Texas Instruments, Post Office Box 655303, Dallas, Texas 75265 

Copyright © 2023, Texas Instruments Incorporated

Texas Instruments

© Copyright 1995-2025 Texas Instruments Incorporated. All rights reserved.
Submit documentation feedback | IMPORTANT NOTICE | Trademarks | Privacy policy | Cookie policy | Terms of use | Terms of sale