• Menu
  • Product
  • Email
  • PDF
  • Order now
  • Four Tips to Debug a Boost Converter

    • SSZTAK6 november   2016 TPS61253 , TPS61258

       

  • CONTENTS
  • SEARCH
  • Four Tips to Debug a Boost Converter
  1.   1
  2.   2
    1.     3
    2.     Check the Problem in Another Board
    3.     Check the Schematic and Components Selection
    4.     Check the Layout
    5.     Check the Operating Waveform
    6.     Record the Debugging Data and Contact Support
    7.     More Suggestions
  3. IMPORTANT NOTICE
search No matches found.
  • Full reading width
    • Full reading width
    • Comfortable reading width
    • Expanded reading width
  • Card for each section
  • Card with all content
Technical Article

Four Tips to Debug a Boost Converter

Jasper Li

The most efficient way to solve a problem with a converter such as failure to startup, output voltage unstable, etc. is to do some basic debugging. Basic debugging would rule out some obvious problems, like fault assembling or the wrong components and, the debugging data can help support engineers of TI to find the root cause quickly.  In this blog post, we will talk about tips for debugging a boost converter.

Check the Problem in Another Board

If you observe a problem in one boost converter board, your first action should be to confirm the behavior in another board. If only one board behaves abnormally, the problem may be caused by bad soldering or damage to the IC.

The soldering problem can happen when either the IC or its external components are soldered on. There are two kinds of bad soldering. One occurs if the adjacent pins short together; the other occurs if a pin and its pad aren’t soldered well. Measure the resistance between the adjacent pins to rule out the former problem, and measure the internal diode to rule out the latter problem.

Figure 1 shows the internal diode between the GND pin and the other pins in the IC. You can use a multimeter to test this diode and check for a soldering problem. The multimeter will show approximately 0.7V if the soldering is good. For some special pins, there may be two diodes in series instead of one. In those cases, the multimeter will show 1.4V.

GUID-846EB8E2-BCAD-41A8-9D3A-23F6D39B67E7-low.png Figure 1 Diode Between VIN and GND Pin

You can check for IC damage by measuring the resistance between the GND pin and any other pins during power off. The circuits (internal or external) connected to the pins may be damaged if the resistance is much lower than the normal ICs. The damage is mostly caused by voltage overstress, which may result from electrostatic discharge (ESD) because of mistaken handling, bad printed circuit board (PCB) layout or a high voltage out of the IC’s specification from an external source.

Check the Schematic and Components Selection

Double-check the schematic again to see if the external components are within the datasheet recommendations. The inductor and the output capacitors are the key components for a boost converter. The inductance and capacitance should be within the value range recommended in the datasheet. You can find the suggestions in the “Recommended Operating Conditions,” “Inductor Selection” and “Capacitor Selection” sections of the datasheet. Figure 2 shows the recommended operating conditions for TI’s TPS61253. The suggested effective capacitance ranges from 3.5µF to 50µF. The suggested inductance is from 0.7µH to 2.9µH.

GUID-19D6AEAE-9251-4629-B073-2E2636F4F8B6-low.png Figure 2 Recommended Operating Conditions for the TPS61253

A ceramic capacitor’s effective capacitance is related to its DC bias voltage. For example, the effective capacitance of a 10µF/0603 capacitor, such as the GRM188R60J106ME47 from Murata, is only 3µF at a 5V bias voltage condition. The current flowing through the inductor should be below the saturation current at any condition. Otherwise, the inductance may decrease below the recommended range, which could cause unexpected problems.

Check the Layout

Bad PCB layout causes many problems: IC damage, high output ripple, low output-current capability and more. The damage is mostly caused by a high voltage spike at the SW pin, which overstresses the internal power MOSFET of the IC. (See the user’s guide, “Five Steps to a Good PCB Layout of a Boost Converter,” which describes a method for boost converter PCB layout.) The datasheet and IC user’s guide should also provide a layout pattern example.

The output capacitor is the most critical component in the PCB layout. If you see a problem and the routing of the output capacitor is not good, try placing a 1µF ceramic capacitor close to the IC and connect them with a minimum loop. You’ll know the root cause if this method resolves your problem.

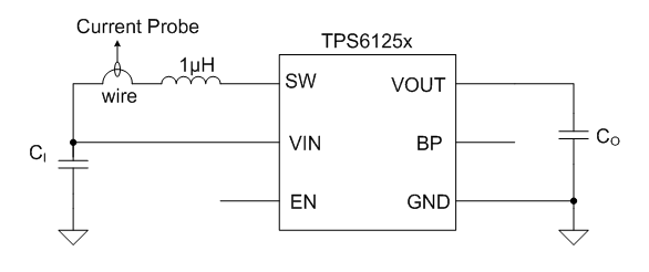
Check the Operating Waveform

The operating waveforms of the converter can be very helpful when seeking the root cause of a boost converter problem. The waveforms of the VIN pin, SW pin, VOUT pin and inductor current are the most important. Figure 3 shows a method for measuring inductor current: insert a wire in series with the inductor and use a current probe to measure the current flowing through the wire.

GUID-20F17EB5-198A-4D96-9C93-ED92B4C5E012-low.png Figure 3 Measuring the Inductor Current

Measure the four waveforms in the same picture if possible. Figure 4 shows the waveforms of the TPS61258 at light and heavy load conditions. In the waveforms, CH1, CH2, CH3 and CH4 are VOUT, SW, VIN and ICOIL (inductor current), respectively. CH1 is set to DC coupling with a 5V DC offset. So you can easily check both the DC voltage and AC ripple of the TPS61258 output voltage.

At light load conditions, the TPS61258 operates in power-save mode, during which the device switches several cycles and stops for a period of time. At heavy loads, the TPS61258 keeps switching with a 3.5MHz frequency.

During device switching, ICOIL increases linearly when the switch is approximately 0V and decreases linearly when the switch is approximately 5V.

GUID-120CC214-77BF-404B-9E44-0E35E091DE68-low.png Figure 4 Operating Waveforms of the TPS61258 (CH1 VOUT, CH2 SW, CH3 VIN, CH4 ICOIL) at Light Load, in Power-save Mode (a); and at Heavy Load (b)

One device may operate abnormally if its operating waveform is not similar to the waveforms in Figure 4. You can determine the root cause of the problem from the waveform, such as current-limit trigger, device unstable, VIN out of the specification, etc.

Record the Debugging Data and Contact Support

These four tips should help solve most basic problems. However, they may be not enough to solve a complex problem that relates to the whole system power design. In those cases, you may need to contact a TI field application engineer or post the problem in the TI E2E™ Community. It is a good habit to record the experimental data and waveforms while debugging the circuit. The data and waveforms will help a TI engineer find the root cause efficiently.

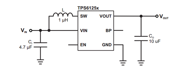
More Suggestions

A simple converter could help avoid many problems from the beginning. TPS61xxx series boost converters are highly integrated, easy-to-use devices. A fixed output-voltage converter such as the TPS61253 requires only three external power components: an input capacitor, inductor and power inductor, as shown in Figure 5. Just follow the datasheet recommendations for component selection and PCB layout. You can implement the required boost converter easily.

GUID-D3945D69-0FC8-4DD3-AF3E-631F167B98F0-low.png Figure 5 TPS61253 Boost Converter Schematic

The next time you are debugging a boost converter, refer to the tips discussed in this blog for help.

  • Confirm the problem in other boards.
  • Double-check the schematic and external components.
  • Double-check the PCB layout.
  • Measure the operating waveforms to observe abnormal behavior.
  • If you still haven’t resolved the problem, record the experimental data and ask TI for help on the E2E Community Non-Isolated DC/DC Forum.

IMPORTANT NOTICE AND DISCLAIMER

TI PROVIDES TECHNICAL AND RELIABILITY DATA (INCLUDING DATASHEETS), DESIGN RESOURCES (INCLUDING REFERENCE DESIGNS), APPLICATION OR OTHER DESIGN ADVICE, WEB TOOLS, SAFETY INFORMATION, AND OTHER RESOURCES “AS IS” AND WITH ALL FAULTS, AND DISCLAIMS ALL WARRANTIES, EXPRESS AND IMPLIED, INCLUDING WITHOUT LIMITATION ANY IMPLIED WARRANTIES OF MERCHANTABILITY, FITNESS FOR A PARTICULAR PURPOSE OR NON-INFRINGEMENT OF THIRD PARTY INTELLECTUAL PROPERTY RIGHTS.

These resources are intended for skilled developers designing with TI products. You are solely responsible for (1) selecting the appropriate TI products for your application, (2) designing, validating and testing your application, and (3) ensuring your application meets applicable standards, and any other safety, security, or other requirements. These resources are subject to change without notice. TI grants you permission to use these resources only for development of an application that uses the TI products described in the resource. Other reproduction and display of these resources is prohibited. No license is granted to any other TI intellectual property right or to any third party intellectual property right. TI disclaims responsibility for, and you will fully indemnify TI and its representatives against, any claims, damages, costs, losses, and liabilities arising out of your use of these resources.

TI’s products are provided subject to TI’s Terms of Sale (www.ti.com/legal/termsofsale.html) or other applicable terms available either on ti.com or provided in conjunction with such TI products. TI’s provision of these resources does not expand or otherwise alter TI’s applicable warranties or warranty disclaimers for TI products.

Mailing Address: Texas Instruments, Post Office Box 655303, Dallas, Texas 75265 

Copyright © 2023, Texas Instruments Incorporated

Texas Instruments

© Copyright 1995-2025 Texas Instruments Incorporated. All rights reserved.
Submit documentation feedback | IMPORTANT NOTICE | Trademarks | Privacy policy | Cookie policy | Terms of use | Terms of sale