• Menu
  • Product
  • Email
  • PDF
  • Order now
  • Putting Innovation in the Driver's Seat. What Technologies Are Most Important to Modern Power Seats?

    • SSZTA81 april   2017 DRV8802-Q1

       

  • CONTENTS
  • SEARCH
  • Putting Innovation in the Driver's Seat. What Technologies Are Most Important to Modern Power Seats?
  1.   1
  2.   2
    1.     3
    2.     Driving Seat Motors
    3.     Simplifying Seat Motor Driver Electronics
    4.     Additional Resources
  3. IMPORTANT NOTICE
search No matches found.
  • Full reading width
    • Full reading width
    • Comfortable reading width
    • Expanded reading width
  • Card for each section
  • Card with all content
Technical Article

Putting Innovation in the Driver's Seat. What Technologies Are Most Important to Modern Power Seats?

Clark Kinnaird

When I was a kid, my dad bought a big green Buick tricked out with all the bells and whistles – an AM/FM stereo with a rear speaker and reverb knob, electric windows, and most importantly power bench seats. The car was such a big deal that other kids from the neighborhood came to sit in it, and my sister and I made the seats go forward and back.

The first power seats (like in my dad’s Buick) had one or two electric-powered adjustments – primarily forward/backward and back support tilt. Really early cars had seats that didn’t adjust at all; Ford’s Model T seats look like built-in sofas, comfortable enough for low speeds but primitive in terms of features and safety.

Fast-forward to the present day, and seats have become a complex subsystem of a car. In terms of driver (or passenger) support, they do more than just provide a chair. They provide an ergonometric platform with precise support against downward gravity, longitudinal acceleration and lateral (turning) forces.

GUID-9DD0EAC2-F735-401C-9DFF-F38C9584113D-low.jpg

In addition, modern power seats provide the ability to adjust every aspect of the seat – distance from the steering wheel, seat height, seat tilt, lumbar support – in order for the occupant to feel comfortable. They may provide a heated or cooled cushion and back massage to enhance comfort. Seats can even rumble to the beat of the sound system or shake the driver if they drift out of their lane or seem drowsy. Modern seats measure our weight to determine air-bag settings and provide head rests to reduce neck injuries in case of a collision.

Motors make all of these seat adjustments possible. Most seat motors are rotary brushed DC (BDC) motors, although some applications are exploring electronically commutated brushless DC (BLDC) motors to reduce weight and eliminate brush wear and noise.

Driving Seat Motors

When looking specifically at the various motors that change seat positions, there are several common requirements. Seat position adjustments are typically bidirectional, meaning that the drive electronics must have a way to apply voltage across the motor with either polarity so that the seat is adjustable in both directions. This implies a set of switches (relays or transistors) in a full bridge (H-bridge) configuration, as shown in Figure 1. This configuration contrasts with motors using unidirectional motion, such as seat fan motors, which use a simpler drive circuit such as a half H-bridge or high-side driver.

GUID-8DC5433C-3FE3-43D2-AF06-6794C52C19AA-low.jpg Figure 1 H-bridge Configuration of Transistors to Enable Bidirectional Motor Rotation

Mechanized gear trains convert the high-speed, low-torque rotary motion of a BDC motor to high torque, low-speed motions for seat adjustments. Even with the mechanical advantage of the gears, the power needed to adjust the occupied seat means that these motors will need several amps of current. In drive electronics, this implies either hefty automotive relays or, as most designers are now using, low RDS(ON) metal-oxide semiconductor field-effect transistors (MOSFETs) for the switches in a full bridge.

A gate driver typically drives the four N-channel FETs, providing voltage level shifting for switching the high-side devices. The gate driver will usually also ensure that the high and low FETs on one side are never on simultaneously, preventing a short circuit (or shoot-through current) from the supply to ground.

Simplifying Seat Motor Driver Electronics

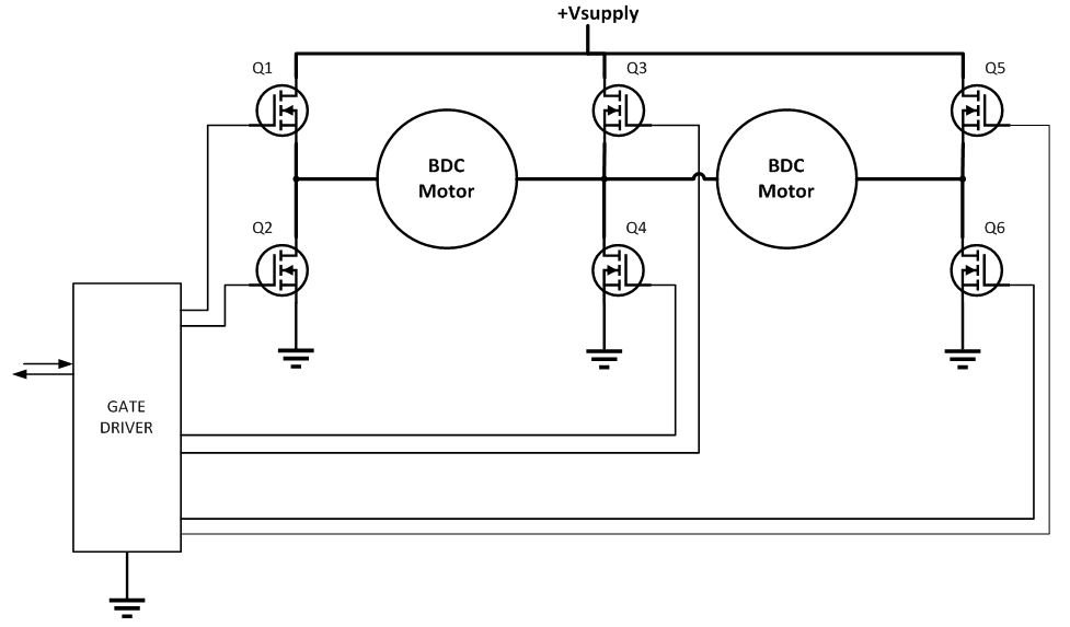
Because a seat contains several motors, it can be of interest to simplify the drive electronics by sharing the switching MOSFETs if possible. Figure 2 shows that three shared half bridges can drive two motors. In general, N+1 half-bridge circuits can drive N separate BDC motors.

TI’s Automotive 2-Axis Power Seat Brushed DC Motor Drive Reference Design shows how a single three-channel gate driver chip can control two seat motors. Of course, you should consider whether more than one motor will be active simultaneously, as there are constraints on which combinations of motor directions will require more complexity, such as pulse-width modulation (PWM) of the shared circuit. As discussed in the design guide, the concept of sharing circuits can be extended to two chips controlling five axes, and so on.

GUID-1F44F012-C7EA-4E30-AD48-77C9CB3C705F-low.jpg Figure 2 Sharing MOSFETs between Motors Simplifies Seat Motor Driver Electronics

Overall, I expect several trends to continue in automotive seating. The seat will continue to have more motors, drive electronics will continue to evolve from relays to MOSFETs, and the seats themselves will continue to integrate more features. Seats are becoming smarter, safer and more comfortable with each new design. So don’t be surprised when the neighborhood kids want to get a lumbar seat massage in your 2019 model.

Additional Resources

  • Using Texas Instruments’ DRV8802-Q1 brushed DC motor driver, the Automotive HVAC Multiple Flap Actuator/Damper DC Motor Driver Reference Design connects and controls multiple flap motors.
  • For DC motor reference designs, check out the Automotive 12V 200W (20A) BLDC Motor Drive Reference Design.
  • The Body Electronics and Lighting page has more automotive body electronics and lighting reference designs.
  • Check out “The other motors in electric vehicle systems” blog series on Motor Drive and Control

IMPORTANT NOTICE AND DISCLAIMER

TI PROVIDES TECHNICAL AND RELIABILITY DATA (INCLUDING DATASHEETS), DESIGN RESOURCES (INCLUDING REFERENCE DESIGNS), APPLICATION OR OTHER DESIGN ADVICE, WEB TOOLS, SAFETY INFORMATION, AND OTHER RESOURCES “AS IS” AND WITH ALL FAULTS, AND DISCLAIMS ALL WARRANTIES, EXPRESS AND IMPLIED, INCLUDING WITHOUT LIMITATION ANY IMPLIED WARRANTIES OF MERCHANTABILITY, FITNESS FOR A PARTICULAR PURPOSE OR NON-INFRINGEMENT OF THIRD PARTY INTELLECTUAL PROPERTY RIGHTS.

These resources are intended for skilled developers designing with TI products. You are solely responsible for (1) selecting the appropriate TI products for your application, (2) designing, validating and testing your application, and (3) ensuring your application meets applicable standards, and any other safety, security, or other requirements. These resources are subject to change without notice. TI grants you permission to use these resources only for development of an application that uses the TI products described in the resource. Other reproduction and display of these resources is prohibited. No license is granted to any other TI intellectual property right or to any third party intellectual property right. TI disclaims responsibility for, and you will fully indemnify TI and its representatives against, any claims, damages, costs, losses, and liabilities arising out of your use of these resources.

TI’s products are provided subject to TI’s Terms of Sale (www.ti.com/legal/termsofsale.html) or other applicable terms available either on ti.com or provided in conjunction with such TI products. TI’s provision of these resources does not expand or otherwise alter TI’s applicable warranties or warranty disclaimers for TI products.

Mailing Address: Texas Instruments, Post Office Box 655303, Dallas, Texas 75265 

Copyright © 2023, Texas Instruments Incorporated

Texas Instruments

© Copyright 1995-2025 Texas Instruments Incorporated. All rights reserved.
Submit documentation feedback | IMPORTANT NOTICE | Trademarks | Privacy policy | Cookie policy | Terms of use | Terms of sale