SLAA287B December 2005 – April 2022 MSP430BT5190 , MSP430BT5190 , MSP430F1101 , MSP430F1101 , MSP430F1101A , MSP430F1101A , MSP430F1111A , MSP430F1111A , MSP430F112 , MSP430F112 , MSP430F1121 , MSP430F1121 , MSP430F1121A , MSP430F1121A , MSP430F1122 , MSP430F1122 , MSP430F1132 , MSP430F1132 , MSP430F122 , MSP430F122 , MSP430F1222 , MSP430F1222 , MSP430F123 , MSP430F123 , MSP430F1232 , MSP430F1232 , MSP430F133 , MSP430F133 , MSP430F135 , MSP430F135 , MSP430F147 , MSP430F147 , MSP430F1471 , MSP430F1471 , MSP430F148 , MSP430F148 , MSP430F1481 , MSP430F1481 , MSP430F149 , MSP430F149 , MSP430F1491 , MSP430F1491 , MSP430F155 , MSP430F155 , MSP430F156 , MSP430F156 , MSP430F157 , MSP430F157 , MSP430F1610 , MSP430F1610 , MSP430F1611 , MSP430F1611 , MSP430F1612 , MSP430F1612 , MSP430F167 , MSP430F167 , MSP430F168 , MSP430F168 , MSP430F169 , MSP430F169 , MSP430F2001 , MSP430F2001 , MSP430F2002 , MSP430F2002 , MSP430F2003 , MSP430F2003 , MSP430F2011 , MSP430F2011 , MSP430F2012 , MSP430F2012 , MSP430F2013 , MSP430F2013 , MSP430F2013-EP , MSP430F2013-EP , MSP430F2101 , MSP430F2101 , MSP430F2111 , MSP430F2111 , MSP430F2112 , MSP430F2112 , MSP430F2121 , MSP430F2121 , MSP430F2122 , MSP430F2122 , MSP430F2131 , MSP430F2131 , MSP430F2132 , MSP430F2132 , MSP430F2232 , MSP430F2232 , MSP430F2234 , MSP430F2234 , MSP430F2252 , MSP430F2252 , MSP430F2252-Q1 , MSP430F2252-Q1 , MSP430F2254 , MSP430F2254 , MSP430F2272 , MSP430F2272 , MSP430F2272-Q1 , MSP430F2272-Q1 , MSP430F233 , MSP430F233 , MSP430F2330 , MSP430F2330 , MSP430F235 , MSP430F235 , MSP430F2350 , MSP430F2350 , MSP430F2370 , MSP430F2370 , MSP430F2410 , MSP430F2410 , MSP430F2416 , MSP430F2416 , MSP430F2417 , MSP430F2417 , MSP430F2418 , MSP430F2418 , MSP430F2419 , MSP430F2419 , MSP430F247 , MSP430F247 , MSP430F2471 , MSP430F2471 , MSP430F248 , MSP430F248 , MSP430F2481 , MSP430F2481 , MSP430F249 , MSP430F249 , MSP430F2491 , MSP430F2491 , MSP430F2616 , MSP430F2616 , MSP430F2617 , MSP430F2617 , MSP430F2618 , MSP430F2618 , MSP430F2619 , MSP430F2619 , MSP430F412 , MSP430F412 , MSP430F413 , MSP430F413 , MSP430F4132 , MSP430F4132 , MSP430F415 , MSP430F415 , MSP430F4152 , MSP430F4152 , MSP430F417 , MSP430F417 , MSP430F423 , MSP430F423 , MSP430F423A , MSP430F423A , MSP430F425 , MSP430F425 , MSP430F4250 , MSP430F4250 , MSP430F425A , MSP430F425A , MSP430F4260 , MSP430F4260 , MSP430F427 , MSP430F427 , MSP430F4270 , MSP430F4270 , MSP430F427A , MSP430F427A , MSP430F435 , MSP430F435 , MSP430F4351 , MSP430F4351 , MSP430F436 , MSP430F436 , MSP430F4361 , MSP430F4361 , MSP430F437 , MSP430F437 , MSP430F4371 , MSP430F4371 , MSP430F438 , MSP430F438 , MSP430F439 , MSP430F439 , MSP430F447 , MSP430F447 , MSP430F448 , MSP430F448 , MSP430F4481 , MSP430F4481 , MSP430F449 , MSP430F449 , MSP430F4491 , MSP430F4491 , MSP430F4616 , MSP430F4616 , MSP430F46161 , MSP430F46161 , MSP430F4617 , MSP430F4617 , MSP430F46171 , MSP430F46171 , MSP430F4618 , MSP430F4618 , MSP430F46181 , MSP430F46181 , MSP430F4619 , MSP430F4619 , MSP430F46191 , MSP430F46191 , MSP430F47126 , MSP430F47126 , MSP430F47127 , MSP430F47127 , MSP430F47163 , MSP430F47163 , MSP430F47166 , MSP430F47166 , MSP430F47167 , MSP430F47167 , MSP430F47173 , MSP430F47173 , MSP430F47176 , MSP430F47176 , MSP430F47177 , MSP430F47177 , MSP430F47183 , MSP430F47183 , MSP430F47186 , MSP430F47186 , MSP430F47187 , MSP430F47187 , MSP430F47193 , MSP430F47193 , MSP430F47196 , MSP430F47196 , MSP430F47197 , MSP430F47197 , MSP430F477 , MSP430F477 , MSP430F478 , MSP430F478 , MSP430F4783 , MSP430F4783 , MSP430F4784 , MSP430F4784 , MSP430F479 , MSP430F479 , MSP430F4793 , MSP430F4793 , MSP430F4794 , MSP430F4794 , MSP430F5232 , MSP430F5232 , MSP430F5234 , MSP430F5234 , MSP430F5237 , MSP430F5237 , MSP430F5239 , MSP430F5239 , MSP430F5242 , MSP430F5242 , MSP430F5244 , MSP430F5244 , MSP430F5247 , MSP430F5247 , MSP430F5249 , MSP430F5249 , MSP430F5252 , MSP430F5252 , MSP430F5253 , MSP430F5253 , MSP430F5254 , MSP430F5254 , MSP430F5255 , MSP430F5255 , MSP430F5256 , MSP430F5256 , MSP430F5257 , MSP430F5257 , MSP430F5258 , MSP430F5258 , MSP430F5259 , MSP430F5259 , MSP430F5304 , MSP430F5304 , MSP430F5308 , MSP430F5308 , MSP430F5309 , MSP430F5309 , MSP430F5310 , MSP430F5310 , MSP430F5324 , MSP430F5324 , MSP430F5325 , MSP430F5325 , MSP430F5326 , MSP430F5326 , MSP430F5327 , MSP430F5327 , MSP430F5328 , MSP430F5328 , MSP430F5329 , MSP430F5329 , MSP430F5333 , MSP430F5333 , MSP430F5336 , MSP430F5336 , MSP430F5338 , MSP430F5338 , MSP430F5340 , MSP430F5340 , MSP430F5341 , MSP430F5341 , MSP430F5342 , MSP430F5342 , MSP430F5418 , MSP430F5418 , MSP430F5418A , MSP430F5418A , MSP430F5419 , MSP430F5419 , MSP430F5419A , MSP430F5419A , MSP430F5435 , MSP430F5435 , MSP430F5435A , MSP430F5435A , MSP430F5436 , MSP430F5436 , MSP430F5436A , MSP430F5436A , MSP430F5437 , MSP430F5437 , MSP430F5437A , MSP430F5437A , MSP430F5438 , MSP430F5438 , MSP430F5500 , MSP430F5500 , MSP430F5501 , MSP430F5501 , MSP430F5502 , MSP430F5502 , MSP430F5503 , MSP430F5503 , MSP430F5504 , MSP430F5504 , MSP430F5505 , MSP430F5505 , MSP430F5506 , MSP430F5506 , MSP430F5507 , MSP430F5507 , MSP430F5508 , MSP430F5508 , MSP430F5509 , MSP430F5509 , MSP430F5510 , MSP430F5510 , MSP430F5630 , MSP430F5630 , MSP430F5631 , MSP430F5631 , MSP430F5632 , MSP430F5632 , MSP430F5633 , MSP430F5633 , MSP430F5634 , MSP430F5634 , MSP430F5635 , MSP430F5635 , MSP430F5636 , MSP430F5636 , MSP430F5637 , MSP430F5637 , MSP430F5638 , MSP430F5638 , MSP430F6433 , MSP430F6433 , MSP430F6435 , MSP430F6435 , MSP430F6436 , MSP430F6436 , MSP430F6438 , MSP430F6438 , MSP430F6630 , MSP430F6630 , MSP430F6631 , MSP430F6631 , MSP430F6632 , MSP430F6632 , MSP430F6633 , MSP430F6633 , MSP430F6634 , MSP430F6634 , MSP430F6635 , MSP430F6635 , MSP430F6636 , MSP430F6636 , MSP430F6637 , MSP430F6637 , MSP430F6638 , MSP430F6638 , MSP430FE423 , MSP430FE423 , MSP430FE4232 , MSP430FE4232 , MSP430FE423A , MSP430FE423A , MSP430FE4242 , MSP430FE4242 , MSP430FE425 , MSP430FE425 , MSP430FE4252 , MSP430FE4252 , MSP430FE425A , MSP430FE425A , MSP430FE427 , MSP430FE427 , MSP430FE4272 , MSP430FE4272 , MSP430FE427A , MSP430FE427A , MSP430FG4250 , MSP430FG4250 , MSP430FG4260 , MSP430FG4260 , MSP430FG4270 , MSP430FG4270 , MSP430FG4616 , MSP430FG4616 , MSP430FG4617 , MSP430FG4617 , MSP430FG4618 , MSP430FG4618 , MSP430FG4619 , MSP430FG4619 , MSP430FG477 , MSP430FG477 , MSP430FG478 , MSP430FG478 , MSP430FG479 , MSP430FG479 , MSP430FW423 , MSP430FW423 , MSP430FW425 , MSP430FW425 , MSP430FW427 , MSP430FW427 , MSP430FW428 , MSP430FW428 , MSP430FW429 , MSP430FW429 , MSP430G2001 , MSP430G2001 , MSP430G2101 , MSP430G2101 , MSP430G2102 , MSP430G2102 , MSP430G2111 , MSP430G2111 , MSP430G2112 , MSP430G2112 , MSP430G2121 , MSP430G2121 , MSP430G2131 , MSP430G2131 , MSP430G2132 , MSP430G2132 , MSP430G2152 , MSP430G2152 , MSP430G2201 , MSP430G2201 , MSP430G2201-Q1 , MSP430G2201-Q1 , MSP430G2211 , MSP430G2211 , MSP430G2212 , MSP430G2212 , MSP430G2221 , MSP430G2221 , MSP430G2231-Q1 , MSP430G2231-Q1 , MSP430G2232 , MSP430G2232 , MSP430G2252 , MSP430G2252 , MSP430G2302 , MSP430G2302 , MSP430G2312 , MSP430G2312 , MSP430G2332 , MSP430G2332 , MSP430G2352 , MSP430G2352 , MSP430G2402 , MSP430G2402 , MSP430G2432 , MSP430G2432 , MSP430G2452 , MSP430G2452 , MSP430L092 , MSP430L092
MSP430 is a trademark of Texas Instruments.
All trademarks are the property of their respective owners.
Li-ion is the chemistry of choice for portable applications, because of its high capacity-to-size ratio and a low self-discharge characteristic. Methods to implement battery charging solutions include options such as power management ICs, MCU controlled, and even logic devices. Advantages of the MCU-controlled charging method include safe charging, time efficiency, and low cost.
Battery capacity (C), expressed in milliamp-hours (mAh), is a measure of battery life between charges. Battery current has the units of C-rate. For example, for a 500 mA-h battery, the current corresponding to 1C is 500 mA and the current corresponding to 0.1C is 50 mA.
A Li-ion battery charging process can include three stages:
During the slow charge stage, the battery is charged with a constant low charge current of 0.1C if the battery voltage is below 2.5 V. If some batteries, like NiCd, are recharged without fully discharging, they suffer from a phenomenon called memory effect, which causes a reduction in the battery capacity. Li-ion batteries do not suffer from memory effect and do not need to be fully discharged before recharging. The slow charge stage is rarely used during the charging process of a Li-ion battery.
The fast charge (constant current) and constant voltage charging are the most important stages during a recharge process. Most Li-ion batteries have a fully charged voltage of 4.1 V or 4.2 V. The battery is first charged with a constant current of 1C until the battery voltage reaches 4.1 V or 4.2 V. The firmware continuously checks the charging current by sensing the voltage at the current sense resistor (Rsense) and adjusting the duty cycle of the PWM output from the MCU. The battery voltage is checked frequently. When the battery's voltage reaches 4.1 V or 4.2 V, the charger switches to constant voltage charging mode.
The battery is then charged with a constant voltage source at a fixed battery voltage of 4.1 or 4.2 V. The battery voltage is checked and maintained at 4.1 V by controlling the duty cycle of the PWM output. During this process the charging current starts to fall due to internal cell resistance. When the charging current falls below 0.1C, the charging process must stop.
Figure 1-1 Current vs Voltage Curve for Li-ion Battery ChargingIf charging continues when the battery is fully charged, most of the electrical energy is converted to thermal energy. Overcharging batteries can cause overheating or explosion due to outgassing of the electrolyte and can severely reduce battery life. Li-ion batteries are extremely sensitive to overcharging, and it is critical that the final voltage be controlled to within ±50 mV of 4.1 V or 4.2 V. A battery charger design must be able to determine a fully charged battery to avoid overcharging. A few methods to determine a fully charged condition are:
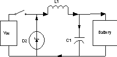
Figure 2-1 shows block-level schematic of a charger.
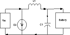
Figure 2-1 Block Level SchematicA buck converter is used during the constant current and voltage charge stages. A buck converter is a step-down voltage converter that uses the inductor as a current source to the output load impedance, which is the battery. The PNP and NPN transistors form a switch that is controlled by a PWM signal. The Timer_A3 on the MSP430 MCU can control the current for charging the battery using the PWM feature. When this switch is closed (on), current flows through the inductor and the capacitor is charged (see Figure 2-2). When the switch is open (off), the inductor tries to maintain its current flow by inducing a voltage, because an inductor cannot have an instantaneous change in current. The current now flows through the diode and the inductor charges the capacitor (see Figure 2-3). The LC network acts as a low-pass filter, and if the PWM frequency is much higher than the cut-off frequency of the LC network, the capacitor voltage is constant and equal to the mean value of the input voltage to the buck converter.
Figure 2-2 Buck Converter Switch On
Figure 2-3 Buck Converter Switch OffThe value of the inductor can be calculated by Equation 1.
where
Assuming VI is 6 V, Vsat is 0.5 V, IO is 500 mA, VO is 4.575 V, 1/T is 15 kHz, duty cycle is 50%:
The inductor should be at least 31 µH. For this implementation, a value of 75 µH is used. When the timer is clocked from the DCO with a frequency of 3.84 MHz, the TACCR0 value must be 255 to achieve a PWM frequency of 15 kHz (3.84 MHz / 256). The timer runs in up mode, and the timer output switches in toggle/set mode. The duty cycle of the timer output (TA1) can be controlled by adjusting the value of TACCR1. A PWM resolution of 8 bits is enough to control the constant current flow in the battery during the constant current charging stage and maintain a constant voltage on the battery during the constant voltage charging stage. If the capacitor is 220 µF and the inductor is 75 µH, the cutoff frequency of the LC network is 1.2 kHz ( ), which is much lower than the PWM frequency. This helps the capacitor to effectively reduce the output voltage ripple and maintain a DC voltage level.
Three channels (A0, A1, A2) on the 10-bit ADC on the MSP430 MCU can be used to monitor the battery voltage, battery temperature, and battery current. 1 LSB is equal to Vref / (N – 1), where Vref is the reference voltage and N is the resolution in bits of the ADC. With a 1.5-V on chip reference, 1 LSB is 1.5 / 1023 = 1.47 mV.
The range of voltages that the ADC needs to detect can be calculated as follows:
The highest voltage, VO, during the constant current charging stage is 4.575 V. The voltage to the ADC input due to the voltage divider (R1 = 2.1 × R2) is 4.575 / 3.1 = 1.5 V. This is within Vref and can be resolved by the ADC.
The lowest voltage that the ADC needs to detect is during the constant voltage stage to monitor the battery current and stop the charging process. The ADC needs to detect the voltage drop created by a 0.1C current through the battery. In this case it is 50 mA × 0.75 = 37.5 mV. This is approximately 25 LSB of resolution and can be resolved by the ADC.
For this application, a thermistor (RT1) is connected to the negative pole of the battery. The thermistor resistance decreases with temperature and so does the thermistor voltage. A 10k thermistor was used.
An abnormally low voltage indicates overheating, and the charging process must stop. This voltage can be detected by the ADC input.
The following sections describe the division of the software provided with this application report into a main routine and two ISRs.