SBOA386B March 2020 – October 2023 INA180-Q1 , INA181-Q1 , INA185-Q1 , INA2180-Q1 , INA2181-Q1 , INA4180-Q1 , INA4181-Q1
All trademarks are the property of their respective owners.
This document contains information for INAx180-Q1 (SOT-23-5, VSSOP-8, and TSSOP-14 packages), INAx181-Q1 (SOT-23-6, VSSOP-10, TSSOP-20, and DCK packages) and INA185-Q1 DCK package to aid in a functional safety system design. In this report, INAx180-Q1, INAx181-Q1, and INA185-Q1 refer to the family of devices including:
Information provided are:
INA180-Q1 Functional Block Diagram, Figure 1-2, Figure 1-3, Figure 1-4, Figure 1-5, and Figure 1-6 show the device functional block diagrams for reference.
 Figure 1-1 INA180-Q1 Functional Block
                        Diagram
Figure 1-1 INA180-Q1 Functional Block
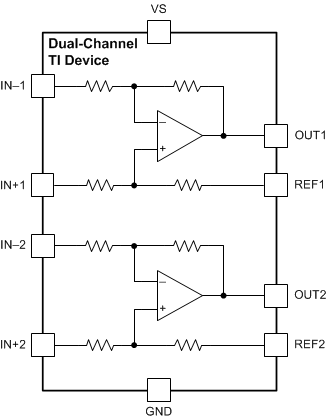
                        Diagram Figure 1-2 INA2180-Q1 Functional
                        Block Diagram
Figure 1-2 INA2180-Q1 Functional
                        Block Diagram Figure 1-3 INA4180-Q1 Functional Block
                    Diagram
            Figure 1-3 INA4180-Q1 Functional Block
                    Diagram Figure 1-4 INA181-Q1 and INA185-Q1
                    Functional Block Diagram
            Figure 1-4 INA181-Q1 and INA185-Q1
                    Functional Block Diagram Figure 1-5 INA2181-Q1 Functional Block
                    Diagram
            Figure 1-5 INA2181-Q1 Functional Block
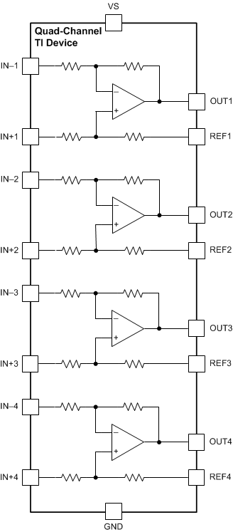
                    Diagram Figure 1-6 INA4181-Q1 Functional Block
                    Diagram
            Figure 1-6 INA4181-Q1 Functional Block
                    DiagramINAx180-Q1, INAx181-Q1, and INA185-Q1 were developed using a quality-managed development process, but were not developed in accordance with the IEC 61508 or ISO 26262 standards.