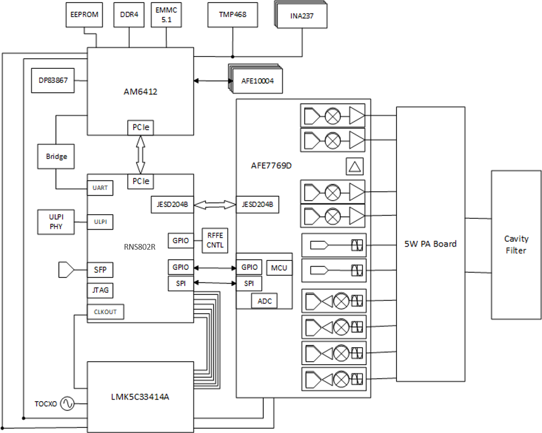
The RNSEM-3P-RNS802 is a 5G NR and LTE small cell outdoor O-RU reference design. This platform is designed for seamless interfacing and evaluation of AFE77xxD with RANsemi's RNS802R for split 7.2 Radio Unit (O-RU) with low PHY functionality. This reference design solves essential design challenges to expedite development. The digital board contains TI's AFE77xxD RF transceiver with integrated Digital Pre-distortion (DPD), Crest Factor Reduction (CFR), and a single RNS802 chip, which is connected to a co-processor (TI Sitara™ AM64xx processor). This design includes baseline software architecture for 7.2x split, precision time protocol (PTP) stack and servo, PA biasing and protection, and VSWR. This can expedite time to market for a customer.
The different subsystem boards are designed and provided to achieve high performance, noise isolation, and thermal management.
Network synchronizer
 Figure 1 Reference Design Block Diagram
Figure 1 Reference Design Block Diagram| Documentation | Description | Location | 
|---|---|---|
| Reference design user's guide | Provides details supporting reference design including the use case, hardware and software setup, and pinout. | RANsemi Third-party page on ti.com | 
| Schematic | Schematic files | Secure resources | 
| Design layout | Layout files | Secure resources |