• Menu
  • Product
  • Email
  • PDF
  • Order now
  • PFC의 THD를 줄이는 방법

    • KOKT034 April   2023

       

  • CONTENTS
  • SEARCH
  • PFC의 THD를 줄이는 방법
  1.   1
  2.   2
    1.     3
    2.     감지된 신호가 깨끗한지 확인
    3.     AC 제로 크로싱에서 전류 스파이크 감소
    4.     전압 루프 효과 감소
    5.     오버샘플링
    6.     듀티 비율 피드포워드
    7.     AC 주기 스킵
    8.     테스트 결과
    9.     관련 콘텐츠
    10.     참고 자료
  3. IMPORTANT NOTICE
search No matches found.
  • Full reading width
    • Full reading width
    • Comfortable reading width
    • Expanded reading width
  • Card for each section
  • Card with all content
Technical Article

PFC의 THD를 줄이는 방법

최신 영어 버전 다운로드

Bosheng Sun

THD(총 고조파 왜곡)는 신호에 존재하는 고조파 왜곡으로, 첫 번째 고조파의 RMS 진폭 또는 기본 주파수에 대한 더 높은 고조파 주파수 집합의 RMS(루트 평균 제곱) 진폭의 비율로 정의됩니다. 방정식 1은 THD를 표현합니다.

방정식 1. THD = V22+ V32+V42+⋯ V1

여기서 Vn은 n번째 고조파의 RMS 값이고 V1은 기본 부품의 RMS 값입니다.

전력 시스템에서 이러한 고조파는 전화 전송 간섭부터 전도체 저하까지 다양한 문제를 일으킬 수 있으므로 총 THD를 제어하는 것이 중요합니다. THD가 낮으면 모터의 피크 전류가 낮고, 발열이 적고, 전자기 방출이 낮고, 코어 손실이 적다는 것을 의미합니다.

THD를 줄이면 입력 전력이 75W를 초과하는 AC/DC 전원 공급 장치에 필요한 PFC(역률 보정)가 필요합니다. PFC는 입력 전류가 입력 전압을 따르도록 하여 전자 부하가 최소한의 고조파가 포함된 시누소이드 전류 파형을 그리도록 합니다.

특히 서버 애플리케이션에서 THD 요구 사항이 더 엄격해졌습니다. 모듈식 하드웨어 시스템 공통 이중 전원 공급 장치(M-CRPS) 사양은 표 1에 나와 있는 것처럼 전체 부하 범위에서 매우 엄격한 THD 요구 사항을 정의합니다. 이는 이전 CRPS THD 사양보다 훨씬 더 엄격합니다.

표 1 M-CRPS THD 사양 출처: 텍사스 인스트루먼트
GUID-38EBB0DF-935A-4616-909E-E97025A051B5-low.png

이러한 엄격한 THD 사양을 충족하는 것은 기존의 루프 튜닝이 충분하지 않을 수 있는 PFC 설계에서 가장 큰 과제입니다. 이 문서에서는 THD를 줄이는 데 도움이 되는 몇 가지 추가 방법을 제안합니다.

감지된 신호가 깨끗한지 확인

PFC 컨트롤러는 AC 입력 전압, 인덕터 전류 및 PFC 출력 전압을 감지합니다. 감지된 신호는 깨끗해야 하며, 그렇지 않을 경우 THD에 영향을 미칩니다. 예를 들어, AC 입력 전압 신호가 시누소이드 전류 레퍼런스를 생성하므로, 감지된 신호의 스파이크가 전류 레퍼런스 왜곡을 유발하고 THD에 영향을 미칩니다.

출력 전압(VOUT) 신호는 전류 레퍼런스를 생성하는 데 사용되지 않지만, VOUT 의 스파이크가 전압 루프 출력에 리플을 유발하여 전류 루프 레퍼런스와 궁극적으로 THD에 영향을 미칠 수 있습니다. 스파이크의 크기가 충분히 크면 전압 루프 비선형 게인을 트리거하여 THD를 크게 높일 수 있습니다.

일반적인 관행은 디커플링 커패시터를 컨트롤러의 감지 핀 가까이에 두는 것입니다. 잡음을 효과적으로 줄일 수는 있지만 너무 많은 지연을 유발하지 않도록 커패시턴스를 신중하게 선택해야 합니다. 디지털 무한 임펄스 응답 필터를 사용하여 감지된 VOUT 신호를 처리하면 잡음이 더욱 감소합니다. PFC 전압 루프가 느리기 때문에 이 디지털 필터로 인한 추가 지연이 허용됩니다.

그러나 AC 전압 감지의 경우 전류 레퍼런스에서 지연을 일으키기 때문에 디지털 필터를 추가하는 것은 권장되지 않습니다. 이 경우, 펌웨어 PLL(위상 동기 루프)을 사용하여 AC 전압과 위상의 내부 사인파 신호를 생성한 다음 생성된 사인파 신호를 사용하여 전류 레퍼런스를 변조할 수 있습니다. PLL에서 생성된 사인파는 깨끗하므로 감지된 AC 전압에 잡음이 있더라도 전류 루프 레퍼런스도 깨끗합니다.

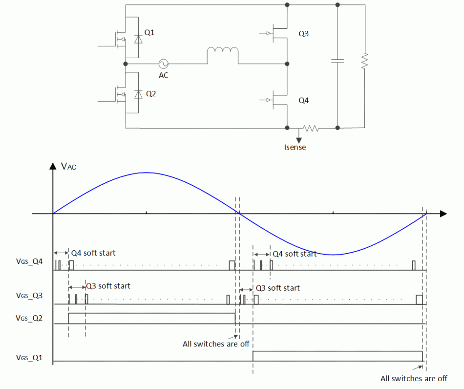
AC 제로 크로싱에서 전류 스파이크 감소

AC 제로 크로싱의 전류 스파이크는 토템 폴 브리지리스 PFC의 고유한 문제입니다. 이러한 스파이크는 M-CRPS THD 사양을 통과할 수 없을 정도로 클 수 있습니다. 이러한 스파이크의 근본 원인을 분석하고, 그림 1에서 보듯이 펄스 폭 변조(PWM) 소프트 시작 알고리즘이 효과적으로 줄일 수 있다는 점에 주목했습니다.

GUID-51E9A0E1-B018-44A1-92A4-69AFCB7DF5CC-low.gif그림 1 AC 제로 크로싱을 위한 게이트 신호 타이밍. 출처: 텍사스 인스트루먼트

이 솔루션에서 VAC 가 AC 제로 크로싱 후 V AC가 음극에서 양극 주기로 변경되면 액티브 스위치 Q4가 먼저 매우 작은 펄스 폭으로 켜지고 제어 루프에 의해 생성되는 듀티 사이클(D)로 점진적으로 증가합니다. Q4의 소프트 스타트는 스위치 노드 드레인에서 소스 사이의 전압(V DS)을 0으로 서서히 방전합니다. Q4의 소프트 스타트가 완료되면 동기 트랜지스터 Q3이 켜집니다. 작은 펄스 폭에서 시작하여 펄스 폭이 1-D에 도달할 때까지 점진적으로 증가합니다. Q4의 소프트 스타트가 완료되고 Q3의 소프트 스타트가 시작되면 저주파 스위치 Q2가 켜집니다.

제로 크로싱 감지는 잡음에 의해 트리거될 수 있습니다. 안전을 위해 하프 AC주기가 끝날 때 모든 스위치를 끕니다. 그러면 입력 AC가 단락되는 것을 방지하는 작은 불감대가 남습니다. AC 양극 주기에서 음극 주기로의 전환은 동일합니다. 그림 2는 검사 결과를 보여줍니다.

GUID-6AE6180E-A8B1-4147-904E-4BD13C89FD93-low.gif그림 2 PWM 소프트 스타트가 없는 전류 파형: 기존의 제어 방법(a) 및 PWM 소프트 스타트(b). 출처: 텍사스 인스트루먼트

전압 루프 효과 감소

전압 루프 출력의 2라인 주파수 리플은 전류 레퍼런스와 THD에 영향을 미칠 수 있습니다. 부하 과도 응답을 희생하지 않는 동시에 이 주파수 리플 효과를 가능한 한 많이 줄이기 위해 VOUT 감지된 신호와 전압 루프 사이에 디지털 노치(대역 저지) 필터를 추가할 수 있습니다. 이 노치 필터는 부하 과도에 의한 갑작스러운 VOUT 변화를 비롯하여 다른 모든 주파수 신호를 통과하면서 이중 라인 주파수 리플을 효과적으로 감쇠할 수 있습니다. 부하 과도는 영향을 받지 않습니다.

또 다른 방법은 AC 제로 크로싱 인스턴스에서 VOUT을 감지하는 것입니다. AC 제로 크로싱 인스턴스 Vout_zc(t)의 VOUT 값은 평균 값과 같으며 정상 상태에서 "상수" 상태이므로 전압 루프 제어에 완벽한 피드백 신호입니다. 부하 과도를 처리하려면 이 전압 루프 제어 법칙을 사용하십시오.

If ((Vref – Vout(t) < Threshold)

{

Error = Vref – Vout_zc(t);

VoltageLoop_output = Gv(Error, Kp, Ki);

}

Else

{

Error = Vref – Vout(t);

VoltageLoop_output = Gv(Error, Kp_nl, Ki_nl);

}

순간 VOUT 오차가 작은 경우 AC 제로 크로싱 인스턴스 Vout_zc(t)의 Vout 값과 전압 루프 보상기 Gv의 작은 비례-적분(PI) 루프 이득 Kp, Ki를 사용합니다. 부하 과도 상태가 발생하여 순간 VOUT 오류가 임계값보다 큰 경우, 순간 Vout(t) 값과 PI 루프 게인 Kp_nl, Ki_nl을 Gv에 사용하여 VOUT을 빠르게 공칭 값으로 되돌립니다.

오버샘플링

PFC 인덕터 전류는 각 스위칭 주기에서 DC 오프셋이 있는 톱파입니다. 그런 다음 전류는 연산 증폭기와 같은 신호 조절 회로로 이동되어 신호를 PFC 제어 회로에 적합하게 만듭니다. 그러나 이 신호 조절 회로는 입력 전류 리플에 충분한 감쇠를 제공하지 않습니다. 전류 리플이 증폭기의 출력에 여전히 나타납니다. 이 신호가 각 스위칭 주기마다 한 번만 샘플링되는 경우, 신호가 항상 평균 전류를 나타내는 완벽하고 고정된 위치는 존재하지 않습니다. 따라서 단일 샘플에서는 좋은 THD를 달성하기가 매우 어렵습니다.

보다 정확한 피드백 신호를 얻으려면 오버샘플링 메커니즘을 권장합니다. 그림 3는 전류 피드백 신호를 매 스위칭 주기마다 8회 고르게 샘플링하여 결과를 평균한 후 제어 루프에 보낼 수 있음을 보여줍니다. 이 오버샘플링은 측정된 전류 신호가 평균 전류 값과 더 가까워지도록 전류 리플을 효과적으로 평균화합니다. 또한 컨트롤러는 신호 잡음과 측정 잡음 등 잡음에 덜 민감해집니다. 오버샘플링은 전류 파형 왜곡을 줄이는 가장 효과적인 방법 중 하나입니다.

GUID-4C99BD7E-D5A5-4D48-BE77-44325B7C064B-low.gif그림 3 스위칭 주기마다 8회 오버샘플링. 출처: 텍사스 인스트루먼트

듀티 비율 피드포워드

듀티 비율 피드포워드 제어의 기본 아이디어는 듀티 비율을 사전 계산하고 피드백 컨트롤러에 이 듀티 비율을 추가하는 것입니다. 연속 전도 모드에서 작동하는 부스트 토폴로지의 경우 방정식 2 는 듀티 비율(dFF)을 다음과 같이 제공합니다.

방정식 2. dff = VOUT- VINVOUT

이 듀티 비율 패턴은 스위치 전체에 걸쳐 전압을 효과적으로 생성하며, 스위칭 주기에 대한 평균이 정류 입력 전압과 같습니다. 일반 전류 루프 보상기는 이 계산된 듀티 비율 패턴을 중심으로 듀티 비율을 변경합니다.

그림 4에서는 결과 제어 체계를 보여줍니다. 방정식 2를 사용하여 dFFFF를 계산한후 기존 평균 전류 모드 제어 출력(dI)에 추가됩니다. 그런 다음 최종 듀티 비율(d)을 사용하여 PWM 파형을 생성하여 PFC를 제어할 수 있습니다.

GUID-110B9B84-EDBB-4D2A-ABE2-9EF1103B8BE7-low.gif그림 4 dFF를 위한 기존의 평균 전류 모드 제어. 출처: 텍사스 인스트루먼트

대부분의 듀티 주기는 듀티 비율 피포워드에 의해 생성되기 때문에 제어 루프는 계산된 듀티를 약간 조정할 뿐입니다. 이 기술은 제한된 컨트롤러 루프 대역폭이 있는 애플리케이션의 THD를 개선하는 데 도움이 됩니다.

AC 주기 스킵

일반적으로 고부하 THD 요구 사항보다 저부하 THD 요구 사항을 충족하는 것이 더 어렵기 때문입니다. 이는 M-CRPS 사양의 5% 부하 THD 요구 사항에 특히 그렇습니다. PFC가 5% 부하를 제외하고 다른 모든 THD 요구 사항을 충족하는 경우, 지금까지 언급한 모든 방법을 시도했더라도 AC 주기 스킵 방법이 도움이 될 수 있습니다.

AC 주기 스킵을 특수 버스트 모드로 생각해 보십시오. 부하가 사전 정의된 임계값보다 작을 경우 PFC가 이 모드로 전환되고 부하에 따라 하나 이상의 AC 주기를 건너뜁니다. 즉, PFC는 하나 이상의 AC 주기 동안 꺼지고 다음 AC사이클 동안 다시 켜집니다. 턴온 및 턴오프 인스턴스는 전체 AC주기를 건너뛰는 AC 제로 크로싱에 있습니다. PFC는 0과 같은 전류에서 턴오프가 있기 때문에 스트레스와 전자기 간섭이 줄어듭니다. AC 주기 스킵은 PWM 펄스를 무작위로 스킵하는 기존의 PWM 펄스 스킵 버스트 모드와는 다릅니다.

스킵할 AC 주기 수는 부하에 역비례하며 부하가 적을수록 AC 주기가 많아집니다. 그림 5에는 하나의 AC 주기를 건너뛰는 과정이 나와 있습니다. 채널 1은 AC 전압이고 채널 4는 AC 전류입니다.

GUID-309C2BC1-083D-4ED3-A4CA-D0891E149E40-low.gif그림 5 낮은 부하에서 AC 주기 스킵. 출처: 텍사스 인스트루먼트

전류가 0이므로 PFC가 꺼지면 THD는 0입니다. PFC는 턴오프 기간을 보상해야 하기 때문에 전원을 켤 때 평균 값보다 큰 많은 양의 전력을 제공합니다. 기본적으로 이는 PFC를 중간 부하에서 작동하거나, 완전히 꺼집니다. THD는 저부하보다 중간 부하에서 훨씬 낮기 때문에 저부하 THD가 감소합니다.

테스트 결과

저는 텍사스 인스트루먼트의 C2000™ 마이크로컨트롤러로 제어되는 3kW 토템 폴 브리지리스 PFC[5]에 대해 이 문서에서 설명하는 방법을 구현했습니다. 그림 6은 240V AC에서의 THD 테스트결과를 보여줍니다.

GUID-66B80203-FDB3-43BD-A350-8ED13A247FA3-low.png그림 6 THD 테스트 결과. 출처: 텍사스 인스트루먼트

THD는 최신 M-CRPS THD 사양을 충족할 뿐 아니라 충분한 여유를 가지고 있어 하드웨어 허용 오차를 갖더라도 대량 생산 중에 PFC가 사양을 충족할 수 있도록 보장합니다.

관련 콘텐츠

  • 전원 팁 #115: GaN 스위치 통합으로 PFC에서 낮은 THD와 높은 효율성을 구현하는 방법
  • 전원 팁 #114: 펌웨어 오류가 발생할 경우 컨트롤이 불안정해질 수 있음
  • 전원 팁 #113: 8W 이상을 위한 두 가지 간단한 절연 전원 옵션
  • 전원 팁 #112: 결함 테스트를 위한 온보드 기구

참고 자료

  1. The Open Compute Project. n.d. Open Possibilities. 2023년 4월 10일에 액세스함.
  2. Sun, Bosheng. “토템 폴 PFC에 대해 AC 제로 크로싱에서 전류 스파이크를 줄이는 방법.” Texas Instruments Analog Design Journal article, literature No. SLYT650, 4Q 2015.
  3. Van de Sype, D.M., Koen De Gusseme, A.P.M. Van den Bossche 및 J.A. Melkebeek. "디지털 제어 부스트 PFC 컨버터용 듀티 비율 피드포워드." Published in IEEE Transactions on Industrial Electronics 52, no. 1 (February 2005): pp. 108-115.
  4. Sun, Bosheng. “AC 주기 스킵으로 PFC 저부하 효율 향상.” Texas Instruments Analog Design Journal article, literature No. SLYT585, 3Q 2014.
  5. Texas Instruments. n.d. “16A 최대 입력을 지원하는 3kW, 180W/in3 단상 토템 폴 브리지리스 PFC 레퍼런스 설계.” 텍사스 인스트루먼트 레퍼런스 설계 번호 PMP23069. 2023년 4월 10일에 액세스함.

이전에 EDN.com에 게시됨 .

IMPORTANT NOTICE AND DISCLAIMER

TI PROVIDES TECHNICAL AND RELIABILITY DATA (INCLUDING DATASHEETS), DESIGN RESOURCES (INCLUDING REFERENCE DESIGNS), APPLICATION OR OTHER DESIGN ADVICE, WEB TOOLS, SAFETY INFORMATION, AND OTHER RESOURCES “AS IS” AND WITH ALL FAULTS, AND DISCLAIMS ALL WARRANTIES, EXPRESS AND IMPLIED, INCLUDING WITHOUT LIMITATION ANY IMPLIED WARRANTIES OF MERCHANTABILITY, FITNESS FOR A PARTICULAR PURPOSE OR NON-INFRINGEMENT OF THIRD PARTY INTELLECTUAL PROPERTY RIGHTS.

These resources are intended for skilled developers designing with TI products. You are solely responsible for (1) selecting the appropriate TI products for your application, (2) designing, validating and testing your application, and (3) ensuring your application meets applicable standards, and any other safety, security, or other requirements. These resources are subject to change without notice. TI grants you permission to use these resources only for development of an application that uses the TI products described in the resource. Other reproduction and display of these resources is prohibited. No license is granted to any other TI intellectual property right or to any third party intellectual property right. TI disclaims responsibility for, and you will fully indemnify TI and its representatives against, any claims, damages, costs, losses, and liabilities arising out of your use of these resources.

TI’s products are provided subject to TI’s Terms of Sale (www.ti.com/legal/termsofsale.html) or other applicable terms available either on ti.com or provided in conjunction with such TI products. TI’s provision of these resources does not expand or otherwise alter TI’s applicable warranties or warranty disclaimers for TI products.IMPORTANT NOTICE

Mailing Address: Texas Instruments, Post Office Box 655303, Dallas, Texas 75265 

Copyright © 2024, Texas Instruments Incorporated

Texas Instruments

© Copyright 1995-2025 Texas Instruments Incorporated. All rights reserved.
Submit documentation feedback | IMPORTANT NOTICE | Trademarks | Privacy policy | Cookie policy | Terms of use | Terms of sale