• Menu
  • Product
  • Email
  • PDF
  • Order now
  • LMG3522R030-Q1 650V 30 mΩ GaN FET、ドライバと保護機能および温度レポート機能内蔵

    • JAJSL98D October   2020  – February 2024 LMG3522R030-Q1

      PRODUCTION DATA  

  • CONTENTS
  • SEARCH
  • LMG3522R030-Q1 650V 30 mΩ GaN FET、ドライバと保護機能および温度レポート機能内蔵
  1.   1
  2. 1 特長
  3. 2 アプリケーション
  4. 3 概要
  5. 4 Pin Configuration and Functions
  6. 5 Specifications
    1. 5.1 Absolute Maximum Ratings
    2. 5.2 ESD Ratings
    3. 5.3 Recommended Operating Conditions
    4. 5.4 Thermal Information
    5. 5.5 Electrical Characteristics
    6. 5.6 Switching Characteristics
    7. 5.7 Typical Characteristics
  7. 6 Parameter Measurement Information
    1. 6.1 Switching Parameters
      1. 6.1.1 Turn-On Times
      2. 6.1.2 Turn-Off Times
      3. 6.1.3 Drain-Source Turn-On Slew Rate
  8. 7 Detailed Description
    1. 7.1 Overview
    2. 7.2 Functional Block Diagram
    3. 7.3 Feature Description
      1. 7.3.1  GaN FET Operation Definitions
      2. 7.3.2  Direct-Drive GaN Architecture
      3. 7.3.3  Drain-Source Voltage Capability
      4. 7.3.4  Internal Buck-Boost DC-DC Converter
      5. 7.3.5  VDD Bias Supply
      6. 7.3.6  Auxiliary LDO
      7. 7.3.7  Fault Detection
        1. 7.3.7.1 Overcurrent Protection and Short-Circuit Protection
        2. 7.3.7.2 Overtemperature Shutdown
        3. 7.3.7.3 UVLO Protection
        4. 7.3.7.4 Fault Reporting
      8. 7.3.8  Drive-Strength Adjustment
      9. 7.3.9  Temperature-Sensing Output
      10. 7.3.10 Ideal-Diode Mode Operation
        1. 7.3.10.1 Overtemperature-Shutdown Ideal-Diode Mode
    4. 7.4 Start-Up Sequence
    5. 7.5 Safe Operation Area (SOA)
      1. 7.5.1 Repetitive SOA
    6. 7.6 Device Functional Modes
  9. 8 Application and Implementation
    1. 8.1 Application Information
    2. 8.2 Typical Application
      1. 8.2.1 Design Requirements
      2. 8.2.2 Detailed Design Procedure
        1. 8.2.2.1 Slew Rate Selection
          1. 8.2.2.1.1 Start-Up and Slew Rate With Bootstrap High-Side Supply
        2. 8.2.2.2 Signal Level-Shifting
        3. 8.2.2.3 Buck-Boost Converter Design
      3. 8.2.3 Application Curves
    3. 8.3 Do's and Don'ts
    4. 8.4 Power Supply Recommendations
      1. 8.4.1 Using an Isolated Power Supply
      2. 8.4.2 Using a Bootstrap Diode
        1. 8.4.2.1 Diode Selection
        2. 8.4.2.2 Managing the Bootstrap Voltage
    5. 8.5 Layout
      1. 8.5.1 Layout Guidelines
        1. 8.5.1.1 Solder-Joint Reliability
        2. 8.5.1.2 Power-Loop Inductance
        3. 8.5.1.3 Signal-Ground Connection
        4. 8.5.1.4 Bypass Capacitors
        5. 8.5.1.5 Switch-Node Capacitance
        6. 8.5.1.6 Signal Integrity
        7. 8.5.1.7 High-Voltage Spacing
        8. 8.5.1.8 Thermal Recommendations
      2. 8.5.2 Layout Examples
  10. 9 Device and Documentation Support
    1. 9.1 Documentation Support
      1. 9.1.1 Related Documentation
    2. 9.2 ドキュメントの更新通知を受け取る方法
    3. 9.3 サポート・リソース
    4. 9.4 Trademarks
    5. 9.5 静電気放電に関する注意事項
    6. 9.6 Export Control Notice
    7. 9.7 用語集
  11. 10Revision History
  12. 11Mechanical, Packaging, and Orderable Information
  13. 重要なお知らせ
search No matches found.
  • Full reading width
    • Full reading width
    • Comfortable reading width
    • Expanded reading width
  • Card for each section
  • Card with all content

 

Data Sheet

LMG3522R030-Q1 650V 30 mΩ GaN FET、ドライバと保護機能および温度レポート機能内蔵

このリソースの元の言語は英語です。 翻訳は概要を便宜的に提供するもので、自動化ツール (機械翻訳) を使用していることがあり、TI では翻訳の正確性および妥当性につきましては一切保証いたしません。 実際の設計などの前には、ti.com で必ず最新の英語版をご参照くださいますようお願いいたします。

最新の英語版をダウンロード

1 特長

  • 車載アプリケーション向けに AEC-Q100 認証済み
    • 温度グレード 1:-40℃~+125℃、TA
    • 接合部温度:–40℃~+150℃、TJ
  • ゲート ドライバ内蔵の 650 V GaN オン Si FET
    • 高精度のゲート バイアス電圧を内蔵
    • FET ホールド オフ:200V/ns
    • 2MHz のスイッチング周波数
    • 20V/ns~150V/ns のスルーレートによるスイッチング性能の最適化と EMI の軽減
    • 7.5V~18V 電源で動作
  • 堅牢な保護
    • サイクル単位の過電流保護と応答時間 <100ns のラッチ付き短絡保護
    • ハード スイッチング中のサージ耐性:720V
    • 内部過熱および UVLO 監視機能による自己保護
  • 高度なパワー マネージメント
    • デジタル温度 PWM 出力
  • 上面から放熱する 12mm × 12mm の VQFN パッケージにより、電気的経路と熱的経路を分離することで電力ループのインダクタンスを最小化

2 アプリケーション

  • スイッチ モード パワー コンバータ
  • 商用ネットワークとサーバーの電源
  • 商用テレコム整流器
  • オンボード チャージャ (OBC) およびワイヤレス チャージャ
  • DC/DC コンバータ
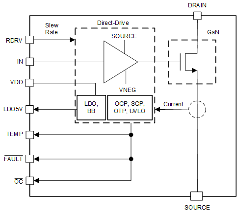
GUID-56727E62-3C5A-489B-87F9-87E74F3E3739-low.gif 概略ブロック図

 

Texas Instruments

© Copyright 1995-2025 Texas Instruments Incorporated. All rights reserved.
Submit documentation feedback | IMPORTANT NOTICE | Trademarks | Privacy policy | Cookie policy | Terms of use | Terms of sale