JAJA790A June 2020 – September 2021 AMC1300 , AMC1300B-Q1 , AMC1301 , AMC1301-Q1 , AMC3301 , AMC3301-Q1 , AMC3302 , AMC3330-Q1
設計目標
| 電圧源 | AMC1300B 入力電圧 | AMC1300B の出力電圧 (1.44VCM) | 電源 | ||||
|---|---|---|---|---|---|---|---|
| VMAX | VMIN | VIN DIFF, MAX | VIN DIFF, MIN | VOUT DIFF, MAX | VOUT DIFF, MIN | VDD1 | VDD2 | 
| +240V | -240V | +250mV | -250mV | +2.05V | -2.05V | 3.0V~5.5V | 3.0V~5.5V | 
設計の説明 I
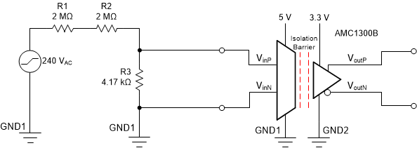
この回路は、分圧器と ±250mV 差動入力、差動出力の AMC1300B 絶縁型アンプを使用して、高電圧の差動測定を行います。AMC1300B は入力インピーダンスが低いデバイスであるため、電流検出アプリケーションに適しています。絶縁型アンプの入力インピーダンスと入力分圧器の相互作用により、ゲイン誤差が発生します。また、低インピーダンス入力から電圧検出抵抗を通過するバイアス電流は、大きなオフセット誤差を生じさせます。最初に、これらの誤差を補正せずに設計します。次に、それらの効果を観測し、数学的に記述します。最後に、それらの影響を制限するように再設計し、改善された結果を観測します。
分圧回路により、±240V の電圧を絶縁アンプの入力範囲と一致する ±250mV に降圧します。AMC1300B は、高電位側と低電位側の 2 つの電源が必要です。高電位側の電源は、フローティング電源を使用するか、または絶縁トランスや絶縁 DC/DC コンバータにより低電位側から生成することがよくあります。AMC1300B は ±250mV の差動信号を 8.2V/V の固定ゲインで測定し、1.44V の出力コモン モード電圧で、±2.05V の絶縁差動出力電圧を出力できます。『差動出力 (絶縁) アンプとシングルエンド入力の接続』 ADC テクニカル ノートに示すとおり、必要に応じ追加のオペアンプを使用して差動出力電圧を ADC に接続するために TLV6001 にスケーリングすることができます。

デザイン ノート I
設計手順 I
DC 転送特性 I
以下のグラフは、±240V のソースに対する出力のシミュレーション結果を示しています。ソースを -300V~+300V の範囲で掃引し、アンプの入力電圧と出力電圧を観測します。求められる線形範囲は、アンプの入力で ±250mV、アンプの出力で ±2.05V です。アンプの入力では、分圧器の分圧のため、オフセット誤差 0 と約 1.042mV/V のゲインが予想されます。アンプの出力でも、分圧器の電圧ソースの減衰と、その後の AMC1300B の 8.2V/V の固定ゲインによるオフセット誤差 0 と 8.542mV/V のゲインが予想されます。
以下のグラフに示すように、シミュレーション結果は目的の理想的な出力と一致していません。アンプの入力には、107mV のオフセット電圧誤差が存在します。このデバイスの入力電圧範囲 ±250mV と比較すると、これは大きな値です。このオフセット誤差はアンプの出力に引き継がれ、837mV のオフセットがアンプの出力範囲 ±2.05V の中で大きな部分を占めます。この回路は、大きなゲイン誤差も示しています。分圧器からの入力で 1.042mV/V、デバイスの出力で 8.540mV/V のゲインを想定していますが、代わりにそれぞれ 0.853mV/V と 6.842mV/V のゲインが観測され、約 18.1% と 19.9% の大きなゲイン誤差が発生しています。以下のセクションでは、より良い設計方法を規定します。


設計の説明 II
上記の方法は、1MΩ 以上などの大きな入力抵抗を持つデバイスを使用する場合の電圧検出アプリケーションに適しています。AMC1300B デバイスの差動入力インピーダンスは 22kΩ であり、これは前述のオフセット誤差とゲイン誤差につながります。この回路構成で電圧検出に低入力インピーダンスのアンプを使用したときのゲイン誤差とオフセット誤差は、次の式を使用して推定できます。
ゲイン誤差は、理想的でない電圧を R3 で除算した結果生じます。アンプの入力抵抗の大きさは R3 と同等であるため、R1 と R2 から流れ出る電流の一部は R3 を通過せずに、アンプの入力を通過します。その結果、アンプの入力で予期しない電圧降下が発生します。そのため、「設計手順 I」セクションのステップ 4 で提示した式は有効ではなく、アンプの入力インピーダンスが R3 と並列であると見なす、より完全な式を考慮する必要があります。オフセット誤差は、絶縁アンプの正の入力ピンからシャント抵抗 R3 を経由して流出するバイアス電流の積です。R3 の両端にこのバイアス電流が流れると、入力に大きなオフセット電圧が発生し、増幅されて出力に渡される可能性があります。
上記の式を使用して、「設計手順 I」セクションの回路の誤差を推定できます。データシートの標準値から、差動入力抵抗は 22kΩ、入力バイアス電流は 30µA となります。R3 の設計値は 4.17kΩ であり、その結果、アンプの入力で 18.7% のゲイン誤差と 125mV のオフセット誤差が発生すると予想されます。これに対し、シミュレーションされた誤差は、アンプの出力で 19.9% のゲイン誤差、入力で 107mV のオフセット誤差でした。これらの誤差式は、予測される誤差の大きさを迅速に把握するのに役立つ重要なツールです。シミュレーションを実行しなくても、予期される誤差が最終使用事例で許容可能かどうかを判断できます。
『AMC1300 高精度、±250mV 入力、強化絶縁アンプ データシート』で指摘したように、電圧検出アプリケーションでは、アンプの反転端子に R3' を直列に導入することで、オフセット誤差およびゲイン誤差を低減できます。アンプのバイアス電流は、負の入力ピンでも正の入力ピンでも同様のオフセットを生成します。これにより、全体のオフセット電圧の大きさが大幅に低減します。さらに、R3 の値を選択する際には、アンプの入力抵抗と R3' の影響も考慮します。これにより、240V ソースのより理想的な分割電圧が得られ、全体のゲイン誤差が改善されます。
設計手順 II - R3' の検討
設計手順 I では、ゲインと Rtop 抵抗の計算はまったく同じであるため、最高の回路性能を得るために R3 と R3' を計算することに関心を持っています。
これが結果として得られる理想的な回路構成です。赤色で表示されている Rind は AMC1300B の差動入力抵抗を表しているため、回路図に追加しないことに注意してください。

DC 転送特性 II
以下のグラフに、新しい設計を使用した ±240V のソースに対する出力のシミュレーション結果を示します。求められる線形範囲は、アンプの入力で ±250mV、アンプの出力で ±2.05V であることを思い出してください。


明らかに、この新しい設計では、オフセット誤差が大幅に改善されています。入力オフセット電圧とゲイン誤差がゼロに低減しています。また、この新しく設計した回路は、入力分圧器の R3 の目的の値と R3' の理想値を見つけるための計算をより正確に行うことで、ゲイン誤差性能が向上していることも示しています。
この好ましい結果は、R3 を流れる AMC1300B デバイスのバイアス電流によって元の設計に導入されたオフセット電圧を相殺するために R3' を追加したことによって得ることができました。問題は、理想的な値の R3 と R3' が市場で入手できないことです。また、実際には、互いに非常に近い 2 つの異なる抵抗値を使用するのは実用的ではありません。
アナログ技術者向けカリキュレータを使用すると、入手可能な最も近い E189 直列抵抗の値を見つけることができます。どちらの場合も、R3 と R3' について計算された理想値に最も近い 0.1% の抵抗値は 6.65kΩ です。最終的な回路図を次に示します。

R3 と R3' には簡単に入手できる抵抗を使用しても、次のグラフに示すように、回路の性能はかなり良好です。入力のゲイン誤差を 18.2% から 0.3% に低減しました。出力のゲイン誤差を 19.9% から 0.4% に低減しました。オフセット誤差も、入力側で 195µV、出力側で 2mV に低減しています。
 
 
AC 転送特性 II
AC スイープは、目的の出力が得られると予想される周波数範囲を検証します。次のシミュレーション プロットから、シミュレーションされたゲイン -41.40dB、すなわち 8.51mV/V は、DC 出力プロットのゲイン結果と一致しています。これは、前のセクションで説明したように、目的の出力ゲイン -41.37dB、つまり 8.54mV/V に比較的近くなります。この設計の帯域幅シミュレーションの結果である 313.1kHz は、データシートの標準帯域幅仕様である 310kHz で設定されている期待値をわずかに上回っています。

参考資料
設計に使用されている絶縁型オペアンプ
| AMC1300B | |
|---|---|
| VDD1 | 3.0V~5.5V | 
| VDD2 | 3V~5.5V | 
| 入力電圧範囲 | ±250mV | 
| 公称ゲイン | 8.2 | 
| VOUT | 1.44V の出力同相モードで差動 ±2.05V | 
| 入力抵抗 | 19kΩ (標準値、シングルエンド)、22kΩ (標準値、差動) | 
| 小信号帯域幅 | 310kHz | 
| 入力オフセット電圧とドリフト係数 | ±0.2mV (最大値)、±3µV/°C (最大値) | 
| ゲイン誤差とドリフト係数 | ±0.3% (最大値)、±15ppm/℃ (標準値) | 
| 非線形性とドリフト係数 | ±0.03% (最大値)、±1ppm/℃ (標準値) | 
| 絶縁過渡過電圧 | 7.071kVPEAK | 
| 動作電圧 | 1.5kVRMS、2.121kVDC | 
| 同相過渡耐性、CMTI | 75 kV/µs (最小値)、140 kV/µs (標準値) | 
| AMC1300 | |
設計の代替絶縁型オペアンプ
| AMC1200 | |
|---|---|
| VDD1 | 4.5V~5.5V | 
| VDD2 | 2.7V~5.5V | 
| 入力電圧範囲 | ±250mV | 
| 公称ゲイン | 8 | 
| VOUT | 差動 ±2V、コモン モードは電源電圧範囲によって変動 | 
| 入力抵抗 | 28kΩ (標準値、差動) | 
| 小信号帯域幅 | 100kHz | 
| 入力オフセット電圧とドリフト係数 | ±1.5mV (最大値)、±10µV/°C (最大値) | 
| ゲイン誤差とドリフト係数 | ±1% (最大値)、±56ppm/℃ (標準値) | 
| 非線形性とドリフト係数 | ±0.1% (最大値)、±2.4ppm/℃ (標準値) | 
| 絶縁過渡過電圧 | 4kVPEAK | 
| 動作電圧 | 1.2kVpeak | 
| 同相過渡耐性、CMTI | 10kV/µs (最小値)、15kV/µs (標準値) | 
| AMC1200 | |