JAJA716B August   2019  – November 2022 DRV5011 , DRV5013 , DRV5015 , TMAG5115

 

  1.   1

システムを稼働するため、ブラシ付き直流 (DC) モーター、ブラシレス DC モーター (BLDC)、交流 (AC) モーター、ユニバーサル・モーター、ステッパ・モーター、サーボ・モーターなど、各種のモーターを使用できます。これらの選択肢のうち、BLDC モーターには特に次の利点があります。

  • 高効率
  • 信頼性と長寿命
  • コンパクトなサイズ
  • 低ノイズ
  • 広範なモーター速度のサポート
  • スパークが発生しない

BLDC モーターには多くの利点があるため、コードレス電動工具、エアコン出力ユニット、ビルの警備システムの自動ドアとゲートなど、各種の用途で使用されています。また BLDC モーターは、スライド式のドア・モジュール、ウィンドウ・モジュール、ルーフ・モーター・モジュール、ワイパー・モジュール、シートの位置およびコンフォート・モジュール、エンジン・ファン、ポンプなど、自動車のさまざまな場所でも使用されています。

BLDC 整流

BLDC モーターの動作方法の詳細について解説するため、BLDC モーターの簡略化されたモデル を図 1-1 に示します。このモーターは、2 つの磁極 (N 極と S 極) と 3 つのコイルを使用します。このモデルでは、回転子の永久磁石 (モーターの回転部) が固定子のコイル (モーターの固定部) で囲まれています。磁石が動くことで、回転子が移動します。コイルの磁極 (N 極または S 極) は、注入される電流の方向に応じて変化します。永久磁石の反対側の極に電磁石を近づけると、永久磁石と電磁石の同じ極が反発しあうため、永久磁石と回転子が移動し、トルクが発生します。

GUID-20210823-SS0I-GKZL-K9DW-Q13VMZBC5WKL-low.jpg 図 1-1 BLDC モーターのモデル、整流ステップ 1

たとえば、磁石が図 1-1 に示す位置にあり、磁石を時計回りに移動させる必要がある場合、磁石の S 極のように動作する電流をコイル U に注入し、磁石の N 極のように動作する電流をコイル V に注入します。コイル U に生まれる S 極は永久磁石の S 極と反発し、コイル V に生まれる N 極は永久磁石の S 極と引き合います。その結果、永久磁石と回転子は図 1-2 に示す磁石の位置に達するまで、時計回りに回転します。図 1-2 の磁石の位置から、磁石の N 極のように動作するように電流をコイル W に注入し、磁石の S 極のように動作を続けるように電流をコイル U に注入すると、回転子はさらに時計回りに回転します。磁石と回転子を継続的に円に沿って移動させるには、非常に明確なシーケンスで電流を各コイルに注入し続ける必要があります。回転子の動作を引き起こすよう電流をコイルに注入させるスイッチングのプロセスを、整流と呼びます。

GUID-20210823-SS0I-XB66-M32H-2KLSP7FXDZPN-low.jpg 図 1-2 BLDC モーターのモデル、整流ステップ 2

図 1-1図 1-2 に示すように、どのコイルに電流を注入すべきか、およびそれらの電流の極性は、磁石の現在の位置によって異なります。BLDC 整流方式は、最初に回転子の位置を決定し、次に回転子の位置情報を使用して磁界を印加し、回転子を目的の方向に移動させることで機能します。回転子の位置を判定する方法は 2 つあります。最初の方法は、位置センサを使用します。2 番目の方法は、逆起電力 (EMF)、すなわちモーターの回転中に生成される電圧に基づいて位置を決定するセンサレス方式です。モーターで生成される逆起電力波形の振幅は、モーターの速度に比例します。

センサ付き整流には次の利点があります。

  • モーターで生成される逆起電力波形の振幅はモーターの速度に比例するため、センサレス整流方式は低速では動作しません。逆起電力が小さすぎて回転子の位置を判定できないためです。システムがゼロ速度で大きなトルクを必要とする場合、センサ付き整流が必要です。
  • モーターが非常に高速なとき、逆起電力を使用すると、それぞれの遷移を区別するのは困難です。この問題を緩和するため、モーターが非常に高速で移動するとき、センサ付き整流を使用します。
  • センサ付きの実装は実行が比較的簡単で、センサレス実装のような複雑な計算は不要です。

センサ付き整流には、ホール位置センサ、エンコーダ、またはリゾルバを使用できます。これらのオプションの中で、ホール位置センサは比較的低コストなため、最も一般的です。さまざまなホール位置センサの中で、単純な 6 ステップ方式の整流を行うため、ホール・ラッチを使用します。これらのホール・ラッチでは、デバイスの出力を切り替えるため、図 1-3 のように N 極と S 極を交互に入れ替える必要があります。

GUID-20210823-SS0I-QX21-45GP-FJBW0NR26GKG-low.jpg 図 1-3 ホール・ラッチの出力

図 1-3 に示すラッチでは、デバイスが磁石の S 極を検出し、検出された磁束密度の大きさが磁束密度の動作点、図の BOP よりも大きい場合のみ、出力が Low にアサートされます。デバイスが磁石の N 極を検出し、検出された磁束密度の大きさがラッチの磁束密度解放点、図の BRP よりも大きくなるまで、出力は Low のまま維持されます。磁気入力がない場合、ラッチの最後の状態はアクティブのままです。

3 つのホール・ラッチを使用したセンサ付き 6 ステップ・モーター整流制御方式の出力波形を、図 1-4 に示します。この方式では、同時に 2 つの位相のみが駆動され、3 番目の位相はハイ・インピーダンス状態になります。図の数値は、整流ステップを表しています。具体的には、ステップ 1 は図 1-1 に示す状態に対応し、ステップ 2 は図 1-2に示す状態に対応します。図 1-4 のホール A、ホール B、ホール C の波形は、各整流ステップにおけるホール・ラッチの出力に対応しています。位相 U、位相 V、位相 W の波形は、磁石が次の整流ステップに移動するよう、各位相で印加する波形を表します。図 1-4 で、「+」は S 極が位相に印加されるような電流の注入に対応し、「-」はその逆、N 極が位相に印加されるような電流の注入に対応しており、「Z」はハイ・インピーダンス状態の位相を示します。この図は、6 つの独立したホール状態が存在することを示しています。それぞれの状態は、位相を駆動してモーターの回転を維持するための、それぞれ異なる方法に対応しています。したがって、ホール状態を使用すると、位相を駆動してモーターの回転を維持する方法についての情報を得ることができます。ここでは、ホール・センサの状態をソフトウェア・ルックアップ・テーブルへのインデックスとして使用し、回転子の現在の位置に応じて各位相をどのように駆動するかの情報を得ることができます。

GUID-20210823-SS0I-9LR2-CBSD-F2S8MVSWW8JB-low.jpg 図 1-4 6 ステップのモーターの整流制御方式

前の例では、BLDC モーターの簡略化モデルを使用しています。通常、BLDC モーターには、これらの図に示したものより多くの磁極とコイルがあります。使用するコイルや回転子の磁極が多いほど、磁石の制御はより細かくなります。磁石はいくつかの棒磁石として、互いに隣接するように設置でき、隣接する磁石は互いに反対の極性です。磁石の数を増やすと、一定の時間内にホール・センサが認識する状態遷移の数が増加するため、回転子がわずかに回転しただけで、ホール・センサは可能なすべての状態を循環します。

3 つのホール位置センサは、それぞれの出力間の角度が互いに 120° のオフセットになるように配置する必要があります。この角度は電気角と呼ばれ、デバイスが機械的に互いに配置される実際の角度とは異なる場合があります。モーターの軸の中心から、各センサの間をどれだけ開けるかを角度 (機械的角度) 単位で 2 / [極数] × 120° に設定すると、必要な電気角 120° を得ることができます。

図 1-1図 1-2 に示す簡略化された 2 極の例では、機械的角度と電気角は等しくなります。ただし、磁極が増えると、さまざまなホール出力状態の組み合わせを循環するための時間が減少するため、多くの磁極を持つシステムでは機械的角度と電気角は等しくなりません。このことを示すため、システムに 12 個の磁極 (6 つの N 極と 6 つの S 極) が存在すると想定します。この 12 極システムのホール・ラッチをそれぞれ 120° の電気角で分離するため、ホール位置センサを互いに機械的に ±20 度の位置に配置できます。

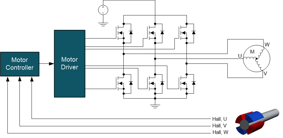
BLDC モーター・システムのアーキテクチャ

BLDC モーター制御用システムの実装を、図 1-5 に示します。3 つのハーフブリッジ回路を使用してモーターの位相を VCC または GND に接続することで、コイルに電流を注入し、さまざまな位相に必要な磁界を生成します。このシステムでは、モーター・コントローラを使用して整流を決定します。コントローラには、マイクロコントローラ、FPGA、DSP、デジタル・ステート・マシン、または純粋なアナログ実装を使用できます。このモーター・ドライバを使用すると、制御ブロックをハーフブリッジ回路と接続でき、モーター・ドライバからハーフブリッジ回路を経由して整流を決定できます。ホール位置センサは、回転子の位置に関する情報をモーター・コントローラに送り、モーター・コントローラはその情報を使用して、ハーフブリッジ回路をどのように駆動するかを決定します。図 1-5 に示すシステム・アーキテクチャの代わりに、一部のモーター・ドライバにはハーフブリッジ回路が内蔵されているため、図に示す外部ハーフブリッジ回路は不要です。

GUID-3035E848-BA27-4D3E-9A8C-2C45BE96F214-low.gif 図 1-5 BLDC モーター制御用の閉ループ・システム

BLDC モーターの整流に適切なホール・ラッチの選択

BLDC 整流に使用する適切なホール・ラッチは、多くの場合、次の仕様に基づいて選択します。

  • 感度:ラッチの感度は、ラッチが磁石にさらされたときに、出力の状態が切り替わる BOP と BRP の仕様を意味します。ラッチによって検出される磁束密度は、磁石のサイズ、磁性材料、および磁石からセンサまでの距離に依存します。高感度のラッチは BOP と BRP の仕様が低いため、モーター用に小さな磁石を使用して、コンパクトにモーターを設計できます。特定の磁石の場合、高感度のラッチを使用すると、感度の低いラッチと比べて、ホール・センサまでの距離が大きくても動作できます。
  • 消費電流:アプリケーションがバッテリ駆動のときは、バッテリの寿命を最大化するため、ホール位置センサの消費電流を少なくする必要があります。
  • 動作電圧範囲:利用可能な電源電圧はシステムによって異なるため、システムの電圧範囲内で動作するホール・ラッチを選択します。システムで利用可能な電源電圧がすべてホール位置センサの動作電圧範囲外である場合、ホール位置センサに電力を供給する電圧レールを生成するために、追加の電圧レギュレータ・デバイスが必要です。
  • オープン・ドレイン出力とプッシュプル出力:オープン・ドレイン出力は、ホール位置センサの VCC 電圧とは異なる電圧レベルのロジック High 出力電圧が求められるときに選択します。オープン・ドレイン出力と比べて、プッシュプル出力はプルアップ抵抗が必要ないため、ソリューション・サイズが小さくなります。
  • 周波数帯域幅:デバイスの周波数帯域幅は、急速に変化する磁界をどれだけ検出し、出力へと変換できるかを示し、結果としてどれだけの速さで回転するモーターをホール・ラッチで検出できるかを決定します。
  • ジッタ:ホール・ラッチのジッタは、モーターが一定の速度で回転しているときの出力パルス幅の変動です。ジッタは、回転子の位置を測定するとき、角度誤差の原因になります。
  • 出力遅延、リフレッシュ期間:出力遅延は、磁界 がB OP または B RP スレッショルドを超えてから、出力が新しい値を反映するまでに要する時間と定義されます。サンプリングされたデバイスではリフレッシュ期間があり、サンプル・レートとも呼ばれます。これは、新しい磁気サンプルが取得され、必要に応じて出力を更新するために使用されるまでデバイスで必要な時間です。サンプリングされたデバイスでは、出力遅延時間が長くなる傾向があります。これは、ユーザーが入力をサンプリングするときのリフレッシュ期間と、出力の更新に必要な出力遅延を考慮する必要があるためです。
  • 温度:ホール・センサは、高温のモーター・アプリケーションに実装する場合、高温で動作する必要があります。
  • サイズ:コンパクトなモーターを設計するときは、デバイスの物理的なサイズが重要です。医療や歯科の分野で使用されるバッテリ駆動のハンドヘルド・ドリルは、コンパクトなモーターが役に立つシステムの例です。このようなシナリオでは、モーターを小型化することでシステム全体の重量を減らし、エンド・ユーザーの疲労とストレスを軽減しながら、同じトルクとバッテリの寿命を維持できます。この理由から、ホール位置センサが小さくなれば、設計においてモーター全体の直径に影響を与えず、ケースの中にセンサを戦略的に配置できるので、大きな優位点があります。この点を解説するため、TO-92 と X2SON の 2 つのパッケージ・タイプについて考えてみます。従来の TO-92 パッケージ (図 1-6) は、回転子の周囲に最も論理的に配置されています。回転子が内側にあるモーターの設計では、ホール・センサ用の十分な空間が固定子に存在するため、これは一般に問題とはなりません (固定子はこの図に示されていません)。この方法の欠点は、モーターの直径が大きくなる可能性があることです。スロットレス BLDC モーターでは、モーターの巻線内に空間がありません。ホール位置センサの理想的な配置は、モーターの直上、PCB 上で軸的に回転子のシャフトの中心に置くことです (図 1-7)。この構成は、このパッケージ・タイプで、さらに小型のモーターを設計することも可能だと示しています。

ここで説明したラッチ仕様の詳細については、ホール効果ラッチの仕様に関するプレシジョン・ラボのビデオを参照してください。

GUID-38721E79-635B-4C02-B106-F21DA3BB50D4-low.png 図 1-6 TO-92 ホール・センサを使用する回転子の位置
GUID-63E9BA0E-D866-4965-9A82-FFD339A47BC6-low.png 図 1-7 表面実装ホール・センサを使用する回転子の位置

TMAG5115 は、高性能を重視して設計された高性能デジタル・ホール効果ラッチのファミリです。このデバイスは、高精度の磁気を必要とするシステムで、低ジッタと低出力遅延を実現します。さらに、モーター・システムは電源よりも高い電圧を生成するリスクを引き起こす可能性があるため、 TMAG5115 は、最大 2.5V の広い入力電圧から最大 30V の絶対電圧に対応できます。電圧範囲が広いため、追加のレギュレータを必要とせずにメイン電源ラインからデバイスを動作させることもできます。また、TMAG5115 はテキサス・インスツルメンツのホール効果ラッチ製品ラインアップで利用できる最高の周波数帯域幅を実現しており、高速モーター・アプリケーションや磁気ポール数の多いモーターでセンサを使用できます。

DRV5011 は、モーターや他のロータリー・システムに特化して設計された、デジタル・ホール効果ラッチです。このデバイスは効率的な低電圧アーキテクチャを採用しており、2.5V~5.5V で動作します。このデバイスは、標準の SOT-23 と、薄型の X2SON および DSBGA (WCSP) パッケージで供給されます。DSBGA パッケージは、X2SON と比較してサイズが 58% 縮小されています。各パッケージの比較を、表 1-1 に示します。

表 1-1 パッケージの比較
パッケージ 本体サイズ
SOT-23 (3 ピン) 2.92mm × 1.3mm
X2SON (4 ピン) 1.1mm × 1.4mm
DSBGA (WCSP) (4 ピン) 0.8mm × 0.8mm

デバイスのデジタル出力はプッシュプル・ドライバで、外付けのプルアップ抵抗が不要なため、よりコンパクトなシステムを実現できます。

その他の推奨デバイス

システムの性能と機能の要件を満たす仕様の、ホール位置センサを選択します。DRV5015 はスペースの制約が緩いアプリケーション向けで、SOT-23 で利用可能な優れた高帯域ソリューションを実現できます。また、DRV5015 はテキサス・インスツルメンツの製品ポートフォリオでも最高の感度を持つソリューションなので、小型の永久モーター磁石を使用できます。もう 1 つの代表的な製品は DRV5013 で、SOT-23 と TO92 で供給されます。DRV5013 は、最高 38V VCC で動作できる高電圧ソリューションです。これらの代替デバイスの仕様の詳細を示すリンクを表 1-2 に示します。

表 1-2 その他の推奨デバイス
デバイス 特性
DRV5013 高電圧
DRV5015 高感度、低電圧
BLDC モーターでテキサス・インスツルメンツのホール効果ラッチを迅速に評価するために、TMAG5115EVM は各種 NEMA17 BLDC モーターに搭載されているホール効果センサ・ボードの標準外形に従います。つまり、この評価基板はこれらのボードの直接差し替え可能な代替品として使用でき、この方法でデバイスの性能を評価するために使用できます。詳細については、『TMAG5115 評価基板』ユーザー・ガイドを参照してください。