• Menu
  • Product
  • Email
  • PDF
  • Order now
  • 電源内蔵の信号アイソレータにより CISPR32 で低放射を実現

    • JAJA677 june   2021 ISOW7740 , ISOW7741 , ISOW7742 , ISOW7743 , ISOW7744

       

  • CONTENTS
  • SEARCH
  • 電源内蔵の信号アイソレータにより CISPR32 で低放射を実現
  1.   1
  2. 1アプリケーション・ブリーフ
  3. 重要なお知らせ
search No matches found.
  • Full reading width
    • Full reading width
    • Comfortable reading width
    • Expanded reading width
  • Card for each section
  • Card with all content
Application Brief

電源内蔵の信号アイソレータにより CISPR32 で低放射を実現

このリソースの元の言語は英語です。 翻訳は概要を便宜的に提供するもので、自動化ツール (機械翻訳) を使用していることがあり、TI では翻訳の正確性および妥当性につきましては一切保証いたしません。 実際の設計などの前には、ti.com で必ず最新の英語版をご参照くださいますようお願いいたします。

1 アプリケーション・ブリーフ

産業用システムは高電圧になっていく傾向にあり、複数の電力ドメインを持つシステムが増加している中で、絶縁は必須要件になっています。これらのドメインすべてを機能させるためには、信号通信のために信号絶縁が必要であり、2 次側部品に電力を供給するために絶縁型電源が必要です。図 1 に、グループ絶縁型データ・アクイジション・システムの一般的なブロック図を示します。マイクロプロセッサ (MCU) と A/D コンバータ (ADC) の間にアイソレータを使用して、現場の入力信号からの高電圧過渡事象や電気的ノイズから MCU を保護します。デジタル・アイソレータの ADC 側と 2 次側の両方に電源を供給するには、絶縁型電源が必要です。この例は、トランス・ドライバ、トランス、LDO を使用して ADC とアイソレータに電源を供給するディスクリート・ソリューションを示しています。

GUID-20210506-CA0I-SM4M-FCRV-LP618VZHXDDT-low.gif 図 1 トランス・ドライバ、トランス、LDO を使用するディスクリート絶縁型電源を実装したデータ・アクイジション・システム

ディスクリート・ソリューションはコスト効率に優れていますが、複雑になることがあります。多くの PCB スペースを占有するさまざまな外付け部品が必要であり、特に外付けトランスは X および Y 寸法だけでなく高さも占有します。

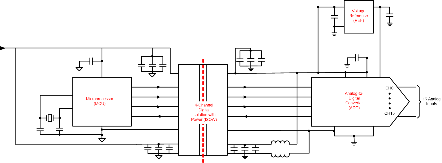
一方 ISOW7741 は、図 2 に示すように、チップスケールのトランスを内蔵した強化絶縁型 4 チャネル・デジタル・アイソレータを、1 つの小型フォーム・ファクタ・パッケージで提供します。このデバイスを使用すると、図 1 のディスクリート部品を排除できるので、システム設計を簡素化できます。ISOW7741 は、基板面積を最大 30% 節減し、設計を簡素化して、部品表 (BOM) 内の部品数を削減します。

GUID-20210505-CA0I-LW4Z-R5KT-RVSPPVQVSZSW-low.gif 図 2 ISOW7741 を使用した絶縁型電源を統合したデータ・アクイジション・システム

低エミッション

ISOW7741 は、コスト効率に優れた 2 層基板を使用し、3dB を超えるマージンを確保して CISPR32 Class B 規格を満たすように設計されています。テキサス・インスツルメンツでは、ISOW7741 の設計とレイアウトに特許取得済みの対称型設計アーキテクチャを使用して、低エミッションを実現しています。図 3 の ISOW7741 の内部ブロック図に示すように、回路のデジタル・アイソレータ部分に電源を供給する VISOIN ピンは、統合型パワー・コンバータの出力である VISOOUT ピンから分離されています。この信号パスと電源パスの分離により、パッケージ内部の高周波結合が低減されます。また、トランスのスイッチング周波数が 60MHz から 25MHz に変更されており、エミッション・スペクトルの高周波成分の強度が低減されています。

GUID-20210513-CA0I-LNHQ-FJFJ-QLD4QHVGRMDD-low.gif 図 3 ISOW7741 の内部ブロック図とピン配置

外付けフェライト・ビーズを使用して、エミッションをさらに減衰させることができます。0402 サイズのフェライト・ビーズ (型番:BLM15EX331SN1) 2 個を VISOOUT と VISOIN の間および GND2 パス間に配置すると (下の図を参照)、電源ラインが PCB 上の他の部品に配線される前に、パワー・コンバータ出力からの高周波ノイズを減衰させることができます。最適な効率と最小のエミッションを達成し、デバイスで最高の性能を実現するには、以下のレイアウトが推奨されます。

GUID-20210513-CA0I-TSQW-1W4B-MMZXWQQR6LSS-low.gif 図 4 ISOW7741 の推奨レイアウト

低電圧リップル

ISOW7741 の電圧リップルは、適応型ヒステリシス・コントローラを使用して 24mV に大幅に低減されています。低リップルであることにより個々の電源除去比 (PSRR) に関する要件を緩和できるため、システム全体のアナログ回路に関する性能の向上に役立ちます。低リップルであるため、敏感なアナログ回路を駆動する前に、LDO などの回路を使用して追加のフィルタリングを行う必要がなくなります。これにより、基板面積を削減でき、追加の設計コストはかかりません。

適応型ヒステリシス・コントローラには 2 つの利点があります。1 つ目の利点は、デカップリング・コンデンサを使用してリップルをさらに改善できるフレキシビリティがあることです。100µF のバイパス・コンデンサを使用すると、電圧リップルを 10mV 未満にすることができます。2 つ目の利点は、この設計が非常に優れた過渡負荷レギュレーション性能を備えていることです。たとえば、負荷が 0~1 の間で変化する CAN アプリケーションなどです。

GUID-20210505-CA0I-6DZ1-H1QN-2VRFZHBSMR27-low.gif 図 5 負荷 10% 超における ISOW7741 の電圧リップルは 3mVp-p 未満

追加の診断機能と設計の改善

ISOW7741 には診断機能も搭載されており、システムと製品が正しく動作していることを検証します。「DC/DC イネーブル / フォルト保護」ピンは、内蔵 DC/DC パワー・コンバータをイネーブル / ディセーブルする入力ピン、またはパワー・コンバータが正常に動作していない場合にアラートを生成する出力ピンをとして使用されます。VDD > 7V、VDD < 2.5V の場合、または接合部温度が 170℃を超えた場合にフォルトが報告され、このピンが Low になって DC/DC コンバータがディセーブルになり、ISOW7741 と下流部品の深刻な損傷を防止します。

すでに説明したように、ISOW7741 ではロジック・パスと電源パスが分離されており、1.71V~5.5V のロジック電源電圧範囲と、3V~5.5V のパワー・コンバータ電源電圧範囲を実現できます。これにより、たとえばパワー・コンバータは 5V 入力および 5V 出力で動作し、ADC などの 2 次側部品には最低 1.8V のロジック電源を供給できます。

ISOW7741 では、VISOOUT 負荷レギュレーションも 10% から 5% に改善されています。負荷レギュレーションは、負荷が変化したときに 2 次側部品に安定した電圧を供給できるようにするため、システム上重要です。適切な負荷レギュレーションが維持されない場合、トランシーバや ADC などの下流デバイスは保証された値になりません。

ISOW7741 の CISPR32 エミッション・データと競合製品との比較

ISOW7741 は絶縁型コンデンサと絶縁型トランスを組み合わせて使用し、業界最高の絶縁定格と最長の信頼性寿命を実現しています。制御された電源信号とデータ信号がこれらの絶縁バリアを通過するときに、電磁干渉 (EMI) が発生します。これらの放射エミッション (RE) は、他の電子システムやネットワークの性能に悪影響を及ぼす可能性があります。そのため、絶縁型デバイスは電磁両立性を維持し、伝導エミッションと放射エミッションの規格に準拠する必要があります。放射エミッション規格 / テストの目的は 2 つあります。デバイスからの放射エミッションが放送無線サービスを干渉しないことを確認することと、測定の再現性と結果の反復性を確保するための手順を規定することです。

CISPR32 は、マルチメディア機器 (MME) の電磁両立性規格です。これには、情報技術装置 (ITE)、オーディオ機器、ビデオ機器、放送受信機器、エンターテインメント照明制御機器が含まれます。CISPR32 は、2 つのクラスのエンド・ユーザー端末機器を考慮しています。Class A デバイスは、商業、産業、またはビジネス環境で使用するために販売されているデバイスです。Class B デバイスは、家庭で使用する目的で販売されているデバイスです。以下の表に示すように、Class B の制限は Class A の制限よりも厳しくなっています。

GUID-20210506-CA0I-HPDT-FKPN-WRJWGQHFJHLQ-low.gif 図 6 CISPR32 テスト構成

CISPR32 は、図 6 に示すように、無響室の非導電性回転台に配置されたテスト対象機器 (EUT) を規定しています。EUT は受信アンテナから 10m 離れた場所に配置されます。アンテナは水平偏波と垂直偏波用に構成されており、高さは 1m~4m の範囲で調整できます。アンテナの高さと偏波ごとに、回転台上の EUT を 0~360 度回転させ、最大電界強度の測定値を求めます。さまざまな偏波と高さにおけるワーストケースのエミッション測定値が、30MHz~1GHz で記録されます。

図 7 に、CISPR32 放射エミッション・テストで使用される ISOW7741 用の評価基板 (EVM) を示します。EVM の回路図と PCB レイアウトは、ISOW7741DFEVM ユーザー・ガイドに掲載されています。図 8 に、ISOW7741 EVM テスト構成の大まかなブロック図を示します。システム・レベルのエミッションを抑制するため、ISO7741 のリニア・レギュレータ (LDO) と出力電源ピン (VISOOUT) の前後にフェライト・ビーズが配置されています。表 1 に、ISOW7741 と CISPR32 Class-B 放射エミッション規格でテストされた競合デバイスの 3 つの構成を示します。

GUID-20210506-CA0I-CJLJ-BTGS-3SMTVLSWJD0R-low.gif 図 7 ISOW7741 の評価基板
GUID-20210506-CA0I-V1P4-2VVW-P9416680TBF9-low.gif 図 8 ISOW7741 のテスト構成
表 1 CISPR32 Class-B 放射エミッション・テスト用のデバイス構成

Vcc1 (V)

Vcc2 (V)

VISOOUT 電圧 (V)

VISOOUT 負荷 (mA)

テスト 1

5

5

5

100

テスト 2

5

3.3

3.3

50

テスト 3

5

5

5

10

以下の図に、3 つの構成それぞれのテスト結果を示します。ISOW7741 は、3 つの構成で十分なマージンを確保して CISPR32 Class B 放射エミッション・テストに合格しています。競合デバイスは、5V 出力、100mA 負荷 (テスト 1)、3.3V 出力、50mA 負荷 (テスト 2) 構成の CISPR32 Class B 放射エミッション・テストに不合格です。合格しているのは 5V 出力、10mA 負荷 (テスト 3) テストのみです。ISOW7741 は、十分なマージンを確保して CISPR32 Class B 放射エミッション・テストに合格しただけでなく、そのエミッション・レベルは生成された出力電圧と負荷に依存していません。ISOW7741 のエミッション・レベルが一定であることは、可変負荷条件と異なる電圧レベル要件を持つシステムで電磁両立性 (EMC) を満たすのに非常に有益です。

GUID-20210506-CA0I-0QGZ-1C9J-XHZLPZNN77XX-low.gif図 9 ISOW7741 - CISPR32 Class-B 放射エミッションの結果:5V 入力、5V 出力、100mA 負荷
GUID-20210506-CA0I-XH24-XXLZ-ZCGC1NTPFP6R-low.gif図 11 ISOW7741 - CISPR32 Class-B 放射エミッションの結果:5V 入力、3.3V 出力、50mA 負荷
GUID-20210506-CA0I-LSTL-ZGX8-WD3BFKJ5XX78-low.gif図 13 ISOW7741 - CISPR32 Class-B 放射エミッションの結果:5V 入力、5V 出力、10mA 負荷
GUID-20210506-CA0I-JHFM-PS6R-022GP2DR7JLP-low.gif図 10 競合デバイス - CISPR32 Class-B 放射エミッションの結果:5V 入力、5V 出力、100mA 負荷
GUID-20210506-CA0I-G8L4-MM2V-2JLPWWZGSX1C-low.gif図 12 競合デバイス - CISPR32 Class-B 放射エミッションの結果:5V 入力、3.3V 出力、50mA 負荷
GUID-20210506-CA0I-PBGD-BX4D-NNRQMRRR6T1R-low.gif図 14 競合デバイス - CISPR32 Class-B 放射エミッションの結果:5V 入力、5V 出力、10mA 負荷

図 15 に、システムで ISOW7741 を使用してエミッションを考慮して適切に設計することにより、エミッション・レベルをノイズ・フロア程度に低く保つことができることを示します。

GUID-20210506-CA0I-G1MT-KPSR-SC5CJ3XBPP7L-low.gif 図 15 ノイズ・フロアと ISOW7741 CISPR32 Class-B の放射エミッションの結果

まとめ

テキサス・インスツルメンツの ISOW7741 は、小型フォーム・ファクタでありながら複数の拡張機能を提供する信号と電源の絶縁ソリューションです。このデバイスは、2 層基板のみを使用して厳しい CISPR32 Class B エミッション規格に適合するだけでなく、負荷条件や電圧レベルの影響を受けません。競合製品のデータと比較すると、ISOW7741 は業界で最低のエミッションを達成しています。電圧リップルと負荷レギュレーションの改善により、内蔵パワー・コンバータが安定したものとなり、フォルト検出ピンによりパワー・コンバータの状態を詳細に監視できるので、セキュリティが強化されます。これらすべての機能を組み合わせることで、高性能でコスト効率が高くシンプルな設計ソリューションを実現できます。

Texas Instruments

© Copyright 1995-2025 Texas Instruments Incorporated. All rights reserved.
Submit documentation feedback | IMPORTANT NOTICE | Trademarks | Privacy policy | Cookie policy | Terms of use | Terms of sale