| DAC の出力電圧 | 出力電圧 VLOAD | 最小負荷抵抗 RLOAD | 補償可能な最大ライン抵抗 | エラー | 
|---|---|---|---|---|
| 0V–5V | 0V–10V | 1kΩ | RLOAD の +25% | < 0.25% FSR | 
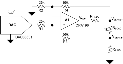
この出力検出を備えたプログラム可能な電圧出力回路は、寄生直列抵抗による電圧低下を補償して、負荷の両端に正確な電圧を供給できます。アンプ A1 は、接続されている負荷のハイサイド端とローサイド端からの電圧を帰還して、VSENSE+ と VSENSE- との間の電圧を正確にレギュレートします。デジタル / アナログ コンバータ (DAC) 出力とディスクリート抵抗により、負荷の両端の電圧が設定されます。この回路は、付加的なライン抵抗が存在する可能性があり、出力電圧を増やすことで補償して負荷に正しい電圧を印加する必要があるアプリケーションで使用されます。この回路を使用する一般的な最終製品として、アナログ出力モジュール、メモリ / 半導体試験装置、分光器、データ アクイジション (DAQ) カードが挙げられます。






 図 1-1 DC 伝達特性
図 1-1 DC 伝達特性 図 1-2 小信号ステップ応答
図 1-2 小信号ステップ応答 図 1-3 10kΩ から 5kΩ への RLOADの負荷過渡
図 1-3 10kΩ から 5kΩ への RLOADの負荷過渡 図 1-4 アンプの VCC = 13V における付加的ライン抵抗の最大値
図 1-4 アンプの VCC = 13V における付加的ライン抵抗の最大値| デバイス | 主な特長 | リンク | 他の使用可能デバイス | 
|---|---|---|---|
| DAC | |||
| DAC80501 | 5ppm/°C リファレンス内蔵、16 ビット分解能、1LSB INL、シングル チャネル、電圧出力 DAC | WSON パッケージ封止、高精度基準電圧内蔵、真の 16 ビット、1 チャネル、SPI/I2C 対応、電圧出力 DAC | 高精度 DAC (≦ 10MSPS) | 
| DAC81416 | 5ppm/°C リファレンス内蔵、16 ビット分解能、1LSB INL、16 チャネル、±20V の高電圧出力 DAC | 16 チャネル、16 ビット、高電圧出力 DAC、基準電圧内蔵 | |
| DAC80508 | 5ppm/°C リファレンス内蔵、16 ビット分解能、1LSB INL、8 チャネル、電圧出力 DAC | 高精度基準電圧内蔵、真の 16 ビット、8 チャネル、SPI 対応、電圧出力 DAC | |
| オペアンプ | |||
| OPA196 | 低オフセット (100µV)、低ドリフト、レール ツー レール I/O、2.25V~36V 電源 | マルチプレクサ対応入力、シングル、36V、低消費電力、汎用アンプ | オペアンプ | 
| TLV170 | 低コストのレール ツー レール出力、2.7V~36V 電源 | コスト重視アプリケーション向け、シングル、36V、1.2MHz、低消費電力オペアンプ | |
| OPA192 | 高精度、超低オフセット (5µV)、超低ドリフト、レール ツー レール I/O、4.5V~36V 電源 | 高電圧、レール ツー レール入出力、5μV、0.2μV/℃、高精度オペアンプ | |
テキサス・インスツルメンツ、出力検出を備えたプログラム可能な電圧出力回路、ソース ファイル