| 入力 | 出力 | 電源 | ||||
|---|---|---|---|---|---|---|
| ViMin | ViMax | VoMin | VoMax | Vcc | Vee | Vref | 
| -2.0 V | 2.0 V | 0 V | 5 V | 5 V | 0 V | 2.5 V | 
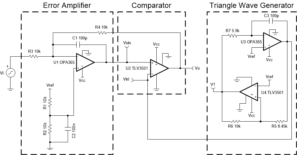
この回路は、三角波ジェネレータとコンパレータを活用して、デューティ サイクルが入力電圧に反比例する500kHzのパルス幅変調(PWM)波形を生成します。オペアンプとコンパレータ (U3 および U4) が、2 番目のコンパレータ (U2) の反転入力に印加される三角波を生成します。入力電圧は、U2 の非反転入力に印加されます。入力波形を三角波と比較して、PWM 波形が生成されます。出力波形の精度と線形性を高めるため、U2 はエラー アンプ (U1) の帰還ループ内に配置されます。

DC シミュレーション結果


テキサス・インスツルメンツ、PWM ジェネレータ回路のシミュレーション、SPICE 回路シミュレーション ファイル
テキサス・インスツルメンツ、アナログ PWM ジェネレータ、5V、500kHz PWM 出力、リファレンス デザイン
| OPA2365 | |
|---|---|
| Vss | 2.2V~5.5V | 
| VinCM | レール ツー レール | 
| Vout | レール ツー レール | 
| Vos | 100µV | 
| Iq | 4.6mA | 
| Ib | 2pA | 
| UGBW | 50 MHz | 
| SR | 25V/µs | 
| チャネル数 | 2 | 
| OPA2365 | |
| TLV3502 | |
|---|---|
| Vss | 2.2V~5.5V | 
| VinCM | レール ツー レール | 
| Vout | レール ツー レール | 
| Vos | 1 mV | 
| Iq | 3.2mA | 
| Ib | 2pA | 
| UGBW | — | 
| SR | — | 
| チャネル数 | 2 | 
| TLV3502 | |
| OPA2353 | |
|---|---|
| Vss | 2.7V~5.5V | 
| VinCM | レール ツー レール | 
| Vout | レール ツー レール | 
| Vos | 3 mV | 
| Iq | 5.2mA | 
| Ib | 0.5pA | 
| UGBW | 44 MHz | 
| SR | 22V/µs | 
| チャネル数 | 2 | 
| OPA2352 | |
All trademarks are the property of their respective owners.