JAJSD33 April   2017 CSD87313DMS

PRODUCTION DATA.  

  1. 1特長
  2. 2アプリケーション
  3. 3概要
  4. 4改訂履歴
  5. 5 Specifications
    1. 5.1 Electrical Characteristics
    2. 5.2 Thermal Information
    3. 5.3 Typical MOSFET Characteristics
  6. 6デバイスおよびドキュメントのサポート
    1. 6.1 ドキュメントの更新通知を受け取る方法
    2. 6.2 コミュニティ・リソース
    3. 6.3 商標
    4. 6.4 静電気放電に関する注意事項
    5. 6.5 Glossary
  7. 7メカニカル、パッケージ、および注文情報
    1. 7.1 DMSパッケージの寸法
    2. 7.2 推奨されるPCBパターン
    3. 7.3 推奨されるステンシル開口部

パッケージ・オプション

デバイスごとのパッケージ図は、PDF版データシートをご参照ください。

メカニカル・データ(パッケージ|ピン)
  • DMS|8
サーマルパッド・メカニカル・データ
発注情報

特長

  • 低いソース間オン抵抗
  • デュアル共通ドレインNチャネルMOSFET
  • 5Vゲートの駆動に最適化
  • 低いQgおよびQgd
  • 低い熱抵抗
  • アバランシェ定格
  • 鉛フリーの端子メッキ処理
  • RoHS準拠
  • ハロゲン不使用
  • SON 3.3mm×3.3mmプラスチック・パッケージ

アプリケーション

  • USB Type-C™および電力供給(PD) VBus保護
  • バッテリ保護
  • ロード・スイッチ

概要

CSD87313DMSは30Vの共通ドレイン、デュアルNチャネル・デバイスで、USB Type-C/PDおよびバッテリ保護用に設計されています。このSON 3.3mm×3.3mmデバイスはソース間のオン抵抗が低いため損失が最小化され、部品数が少なくなるため、スペースの制約があるアプリケーションに適しています。

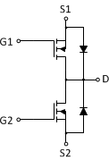
回路図
CSD87313DMS Schematic.gif

製品概要

TA = 25°C 単位
VS1S2 ソース1-ソース2間電圧 30 V
Qg ゲートの合計電荷(4.5V) 28 nC
Qgd ゲート電荷、ゲート-ドレイン間 6.0 nC
RS1S2(on) ソース1-ソース2間最大オン抵抗 VGS = 2.5V 9.6
VGS = 4.5V 5.5
VGS(th) スレッショルド電圧 0.9 V

製品情報(1)

デバイス 数量 メディア パッケージ 出荷
CSD87313DMS 2500 13インチ・リール SON
3.30mm×3.30mm
プラスチック・パッケージ
テープ・アンド・リール
CSD87313DMST 250 7インチ・リール
  1. 提供されているすべてのパッケージについては、巻末の注文情報を参照してください。

絶対最大定格

TA = 25°C (特記のない限り) 単位
VS1S2 ソース1-ソース2間電圧 30 V
VGS ゲート-ソース間電圧(1) ±10 V
IS1S2 連続ソース電流(2) 17 A
ISM パルス・ソース電流、TA = 25℃(2)(3) 120 A
PD 消費電力(2) 2.7 W
消費電力(4) 1
TJ、Tstg 動作時の接合部、
保管温度
–55~150 °C
EAS アバランシェ・エネルギー、単一パルス、
ID = 37A、L = 0.1mH、RG = 25Ω
67 mJ
  1. VG1S1は±10V、VG2S2は±10Vを超えないこと
  2. 0.06in (1.52mm)厚のFR4 PCB上の面積1in2 (6.45cm2)、2oz (0.071mm)厚のCuパッドで、標準RθJA = 45℃/Wの場合
  3. デューティ・サイクル ≤ 2%、パルス期間 ≤ 300µs
  4. 最低2ozのCUパッド上で、標準RθJA = 125℃/Wの場合

RS1S2(ON)とVGSとの関係

CSD87313DMS D007_SLPS634.gif

ゲート電荷

CSD87313DMS D004_SLPS634_FP.gif