JAJSCR2 December   2016 CSD18543Q3A

PRODUCTION DATA.  

  1. 1特長
  2. 2アプリケーション
  3. 3概要
  4. 4改訂履歴
  5. 5Specifications
    1. 5.1 Electrical Characteristics
    2. 5.2 Thermal Information
    3. 5.3 Typical MOSFET Characteristics
  6. 6デバイスおよびドキュメントのサポート
    1. 6.1 ドキュメントの更新通知を受け取る方法
    2. 6.2 コミュニティ・リソース
    3. 6.3 商標
    4. 6.4 静電気放電に関する注意事項
    5. 6.5 用語集
  7. 7メカニカル、パッケージ、および注文情報
    1. 7.1 Q3Aパッケージの寸法
    2. 7.2 Q3Aの推奨PCBパターン
    3. 7.3 Q3Aの推奨ステンシル・パターン
    4. 7.4 Q3Aのテープ・アンド・リール情報

パッケージ・オプション

デバイスごとのパッケージ図は、PDF版データシートをご参照ください。

メカニカル・データ(パッケージ|ピン)
  • DNH|8
サーマルパッド・メカニカル・データ
発注情報

特長

  • 非常に低いQgおよびQgd
  • 低いRDS(on)
  • 低い熱抵抗
  • アバランシェ定格
  • 鉛不使用
  • RoHS準拠
  • ハロゲン不使用
  • SON 3.3mm×3.3mmプラスチック・パッケージ

アプリケーション

  • ソリッドステート・リレー・スイッチ
  • DC/DC変換
  • 2次側同期整流
  • 絶縁コンバータの1次側スイッチ
  • モータ制御

概要

この60V、8.1mΩ、SON 3.3mm×3.3mm NexFET™パワーMOSFETは、電力変換アプリケーションにおいて損失を最小限に抑えるよう設計されています。

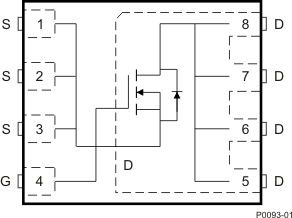
上面図
CSD18543Q3A P0093-01_LPS198.gif

 .

 .

製品概要

TA = 25°C 標準値 単位
VDS ドレイン-ソース間電圧 60 V
Qg 総ゲート電荷量(10V) 11.1 nC
Qgd ゲート-ドレイン間ゲート電荷量 1.7 nC
RDS(on) ドレイン-ソース間オン抵抗 VGS = 4.5V 12.0
VGS = 10V 8.1
VGS(th) スレッショルド電圧 2.0 V

製品情報(1)

デバイス メディア 数量 パッケージ 出荷
CSD18543Q3A 13インチ・リール 2500 SON
3.30mm×3.30mm
プラスチック・パッケージ
テープ・アンド・リール
CSD18543Q3AT 7インチ・リール 250
  1. 提供されているすべてのパッケージについては、巻末の注文情報を参照してください。

絶対最大定格

TA = 25°C 単位
VDS ドレイン-ソース間電圧 60 V
VGS ゲート-ソース間電圧 ±20 V
ID 連続ドレイン電流(パッケージ制限) 35 A
連続ドレイン電流(シリコン制限)、TC = 25°C 60
連続ドレイン電流(1) 12
IDM パルス・ドレイン電流(2) 156 A
PD 消費電力(1) 2.8 W
消費電力、TC = 25°C 66
TJ
Tstg
動作時の接合部、
保管温度
–55~150 °C
EAS アバランシュ・エネルギー、単一パルス
ID = 33A、L = 0.1mH、RG = 25Ω
55 mJ
  1. 厚さ0.06inのFR4 PCB上に構築された面積1in2、2オンスのCuパッド上で、標準値RθJA = 45℃/W
  2. 最大RθJC = 1.9℃/W、パルス期間 ≤ 100μs、デューティ・サイクル ≤ 1%

RDS(on)とVGSとの関係

CSD18543Q3A D007_SLPS633.gif

ゲート電荷

CSD18543Q3A D004_SLPS633_FP.gif