SBOS247C June   2002  – November 2015 INA217

PRODUCTION DATA.  

  1. Features
  2. Applications
  3. Description
  4. Revision History
  5. Pin Configuration and Functions
  6. Specifications
    1. 6.1 Absolute Maximum Ratings
    2. 6.2 ESD Ratings
    3. 6.3 Recommended Operating Conditions
    4. 6.4 Thermal Information
    5. 6.5 Electrical Characteristics: VS = ±15 V
    6. 6.6 Typical Characteristics
  7. Detailed Description
    1. 7.1 Overview
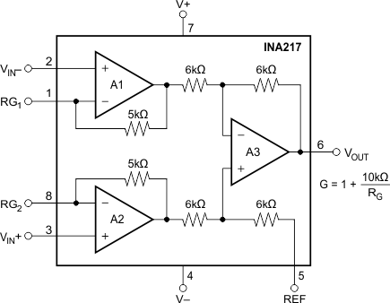
    2. 7.2 Functional Block Diagram
    3. 7.3 Feature Description
      1. 7.3.1 Basic Connections
      2. 7.3.2 Gain-Set Resistor
      3. 7.3.3 Noise Performance
      4. 7.3.4 Input Considerations
      5. 7.3.5 Offset Voltage Trim
    4. 7.4 Device Functional Modes
  8. Application and Implementation
    1. 8.1 Application Information
    2. 8.2 Typical Application
      1. 8.2.1 Design Requirements
      2. 8.2.2 Detailed Design Procedure
      3. 8.2.3 Application Curve
  9. Power Supply Recommendations
  10. 10Layout
    1. 10.1 Layout Guidelines
    2. 10.2 Layout Example
  11. 11Device and Documentation Support
    1. 11.1 Device Support
      1. 11.1.1 Development Support
        1. 11.1.1.1 TINA-TI (Free Software Download)
        2. 11.1.1.2 TI Precision Designs
        3. 11.1.1.3 WEBENCH® Filter Designer
    2. 11.2 Documentation Support
      1. 11.2.1 Related Documentation
    3. 11.3 Community Resources
    4. 11.4 Trademarks
    5. 11.5 Electrostatic Discharge Caution
    6. 11.6 Glossary
  12. 12Mechanical, Packaging, and Orderable Information

Package Options

Mechanical Data (Package|Pins)
Thermal pad, mechanical data (Package|Pins)
Orderable Information

1 Features

  • Low Noise: 1.3 nV/√Hz at 1 kHz
  • Low THD+N: 0.004% at 1 kHz, G = 100
  • Wide Bandwidth: 800 kHz at G = 100
  • Wide Supply Range: ±4.5 V to ±18 V
  • High CMR: > 100 dB
  • Gain Set With External Resistor
  • DIP-8 and SOL-16 Widebody Packages

2 Applications

  • Professional Microphone Preamps
  • Moving-coil Transducer Amplifiers
  • Differential Receivers
  • Bridge Transducer Amplifiers

3 Description

The INA217 device is a low-noise, low-distortion, monolithic instrumentation amplifier. Current-feedback circuitry allows the INA217 device to achieve wide bandwidth and excellent dynamic response over a wide range of gain. The INA217 device is ideal for low-level audio signals such as balanced low-impedance microphones. Many industrial, instrumentation, and medical applications also benefit from its low noise and wide bandwidth.

Unique distortion cancellation circuitry reduces distortion to extremely low levels, even in high gain. The INA217 device provides near-theoretical noise performance for 200-Ω source impedance. The INA217 device features differential input, low noise, and low distortion that provides superior performance in professional microphone amplifier applications.

The INA217device features wide supply voltage, excellent output voltage swing, and high output current drive, making it an optimal candidate for use in high-level audio stages.

The INA217 device is available in the same DIP-8 and SOL-16 wide body packages and pinouts as the SSM2017. For a smaller package, see the INA163 device in SO-14 narrow. The INA217 device is specified over the temperature range of –40°C to 85°C.

Device Information(1)

PART NUMBER PACKAGE BODY SIZE (NOM)
INA217 SOIC (16) 10.30 mm × 7.50 mm
PDIP (8) 9.81 mm × 6.35 mm
  1. For all available packages, see the orderable addendum at the end of the data sheet.

Simplified Schematic

INA217 first_page_sbos247.gif