SLPS350A February   2014  – January 2017 CSD87333Q3D

PRODUCTION DATA.  

  1. Features
  2. Applications
  3. Description
  4. Revision History
  5. Specifications
    1. 5.1 Absolute Maximum Ratings
    2. 5.2 Recommended Operating Conditions
    3. 5.3 Power Block Performance
    4. 5.4 Thermal Information
    5. 5.5 Electrical Characteristics
    6. 5.6 Typical Power Block Device Characteristics
    7. 5.7 Typical Power Block MOSFET Characteristics
  6. Applications
    1. 6.1 Power Loss Curves
    2. 6.2 Safe Operating Area (SOA) Curves
    3. 6.3 Normalized Curves
    4. 6.4 Calculating Power Loss and SOA
      1. 6.4.1 Design Example
      2. 6.4.2 Calculating Power Loss
      3. 6.4.3 Calculating SOA Adjustments
  7. Recommended PCB Design Overview
    1. 7.1 Electrical Performance
  8. Thermal Performance
  9. Device and Documentation Support
    1. 9.1 Receiving Notification of Documentation Updates
    2. 9.2 Community Resources
    3. 9.3 Trademarks
    4. 9.4 Electrostatic Discharge Caution
    5. 9.5 Glossary
  10. 10Mechanical, Packaging, and Orderable Information
    1. 10.1 Q3D Package Dimensions
    2. 10.2 Pinout Configuration
    3. 10.3 Land Pattern Recommendation
    4. 10.4 Stencil Recommendation
    5. 10.5 Q3D Tape and Reel Information

Package Options

Mechanical Data (Package|Pins)
Thermal pad, mechanical data (Package|Pins)
Orderable Information

Features

  • Half-Bridge Power Block
  • Optimized for High-Duty Cycle
  • Up to 24 Vin
  • 94.7% System Efficiency at 8 A
  • 1.5 W PLoss at 8 A
  • Up to 15-A Operation
  • High-Frequency Operation (up to 1.5 MHz)
  • High-Density SON 3.3-mm × 3.3-mm Footprint
  • Optimized for 5-V Gate Drive
  • Low-Switching Losses
  • Ultra-Low Inductance Package
  • RoHS Compliant
  • Halogen Free
  • Lead-Free Terminal Plating

Applications

  • Synchronous Buck Converters
    • High-Frequency Applications
    • High-Duty Cycle Applications
  • Synchronous Boost Converters
  • POL DC-DC Converters

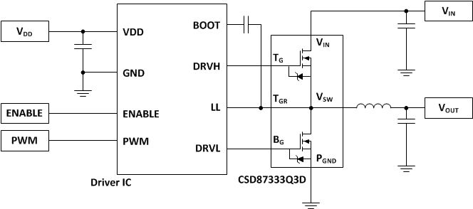
Description

The CSD87333Q3D NexFET™ power block is an optimized design for synchronous buck and boost applications offering high-current, high-efficiency, and high-frequency capability in a small 3.3-mm × 3.3-mm outline. Optimized for 5-V gate drive applications, this product offers a flexible solution in high-duty cycle applications when paired with an external controller or driver.

.

Top View

CSD87333Q3D P0116-01_LPS223.gif

Device Information(1)

DEVICE MEDIA QTY PACKAGE SHIP
CSD87333Q3D 13-Inch Reel 2500 SON
3.30-mm × 3.30-mm
Plastic Package
Tape and Reel
CSD87333Q3DT 7-Inch Reel 250
  1. For all available packages, see the orderable addendum at the end of the data sheet.

.

.

Typical Circuit

CSD87333Q3D Front_Page3.gif

Typical Power Block Efficiency and Power Loss

CSD87333Q3D front_page_SLPS350.png