SLPS476A June   2014  – May 2017 CSD18509Q5B

PRODUCTION DATA.  

  1. 1Features
  2. 2Applications
  3. 3Description
  4. 4Revision History
  5. 5Specifications
    1. 5.1 Electrical Characteristics
    2. 5.2 Thermal Information
    3. 5.3 Typical MOSFET Characteristics
  6. 6Device and Documentation Support
    1. 6.1 Receiving Notification of Documentation Updates
    2. 6.2 Community Resources
    3. 6.3 Trademarks
    4. 6.4 Electrostatic Discharge Caution
    5. 6.5 Glossary
  7. 7Mechanical, Packaging, and Orderable Information
    1. 7.1 Q5B Package Dimensions
    2. 7.2 Recommended PCB Pattern
    3. 7.3 Recommended Stencil Pattern
    4. 7.4 Q5B Tape and Reel Information

Package Options

Refer to the PDF data sheet for device specific package drawings

Mechanical Data (Package|Pins)
  • DNK|8
Thermal pad, mechanical data (Package|Pins)
Orderable Information

Features

  • Ultra-Low On Resistance
  • Low Thermal Resistance
  • Avalanche Rated
  • Logic Level
  • Pb Free Terminal Plating
  • RoHS Compliant
  • Halogen Free
  • SON 5-mm × 6-mm Plastic Package

Applications

  • DC-DC Conversion
  • Secondary Side Synchronous Rectifier
  • Motor Control

Description

This 40 V, 1 mΩ, SON 5 x 6 NexFET™ power MOSFET has been designed to minimize losses in power conversion applications.

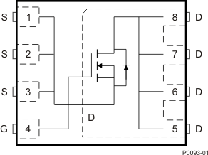
Top View
CSD18509Q5B P0093-01_LPS198.gif

Product Summary

TA = 25°C TYPICAL VALUE UNIT
VDS Drain-to-Source Voltage 40 V
Qg Gate Charge Total (10 V) 150 nC
Qgd Gate Charge Gate to Drain 17 nC
RDS(on) Drain-to-Source On Resistance VGS = 4.5 V 1.3
VGS = 10 V 1.0
VGS(th) Threshold Voltage 1.8 V

Ordering Information(1)

Device Qty Media Package Ship
CSD18509Q5B 2500 13-Inch Reel SON 5 × 6 mm Plastic Package Tape and Reel
CSD18509Q5BT 250 7-Inch Reel
  1. For all available packages, see the orderable addendum at the end of the data sheet.

Absolute Maximum Ratings

TA = 25°C VALUE UNIT
VDS Drain-to-Source Voltage 40 V
VGS Gate-to-Source Voltage ±20 V
ID Continuous Drain Current (Package limited) 100 A
Continuous Drain Current (Silicon limited), TC = 25°C 299
Continuous Drain Current(1) 38
IDM Pulsed Drain Current, TA = 25°C(2) 400 A
PD Power Dissipation(1) 3.1 W
Power Dissipation, TC = 25°C 195
TJ,
Tstg
Operating Junction and
Storage Temperature Range
–55 to 150 °C
EAS Avalanche Energy, single pulse
ID = 83, L = 0.1 mH, RG = 25 Ω
345 mJ
  1. Typical RθJA = 40°C/W on a 1-inch2, 2-oz. Cu pad on a
    0.06-inch thick FR4 PCB.
  2. Max RθJC = 0.8°C/W, Pulse duration ≤100 μs, duty cycle ≤1%

RDS(on) vs VGS

CSD18509Q5B graph07_SLPS476.png

Gate Charge

CSD18509Q5B graph04_frontpage_SLPS476.png