SLPS630 September   2016 CSD17581Q5A

PRODUCTION DATA.  

  1. 1Features
  2. 2Applications
  3. 3Description
  4. 4Revision History
  5. 5Specifications
    1. 5.1 Electrical Characteristics
    2. 5.2 Thermal Information
    3. 5.3 Typical MOSFET Characteristics
  6. 6Device and Documentation Support
    1. 6.1 Receiving Notification of Documentation Updates
    2. 6.2 Community Resources
    3. 6.3 Trademarks
    4. 6.4 Electrostatic Discharge Caution
    5. 6.5 Glossary
  7. 7Mechanical, Packaging, and Orderable Information
    1. 7.1 Q5A Package Dimensions
    2. 7.2 Recommended PCB Pattern
    3. 7.3 Recommended Stencil Opening
    4. 7.4 Q5A Tape and Reel Information

Package Options

Mechanical Data (Package|Pins)
Thermal pad, mechanical data (Package|Pins)
Orderable Information

1 Features

  • Low Qg and Qgd
  • Low RDS(on)
  • Low Thermal Resistance
  • Avalanche Rated
  • Lead-Free Terminal Plating
  • RoHS Compliant
  • Halogen Free
  • SON 5-mm × 6-mm Plastic Package

2 Applications

  • Point-of-Load Synchronous Buck Converter for Applications in Networking, Telecom, and Computing Systems
  • Optimized for Control FET Applications

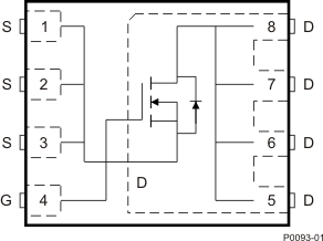
3 Description

This 30-V, 2.9-mΩ, SON 5-mm × 6-mm NexFET™ power MOSFET is designed to minimize losses in power conversion applications.

Top View
CSD17581Q5A P0093-01_LPS198.gif

 .

 .

Product Summary

TA = 25°C TYPICAL VALUE UNIT
VDS Drain-to-Source Voltage 30 V
Qg Gate Charge Total (4.5 V) 20 nC
Qgd Gate Charge Gate to Drain 4 nC
RDS(on) Drain-to-Source On-Resistance VGS = 4.5 V 3.5
VGS = 10 V 2.9
VGS(th) Threshold Voltage 1.3 V

.
Device Information(1)

DEVICE MEDIA QTY PACKAGE SHIP
CSD17581Q5A 13-Inch Reel 2500 SON
5.00 × 6.00 mm
Plastic Package
Tape and Reel
CSD17581Q5AT 7-Inch Reel 250
  1. For all available packages, see the orderable addendum at the end of the data sheet.

Absolute Maximum Ratings

TA = 25°C VALUE UNIT
VDS Drain-to-Source Voltage 30 V
VGS Gate-to-Source Voltage ±20 V
ID Continuous Drain Current (Package Limited) 60 A
Continuous Drain Current (Silicon Limited), TC = 25°C 123
Continuous Drain Current(1) 24
IDM Pulsed Drain Current(2) 256 A
PD Power Dissipation(1) 3.1 W
Power Dissipation, TC = 25°C 83
TJ,
Tstg
Operating Junction Temperature,
Storage Temperature
–55 to 150 °C
EAS Avalanche Energy, Single Pulse
ID = 39 A, L = 0.1 mH, RG = 25 Ω
76 mJ
  1. Typical RθJA = 40°C/W on a 1-in2, 2-oz Cu pad on a
    0.06-in thick FR4 PCB.
  2. Max RθJC = 1.5°C/W, pulse duration ≤100 μs, duty cycle ≤1%

RDS(on) vs VGS

CSD17581Q5A D007_SLPS630.gif

Gate Charge

CSD17581Q5A D004_SLPS630_FP.gif