SLPS524 March 2015 CSD17579Q5A
PRODUCTION DATA.
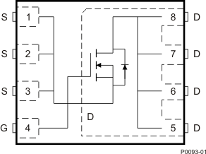
Refer to the PDF data sheet for device specific package drawings
This 30 V, 8.4 mΩ, SON 5 mm x 6mm NexFET™ power MOSFET is designed to minimize losses in power conversion applications.

| TA = 25°C | TYPICAL VALUE | UNIT | ||
|---|---|---|---|---|
| VDS | Drain-to-Source Voltage | 30 | V | |
| Qg | Gate Charge Total (4.5 V) | 5.4 | nC | |
| Qgd | Gate Charge Gate-to-Drain | 1.2 | nC | |
| RDS(on) | Drain-to-Source On-Resistance | VGS = 4.5 V | 11.6 | mΩ |
| VGS = 10 V | 8.4 | mΩ | ||
| VGS(th) | Threshold Voltage | 1.5 | V | |
| Device | Media | Qty | Package | Ship |
|---|---|---|---|---|
| CSD17579Q5A | 13-Inch Reel | 2500 | SON 5 x 6 mm Plastic Package |
Tape and Reel |
| CSD17579Q5AT | 7-Inch Reel | 250 |
| TA = 25°C | VALUE | UNIT | |
|---|---|---|---|
| VDS | Drain-to-Source Voltage | 30 | V |
| VGS | Gate-to-Source Voltage | ±20 | V |
| ID | Continuous Drain Current (Package limited) | 25 | A |
| Continuous Drain Current (Silicon limited), TC = 25°C | 46 | ||
| Continuous Drain Current(1) | 14 | ||
| IDM | Pulsed Drain Current(2) | 105 | A |
| PD | Power Dissipation(1) | 3.1 | W |
| Power Dissipation, TC = 25°C | 36 | ||
| TJ, Tstg |
Operating Junction and Storage Temperature Range |
–55 to 150 | °C |
| EAS | Avalanche Energy, single pulse ID = 17 A, L = 0.1 mH |
14.5 | mJ |
RDS(on) vs VGS![]() |
Gate Charge![]() |