SLPS496A July   2014  – May 2017 CSD16570Q5B

PRODUCTION DATA.  

  1. 1Features
  2. 2Applications
  3. 3Description
  4. 4Revision History
  5. 5Specifications
    1. 5.1 Electrical Characteristics
    2. 5.2 Thermal Information
    3. 5.3 Typical MOSFET Characteristics
  6. 6Device and Documentation Support
    1. 6.1 Receiving Notification of Documentation Updates
    2. 6.2 Community Resources
    3. 6.3 Trademarks
    4. 6.4 Electrostatic Discharge Caution
    5. 6.5 Glossary
  7. 7Mechanical, Packaging, and Orderable Information
    1. 7.1 Q5B Package Dimensions
    2. 7.2 Recommended PCB Pattern
    3. 7.3 Recommended Stencil Pattern
    4. 7.4 Q5B Tape and Reel Information

Package Options

Refer to the PDF data sheet for device specific package drawings

Mechanical Data (Package|Pins)
  • DNK|8
Thermal pad, mechanical data (Package|Pins)
Orderable Information

Features

  • Extremely Low Resistance
  • Low Qg and Qgd
  • Low Thermal Resistance
  • Avalanche Rated
  • Pb Free Terminal Plating
  • RoHS Compliant
  • Halogen Free
  • SON 5-mm × 6-mm Plastic Package

Applications

  • ORing and Hot Swap Applications

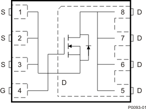
Description

This 25 V, 0.49 mΩ, SON 5 × 6 mm NexFET™ power MOSFET is designed to minimize resistance for ORing and hot swap applications and is not designed for switching applications.

Top Icon
CSD16570Q5B P0093-01_LPS198.gif

.

.

Product Summary

TA = 25°C TYPICAL VALUE UNIT
VDS Drain-to-Source Voltage 25 V
Qg Gate Charge Total (4.5 V) 95 nC
Qgd Gate Charge Gate-to-Drain 31 nC
RDS(on) Drain-to-Source On-Resistance VGS = 4.5 V 0.68
VGS = 10 V 0.49
VGS(th) Threshold Voltage 1.5 V

Ordering Information(1)

Device Qty Media Package Ship
CSD16570Q5B 2500 13-Inch Reel SON 5 × 6 mm Plastic Package Tape and Reel
CSD16570Q5BT 250 7-Inch Reel
  1. For all available packages, see the orderable addendum at the end of the data sheet.

Absolute Maximum Ratings

TA = 25°C VALUE UNIT
VDS Drain-to-Source Voltage 25 V
VGS Gate-to-Source Voltage ±20 V
ID Continuous Drain Current (Package limited) 100 A
Continuous Drain Current (Silicon limited), TC = 25°C 456
Continuous Drain Current(1) 59
IDM Pulsed Drain Current(2) 400 A
PD Power Dissipation(1) 3.2 W
Power Dissipation, TC = 25°C 195
TJ,
Tstg
Operating Junction and
Storage Temperature Range
–55 to 150 °C
EAS Avalanche Energy, single pulse
ID = 98 A, L = 0.1 mH, RG = 25 Ω
480 mJ
  1. Typical RθJA = 40°C/W on a 1-inch2 , 2-oz. Cu pad on a
    0.06-inch thick FR4 PCB.
  2. Max RθJC = 0.8°C/W, Pulse duration ≤ 100 μs, duty cycle ≤1%

RDS(on) vs VGS

CSD16570Q5B graph07_SLPS496.png

Gate Charge

CSD16570Q5B graph04_frontpage_SLPS496.png