SLPS371A December   2011  – September 2016 CSD16327Q3

PRODUCTION DATA.  

  1. 1Features
  2. 2Applications
  3. 3Description
  4. 4Revision History
  5. 5Specifications
    1. 5.1 Electrical Characteristics
    2. 5.2 Thermal Information
    3. 5.3 Typical MOSFET Characteristics
  6. 6Device and Documentation Support
    1. 6.1 Receiving Notification of Documentation Updates
    2. 6.2 Community Resources
    3. 6.3 Trademarks
    4. 6.4 Electrostatic Discharge Caution
    5. 6.5 Glossary
  7. 7Mechanical, Packaging, and Orderable Information
    1. 7.1 Q3 Package Dimensions
    2. 7.2 Recommended PCB Pattern
    3. 7.3 Recommended Stencil Opening
    4. 7.4 Q3 Tape and Reel Information

Package Options

Refer to the PDF data sheet for device specific package drawings

Mechanical Data (Package|Pins)
  • DQG|8
Thermal pad, mechanical data (Package|Pins)
Orderable Information

1 Features

  • Optimized for 5-V Gate Drive
  • Ultra-Low Qg and Qgd
  • Low Thermal Resistance
  • Avalanche Rated
  • Lead-Free Terminal Plating
  • RoHS Compliant
  • Halogen Free
  • SON 3.3-mm × 3.3-mm Plastic Package

2 Applications

  • Point-of-Load Synchronous Buck Converter for Applications in Networking, Telecom and Computing Systems
  • Optimized for Control or Synchronous FET Applications

3 Description

This 25-V, 3.4-mΩ, SON 3.3-mm × 3.3-mm NexFET™ power MOSFET has been designed to minimize losses in power conversion and optimized for 5-V gate drive applications.

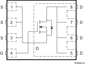
Top View
CSD16327Q3 p0095-01_lps202.gif

Product Summary

TA = 25°C TYPICAL VALUE UNIT
VDS Drain-to-Source Voltage 25 V
Qg Gate Charge Total (4.5 V) 6.2 nC
Qgd Gate Charge Gate-to-Drain 1.1 nC
RDS(on) Drain-to-Source On-Resistance VGS = 3 V 5
VGS = 4.5 V 4
VGS = 8 V 3.4
VGS(th) Threshold Voltage 1.2 V

.
Device Information(1)

DEVICE MEDIA QTY PACKAGE SHIP
CSD16327Q3 13-Inch Reel 2500 SON
3.30-mm × 3.30-mm
Plastic Package
Tape and Reel
CSD16327Q3T 7-Inch Reel 250
  1. For all available packages, see the orderable addendum at the end of the data sheet.

Absolute Maximum Ratings

TA = 25°C VALUE UNIT
VDS Drain-to-Source Voltage 25 V
VGS Gate-to-Source Voltage +10 / –8 V
ID Continuous Drain Current (Package Limited) 60 A
Continuous Drain Current (Silicon Limited), TC = 25°C 112
Continuous Drain Current(1) 22
IDM Pulsed Drain Current(2) 240 A
PD Power Dissipation(1) 2.8 W
Power Dissipation, TC = 25°C 74
TJ,
Tstg
Operating Junction Temperature,
Storage Temperature
–55 to 150 °C
EAS Avalanche Energy, Single Pulse
ID = 50 A, L = 0.1 mH, RG = 25 Ω
125 mJ
  1. Typical RθJA = 45°C/W on 1-in2 Cu (2 oz) on 0.06-in thick FR4 PCB.
  2. Max RθJC = 1.7°C/W pulse width ≤100 μs, duty cycle ≤1%.

RDS(on) vs VGS

CSD16327Q3 D007_SLPS371.gif

Gate Charge

CSD16327Q3 D004_SLPS371_FP.gif