ZHCSD50D December   2014  – February 2017 TPS62170-Q1 , TPS62171-Q1 , TPS62172-Q1

PRODUCTION DATA.  

  1. 特性
  2. 应用
  3. 说明
  4. 修订历史记录
  5. Device Comparison Table
  6. Pin Configuration and Functions
  7. Specifications
    1. 7.1 Absolute Maximum Ratings
    2. 7.2 ESD Ratings
    3. 7.3 Recommended Operating Conditions
    4. 7.4 Thermal Information
    5. 7.5 Electrical Characteristics
    6. 7.6 Typical Characteristics
  8. Detailed Description
    1. 8.1 Overview
    2. 8.2 Functional Block Diagram
    3. 8.3 Feature Description
      1. 8.3.1 Enable / Shutdown (EN)
      2. 8.3.2 Softstart
      3. 8.3.3 Power Good (PG)
      4. 8.3.4 Under Voltage Lockout (UVLO)
      5. 8.3.5 Thermal Shutdown
    4. 8.4 Device Functional Modes
      1. 8.4.1 Pulse Width Modulation (PWM) Operation
      2. 8.4.2 Power Save Mode Operation
      3. 8.4.3 100% Duty-Cycle Operation
      4. 8.4.4 Current Limit and Short Circuit Protection
      5. 8.4.5 Operation Above TJ = 125°C
  9. Application and Implementation
    1. 9.1 Application Information
    2. 9.2 Typical TPS62170-Q1 Application
      1. 9.2.1 Design Requirements
      2. 9.2.2 Detailed Design Procedure
        1. 9.2.2.1 Custom Design With WEBENCH® Tools
        2. 9.2.2.2 Programming the Output Voltage
        3. 9.2.2.3 External Component Selection
          1. 9.2.2.3.1 Inductor Selection
          2. 9.2.2.3.2 Capacitor Selection
            1. 9.2.2.3.2.1 Output Capacitor
            2. 9.2.2.3.2.2 Input Capacitor
        4. 9.2.2.4 Output Filter and Loop Stability
      3. 9.2.3 Application Performance Plots
    3. 9.3 System Examples
      1. 9.3.1 Inverting Power Supply
      2. 9.3.2 Various Output Voltages
  10. 10Power Supply Recommendations
  11. 11Layout
    1. 11.1 Layout Guidelines
    2. 11.2 Layout Example
    3. 11.3 Thermal Considerations
  12. 12器件和文档支持
    1. 12.1 器件支持
      1. 12.1.1 开发支持
        1. 12.1.1.1 使用 WEBENCH® 工具定制设计方案
      2. 12.1.2 Third-Party Products Disclaimer
    2. 12.2 文档支持
      1. 12.2.1 相关文档 
    3. 12.3 相关链接
    4. 12.4 商标
    5. 12.5 静电放电警告
    6. 12.6 接收文档更新通知
    7. 12.7 社区资源
    8. 12.8 Glossary
  13. 13机械、封装和可订购信息

封装选项

机械数据 (封装 | 引脚)
散热焊盘机械数据 (封装 | 引脚)
订购信息

特性

  • DCS-Control™拓扑
  • 适用于汽车电子 应用
  • 具有符合 AEC-Q100 标准的下列结果:
    • 器件温度等级:-40°C 至 125°C 的运行结温范围
    • 器件人体放电模式 (HBM) 静电放电 (ESD) 分类等级 H2
    • 器件组件充电模式 (CDM) ESD 分类等级 C4B
  • 输入电压范围:3V 至 17V
  • 输出电流高达 500mA
  • 可调输出电压范围为 0.9V 至 6V
  • 固定输出电压版本
  • 无缝省电模式转换
  • 静态电流典型值为 17µA
  • 电源正常输出
  • 100% 占空比模式
  • 短路保护
  • 过热保护
  • TPS62160-Q1 引脚对引脚兼容
  • 采用 2 × 2mm WSON-8 封装
  • 借助 WEBENCH® 电源设计器并使用 TPS62170-Q1 创建定制设计方案

应用

  • 汽车类 12V 导轨式电源
  • 同轴电缆供电 POL 电源
  • 摄像机模块、视频模块
  • 低压降稳压器 (LDO)

说明

TPS6217x-Q1 系列是一款简单易用的同步降压直流/直流转换器,针对 高功率密度的应用 进行了优化。该器件的开关频率典型值高达 2.25MHz,允许使用小型电感,利用 DCS-Control™ 拓扑技术提供快速瞬态响应并实现高输出电压精度。

此器件具有 3V 至 17V 宽运行输入电压范围,非常适用于由锂离子或其它电池以及 12V 中间电源轨供电的系统。其输出电压为 0.9V 至 6V,支持高达 0.5A 的持续输出电流(使用 100% 占空比模式)。

通过配置使能引脚和开漏电源正常状态引脚也可以实现电源排序。

在节能模式下,器件可根据输入电压 (VIN) 生成约 17μA 的静态电流。负载较小时可自动且无缝进入节能模式,同时该模式可保持整个负载范围内的高效率。在关断模式下,此器件会关闭且关断期间的流耗少于 2μA。

此器件分为可调和固定输出电压型号,采用 2mm × 2mm (DSG) 8 引脚 WSON 封装。

器件信息(1)

器件型号 封装 封装尺寸(标称值)
TPS62170-Q1 WSON (8) 2.00mm x 2.00mm
TPS62171-Q1 WSON (8) 2.00mm x 2.00mm
TPS62172-Q1 WSON (8) 2.00mm x 2.00mm
  1. 要了解所有可用封装,请见数据表末尾的可订购产品附录。

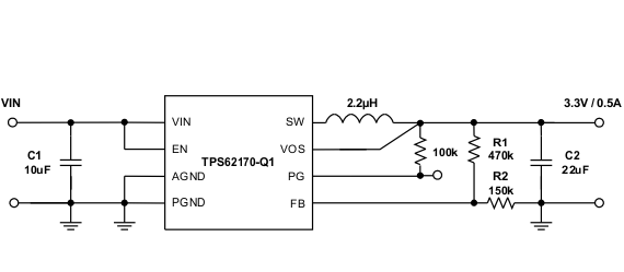
典型应用电路原理图

效率与输出电流间的关系

空白

空白空白
TPS62170-Q1 TPS62171-Q1 TPS62172-Q1 SLVSCK7_typapp.gif
TPS62170-Q1 TPS62171-Q1 TPS62172-Q1 SLVSCK7_eff_lin.gif