SLVS441D December   2002  – December  2014 TPS61042

PRODUCTION DATA.  

  1. Features
  2. Applications
  3. Description
  4. Typical Application
  5. Revision History
  6. Pin Configuration and Functions
  7. Specifications
    1. 7.1 Absolute Maximum Ratings
    2. 7.2 ESD Ratings
    3. 7.3 Recommended Operating Conditions
    4. 7.4 Thermal Information
    5. 7.5 Electrical Characteristics
    6. 7.6 Typical Characteristics
  8. Detailed Description
    1. 8.1 Overview
    2. 8.2 Functional Block Diagram
    3. 8.3 Feature Description
      1. 8.3.1 Boost Converter
      2. 8.3.2 Peak Current Control (Boost Converter)
      3. 8.3.3 Softstart
      4. 8.3.4 Control (CTRL)
      5. 8.3.5 Applying a PWM Signal to the CTRL Pin with an On-Time tp≤2.5µs
    4. 8.4 Device Functional Modes
      1. 8.4.1 Overvoltage Protection (OVP)
      2. 8.4.2 Undervoltage Lockout
      3. 8.4.3 Thermal Shutdown
  9. Application and Implementation
    1. 9.1 Application Information
      1. 9.1.1 Efficiency
      2. 9.1.2 Setting The LED Current
      3. 9.1.3 PWM Control With Separate Enable
      4. 9.1.4 Example Schematics
    2. 9.2 Typical Application
      1. 9.2.1 Design Requirements
      2. 9.2.2 Detailed Design Procedure
        1. 9.2.2.1 Inductor Selection, Maximum Load Current, and Switching Frequency
        2. 9.2.2.2 Output Capacitor Selection and Line Regulation
        3. 9.2.2.3 Input Capacitor Selection
        4. 9.2.2.4 Diode Selection
      3. 9.2.3 Application Curves
  10. 10Power Supply Recommendations
  11. 11Layout
    1. 11.1 Layout Guidelines
    2. 11.2 Layout Example
      1. 11.2.1 Thermal Considerations
  12. 12Device and Documentation Support
    1. 12.1 Device Support
      1. 12.1.1 Third-Party Products Disclaimer
    2. 12.2 Documentation Support
      1. 12.2.1 Related Documentation
    3. 12.3 Trademarks
    4. 12.4 Electrostatic Discharge Caution
    5. 12.5 Glossary
  13. 13Mechanical, Packaging, and Orderable Information

封装选项

请参考 PDF 数据表获取器件具体的封装图。

机械数据 (封装 | 引脚)
  • DRB|8
散热焊盘机械数据 (封装 | 引脚)
订购信息

1 Features

  • Current Source With Overvoltage Protection
  • Input Voltage Range: 1.8 V to 6 V
  • Internal 30 V Switch
  • Up to 85% Efficiency
  • Precise Brightness Control Using PWM Signal or Analog Signal
  • Switching Frequency: Up to 1 MHz
  • Internal Power MOSFET Switch: 500 mA
  • Operates With Small Output Capacitors Down to 100 nF
  • Disconnects LEDs During Shutdown
  • No Load Quiescent Current: 38 µA Typ
  • Shutdown Current: 0.1 µA Typ
  • Available in a Small 3 mm × 3 mm QFN Package

2 Applications

  • White LED Supply for Backlight/Sidelight Displays
    • PDA, Pocket PC, Smart Phones
    • Handheld Devices
    • Cellular Phones

3 Description

The TPS61042 is a high frequency boost converter with constant current output that drives white LEDs or similar. The LED current is set with the external sense resistor (RS) and is directly regulated by the feedback pin (FB) that regulates the voltage across the sense resistor RS to 252 mV (typ). To control LED brightness, the LED current can be pulsed by applying a PWM (pulse width modulated) signal with a frequency range of 100 Hz to 50 kHz to the control pin (CTRL). To allow higher flexibility, the device can be configured where the brightness can be controlled by an analog signal as well, as described in the application information section. To avoid possible leakage currents through the LEDs during shutdown, the control pin (CTRL) disables the device and disconnects the LEDs from ground. For maximum safety during operation, the output has integrated overvoltage protection that prevents damage to the device in case of a high impedance output (e.g. faulty LED).

Device Information(1)

PART NUMBER PACKAGE BODY SIZE (NOM)
TPS61042 SON (8) 3.00 mm × 3.00 mm
  1. For all available packages, see the orderable addendum at the end of the data sheet.

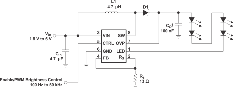
4 Typical Application

TypApp_lvs441.gif
Larger output capacitor values of 1 µF and larger, reduce the LED ripple current and improve line regulation.