ZHCSEW2B March   2016  – December 2017 TPS564208

PRODUCTION DATA.  

  1. 特性
  2. 应用
  3. 说明
  4. 修订历史记录
  5. Pin Configuration and Functions
  6. Specifications
    1. 6.1 Absolute Maximum Ratings
    2. 6.2 ESD Ratings
    3. 6.3 Recommended Operating Conditions
    4. 6.4 Thermal Information
    5. 6.5 Electrical Characteristics
    6. 6.6 Typical Characteristics
  7. Detailed Description
    1. 7.1 Overview
    2. 7.2 Functional Block Diagram
    3. 7.3 Feature Description
      1. 7.3.1 Adaptive On-Time Control and PWM Operation
      2. 7.3.2 Soft Start and Pre-Biased Soft Start
      3. 7.3.3 Current Protection
      4. 7.3.4 Undervoltage Lockout (UVLO) Protection
      5. 7.3.5 Thermal Shutdown
    4. 7.4 Device Functional Modes
      1. 7.4.1 Normal Operation
      2. 7.4.2 Standby Operation
  8. Application and Implementation
    1. 8.1 Application Information
    2. 8.2 Typical Application
      1. 8.2.1 Design Requirements
      2. 8.2.2 Detailed Design Procedure
        1. 8.2.2.1 Custom Design With WEBENCH® Tools
        2. 8.2.2.2 Output Voltage Resistors Selection
        3. 8.2.2.3 Output Filter Selection
        4. 8.2.2.4 Input Capacitor Selection
        5. 8.2.2.5 Bootstrap Capacitor Selection
      3. 8.2.3 Application Curves
  9. Power Supply Recommendations
  10. 10Layout
    1. 10.1 Layout Guidelines
    2. 10.2 Layout Example
  11. 11器件和文档支持
    1. 11.1 开发支持
      1. 11.1.1 使用 WEBENCH® 工具创建定制设计方案
    2. 11.2 接收文档更新通知
    3. 11.3 社区资源
    4. 11.4 商标
    5. 11.5 静电放电警告
    6. 11.6 Glossary
  12. 12机械、封装和可订购信息

封装选项

机械数据 (封装 | 引脚)
散热焊盘机械数据 (封装 | 引脚)
订购信息

特性

  • TPS564208 具有 50mΩ 和 22mΩ 集成场效应晶体管 (FET) 的 4A 转换器
  • D-CAP2™模式控制,具有快速动态响应特性
  • 输入电压范围:4.5V 至 17V
  • 输出电压范围:0.76V 至 7V
  • 连续电流模式
  • 560kHz 开关频率
  • 低关断电流(小于 10µA)
  • 1.6% 反馈电压精度 (25°C)
  • 从预偏置输出电压中启动
  • 逐周期过流限制
  • 断续模式过流保护
  • 非锁存欠压保护 (UVP) 和热关断 (TSD) 保护
  • 固定软启动时间:1.0ms
  • 结合使用 TPS564208 和 WEBENCH® 电源设计器创建定制设计方案

应用

  • 数字电视电源
  • 高清 蓝光™光盘播放器
  • 网络家庭终端设备
  • 数字机顶盒 (STB)
  • 安全监控

说明

TPS564208 是一款采用 SOT-23 封装的简单易用型 4A 同步降压转换器。

该器件经过优化,最大限度地减少了运行所需的外部组件并且可以实现低待机电流。

这些开关模式电源 (SMPS) 器件采用 D-CAP2 模式控制,能够提供快速瞬态响应,并且在无需外部补偿组件的情况下支持诸如高分子聚合物等低等效串联电阻 (ESR) 输出电容以及超低 ESR 陶瓷电容器。

TPS564208 采用 6 引脚 1.6-mm × 2.9-mm SOT (DDC) 封装,额定结温范围为 –40°C 至 125°C。

器件信息(1)

器件型号 封装 封装尺寸(标称值)
TPS564208 DDC (6) 1.60mm x 2.90mm
  1. 如需了解所有可用封装,请参阅产品说明书末尾的可订购产品附录。

空白

空白

空白

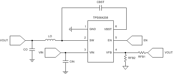
简化原理图

TPS564208 Simplified_Schematic_001_SLVSDG0.gif

TPS564208 效率

TPS564208 D018_SLVSDG0.gif