ZHCS124C MARCH 2011 – January 2015 TPS56221
PRODUCTION DATA.
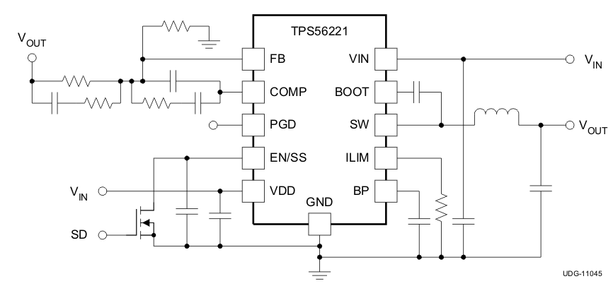
请参考 PDF 数据表获取器件具体的封装图。
TPS56221 器件是一款高效的大电流同步降压转换器,可由 4.5V 至 14V 范围内的电源供电运行。当负载电流高达 25A 时,该器件可产生低至 0.6V 的输出电压。集成的 NexFET™ 功率 MOSFET 尺寸小且易于使用。
该器件可通过电压前馈补偿实施电压模式控制,能够在输入电压变化时立即做出响应。
TPS56221 采用 22 引脚散热增强型 PQFN (DQP) PowerPAD 封装。
该器件支持高度的设计灵活性,可提供各种用户可编程功能,其中包括软启动、过流保护 (OCP) 电平以及环路补偿。 OCP 电平可通过 ILIM 引脚与电路接地之间连接的单个外部电阻进行编程。 在初始上电排序过程中,该器件会进入校准周期,测量 ILIM 引脚电压,并设置内部 OCP 电压。 在工作期间,器件可在通电时通过将可编程 OCP 电压与低侧 FET 两端的压降进行比较来判断是否为过流状况。 之后,器件会进入关断/重启周期,直到故障消除为止。
| 器件型号 | 封装 | 封装尺寸(标称值) |
|---|---|---|
| TPS56221 | LSON-CLIP (22) | 6.00mm × 5.00mm |
