• Menu
  • Product
  • Email
  • PDF
  • Order now
  • 通用数字隔离器评估模块

    • ZHCU822 March   2021 ISO6721 , ISO6721-Q1 , ISO6741 , ISO6741-Q1 , ISO7021 , ISO7041 , ISO7131CC , ISO7140CC , ISO7140FCC , ISO7141CC , ISO7141FCC , ISO7142CC , ISO7142CC-Q1 , ISO721 , ISO721-Q1 , ISO721M , ISO721M-EP , ISO722 , ISO722-Q1 , ISO7220A , ISO7220A-Q1 , ISO7220B , ISO7220C , ISO7220M , ISO7221A , ISO7221A-Q1 , ISO7221B , ISO7221C , ISO7221C-HT , ISO7221C-Q1 , ISO7221M , ISO722M , ISO7230C , ISO7230M , ISO7231C , ISO7231C-Q1 , ISO7231M , ISO7240C , ISO7240CF , ISO7240CF-Q1 , ISO7240M , ISO7241A-EP , ISO7241C , ISO7241C-Q1 , ISO7241M , ISO7242C , ISO7242C-Q1 , ISO7242M , ISO7310-Q1 , ISO7310C , ISO7310FC , ISO7320-Q1 , ISO7320C , ISO7320FC , ISO7321-Q1 , ISO7321C , ISO7321FC , ISO7330-Q1 , ISO7330C , ISO7330FC , ISO7331-Q1 , ISO7331C , ISO7331FC , ISO7340-Q1 , ISO7340C , ISO7340FC , ISO7341-Q1 , ISO7341C , ISO7341FC , ISO7342-Q1 , ISO7342C , ISO7342FC , ISO7420 , ISO7420E , ISO7420FCC , ISO7420FE , ISO7420M , ISO7421 , ISO7421-EP , ISO7421A-Q1 , ISO7421E , ISO7421E-Q1 , ISO7421FE , ISO7520C , ISO7521C , ISO7631FC , ISO7631FM , ISO7640FM , ISO7641FC , ISO7641FM , ISO7710 , ISO7710-Q1 , ISO7720 , ISO7720-Q1 , ISO7721 , ISO7721-Q1 , ISO7730 , ISO7730-Q1 , ISO7731 , ISO7731-Q1 , ISO7740 , ISO7740-Q1 , ISO7741 , ISO7741-Q1 , ISO7741E-Q1 , ISO7742 , ISO7742-Q1 , ISO7760 , ISO7760-Q1 , ISO7761 , ISO7761-Q1 , ISO7762 , ISO7762-Q1 , ISO7763 , ISO7763-Q1 , ISO7810 , ISO7820 , ISO7821 , ISO7830 , ISO7831 , ISO7840 , ISO7841 , ISO7842 , ISOW7821 , ISOW7840 , ISOW7841 , ISOW7841A-Q1 , ISOW7842 , ISOW7843 , ISOW7844

       

  • CONTENTS
  • SEARCH
  • 通用数字隔离器评估模块
  1.   商标
  2. 1引言
  3. 2不同封装中数字隔离器的引脚配置
  4. 3通用数字隔离器 EVM 图
  5. 4EVM 设置和操作
  6. 5物料清单
  7. 6EVM 原理图和 PCB 布局
  8. 重要声明
search No matches found.
  • Full reading width
    • Full reading width
    • Comfortable reading width
    • Expanded reading width
  • Card for each section
  • Card with all content

 

USER'S GUIDE

通用数字隔离器评估模块

本资源的原文使用英文撰写。 为方便起见,TI 提供了译文;由于翻译过程中可能使用了自动化工具,TI 不保证译文的准确性。 为确认准确性,请务必访问 ti.com 参考最新的英文版本(控制文档)。

商标

Other TMs

1 引言

本用户指南介绍了与采用标准引脚兼容封装的大多数数字隔离器相关的 EVM 操作。此 EVM 可用于对采用各种封装的一切TI 单通道、双通道、三通道、四通道或六通道数字隔离器器件进行评估:8 引脚 SOIC (D)、8 引脚 WB SOIC (DWV)、16 引脚 QSOP (DBQ)、16 引脚 WB SOIC (DW) 和 16 引脚 Ultra WB SOIC (DWW)。本指南还介绍了每个封装的器件标准引脚配置、物料清单、EVM 原理图、PCB 布局和典型的实验室测试设置。此外,本指南提供了典型的输入和输出波形。

2 不同封装中数字隔离器的引脚配置

DIGI-ISO-EVM 提供多个未占用的器件封装,允许测试各种隔离器系列中的各种数字隔离器设备。图 2-1 至图 2-18 显示了可在此 EVM 上进行测试的数字隔离器所有可能的设备引脚配置,这些数字隔离器在不同封装中具有不同的通道选项。这些图还提供了 EVM 的器件封装标识符(如 U1)的参考,其中可在EVM上对给定封装中用于给定通道的给定数字隔离器进行测试。表 2-1 可用作快速参考表以识别设备封装标识,其中可以根据给定通道和封装选项对数字隔离器进行测试。

表 2-1 数字隔离器通道和封装选项及各自的封装位置
通道数量 可测试的数字隔离器部件型号 示例部件型号 封装 可测试的位置
1 ISOxx10 ISO7710 D-8 U2
DWV-8 U1
DW-16 U3
ISO7810 DWW-16 U5
2 ISOxx2x ISO7721 D-8 U2
DWV-8 U1
DW-16 U3
ISO7821 DWW-16 U5
3 ISOxx3x ISO7731 DBQ-16 U6
DW-16 U4
ISO7831 DWW-16 U5
4 ISOxx4x ISO7741 DBQ-16 U6
DW-16 U4
ISO7841 DWW-16 U5
6 ISOxx6x ISO7762 DBQ-16 U7
DW-16 U8
GUID-2C38DDA5-E9F3-4592-B65D-28374046C501-low.gif图 2-1 用于U2 上 D-8 封装和 U1 上 DWV-8 封装的单通道数字隔离器引脚配置
GUID-BAD5DCFE-1CE3-4EC8-AEC7-D25C4EDB72BA-low.gif图 2-2 用于U3 上 DW-16 封装的单通道数字隔离器引脚配置
GUID-96C16D90-6D89-4685-86A7-08FFF2CC4BFF-low.gif图 2-3 用于U5 上 DWW-16 封装的单通道数字隔离器引脚配置
GUID-18DFD1A4-E4EF-4E49-9BB2-5C7FCDB608D3-low.gif图 2-4 用于U2 上D-8 封装和 U1 上DWV-8 封装的双通道 (ISOxx20) 数字隔离器引脚配置
GUID-B67A5451-307D-485C-8103-C91C5BC35D77-low.gif图 2-5 用于U2 上D-8 封装和 U1 上DWV-8 封装的双通道 (ISOxx21) 数字隔离器引脚配置
GUID-2E8FD3BB-721F-4AD6-920E-ACBE0DAAF83F-low.gif图 2-6 用于U3 上DW-16 封装的双通道 (ISOxx20) 数字隔离器引脚配置
GUID-D58BB35B-1B49-4515-894F-26071F9442DB-low.gif图 2-7 用于U3 上DW-16 封装的双通道 (ISOxx21) 数字隔离器引脚配置
GUID-2DE900C0-7EBF-4918-828A-6BEB74AC64F2-low.gif图 2-8 用于U5 上DWW-16 封装的双通道 (ISOxx20) 数字隔离器引脚配置
GUID-F2CCB7B8-FE96-41B5-8B5B-CCB6A36AF01D-low.gif图 2-9 用于U5 上DWW-16 封装的双通道 (ISOxx21) 数字隔离器引脚配置
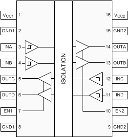
GUID-9650E135-12F4-4129-B112-09607AD9402B-low.gif图 2-10 用于U6 上 DBQ-16 封装、U4 上DW-16 封装和 U5 上 DWW-16 封装的三通道 (ISOxx30) 数字隔离器引脚配置
GUID-5F462F6E-6C1D-49E5-BD78-86F8BFBA4D1E-low.gif图 2-11 用于U6 上DBQ-16 封装、U4 上DW-16 封装和 U5 上 DWW-16 封装的三通道 (ISOxx31) 数字隔离器引脚配置
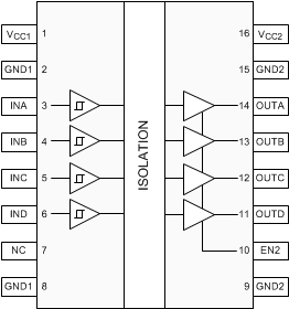
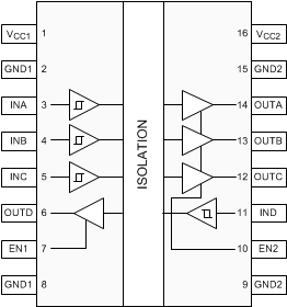
GUID-676278F5-4F86-4399-8472-857D9E5E3662-low.gif图 2-12 用于U6 上DBQ-16 封装、U4 上DW-16 封装和 U5 上 DWW-16 封装的四通道 (ISOxx40) 数字隔离器引脚配置
GUID-5553361E-6A78-48BA-A456-BE1961C071EE-low.gif图 2-14 用于U6 上DBQ-16 封装、U4 上DW-16 封装和 U5 上 DWW-16 封装的四通道 (ISOxx42) 数字隔离器引脚配置
GUID-A5BB413E-9577-4DD8-9D32-A2F607814891-low.gif图 2-13 用于U6 上DBQ-16 封装、U4 上DW-16 封装和 U5 上 DWW-16 封装的四通道 (ISOxx41) 数字隔离器引脚配置
GUID-6022380A-DE0B-46B4-AE52-8F416DDC58FB-low.gif图 2-15 用于U7 上 DBQ-16 封装和 U8 上 DW-16 封装的六通道 (ISOxx60) 数字隔离器引脚配置
GUID-9A3211C3-2139-4DB5-9E73-FEAA82580434-low.gif图 2-17 用于U7 上 DBQ-16 封装和 U8 上 DW-16 封装的六通道 (ISOxx62) 数字隔离器引脚配置
GUID-A5D90C8B-4B38-4D49-8504-DBAD84D58BA0-low.gif图 2-16 用于U7 上 DBQ-16 封装和 U8 上 DW-16 封装的六通道 (ISOxx61) 数字隔离器引脚配置
GUID-10B138F4-2535-494D-91E3-6D305DD48213-low.gif图 2-18 用于U7 上DBQ-16 封装和 U8 上DW-16 封装的六通道 (ISOxx63) 数字隔离器引脚配置

3 通用数字隔离器 EVM 图

图 3-1 显示了 EVM 的 3D 图。

GUID-20210226-CA0I-8BZJ-STVR-QTBHHRM1XPS7-low.png图 3-1 DIGI-ISO-EVM 3D 图

 

Texas Instruments

© Copyright 1995-2025 Texas Instruments Incorporated. All rights reserved.
Submit documentation feedback | IMPORTANT NOTICE | Trademarks | Privacy policy | Cookie policy | Terms of use | Terms of sale