• Menu
  • Product
  • Email
  • PDF
  • Order now
  • DLPC6540 编程器指南

    • ZHCU813A April   2021  – February 2022 DLPC6540

       

  • CONTENTS
  • SEARCH
  • DLPC6540 编程器指南
  1.   商标
  2. 1 范围
  3. 2 参考文献
  4. 3 首字母缩写词
  5. 4 系统引导
    1. 4.1 闪存中的数据
    2. 4.2 引导加载程序
    3. 4.3 主应用程序
    4. 4.4 引导加载程序和主应用程序支持的命令
    5. 4.5 调试终端
    6. 4.6 HOST_IRQ/SYSTEM_BUSY
    7. 4.7 心跳
    8. 4.8 低级故障
  6. 5 系统状态
  7. 6 版本
  8. 7 功耗模式
  9. 8 显示模式
  10. 9 源检测和配置
  11. 10内部源
    1. 10.1 测试图形 (TPG)
    2. 10.2 纯色域 (SFG) 颜色
    3. 10.3 幕布
  12. 11显示格式
  13. 12图像处理
  14. 13照明控制
  15. 14外设
    1. 14.1 GPIO
  16. 15接口协议
    1. 15.1 支持的接口
    2. 15.2 I2C 目标
    3. 15.3 USB
  17. 16命令协议
    1. 16.1 命令数据包
    2. 16.2 响应数据包
    3. 16.3 目标详细信息
    4. 16.4 错误处理和恢复
    5. 16.5 系统繁忙 - I2C 场景
      1. 16.5.1 GPIO 实现
      2. 16.5.2 短缺状态响应
    6. 16.6 支持可变数据大小
  18. 17自动初始化批处理文件
  19. 18命令说明
  20. 19系统命令
    1. 19.1  3D
    2. 19.2  管理事务
    3. 19.3  自动锁定
    4. 19.4  引导加载程序
    5. 19.5  校准
    6. 19.6  内部调试
    7. 19.7  调试
    8. 19.8  常规运行
    9. 19.9  照明
    10. 19.10 图像处理
    11. 19.11 外设
    12. 19.12 扭曲
    13. 19.13 手动 WPC
  21.   修订历史记录
  22. 重要声明
search No matches found.
  • Full reading width
    • Full reading width
    • Comfortable reading width
    • Expanded reading width
  • Card for each section
  • Card with all content

 

USER'S GUIDE

DLPC6540 编程器指南

本资源的原文使用英文撰写。 为方便起见,TI 提供了译文;由于翻译过程中可能使用了自动化工具,TI 不保证译文的准确性。 为确认准确性,请务必访问 ti.com 参考最新的英文版本(控制文档)。

商标

Composeris a TM ofTI corporate name.

DLPis a reg TM ofTI corporate name.

Other TMs

1 范围

本指南详细介绍了 DLPC6540 控制器系统的软件接口要求,包括通信协议、初始化、默认设置、常见用例和命令说明。

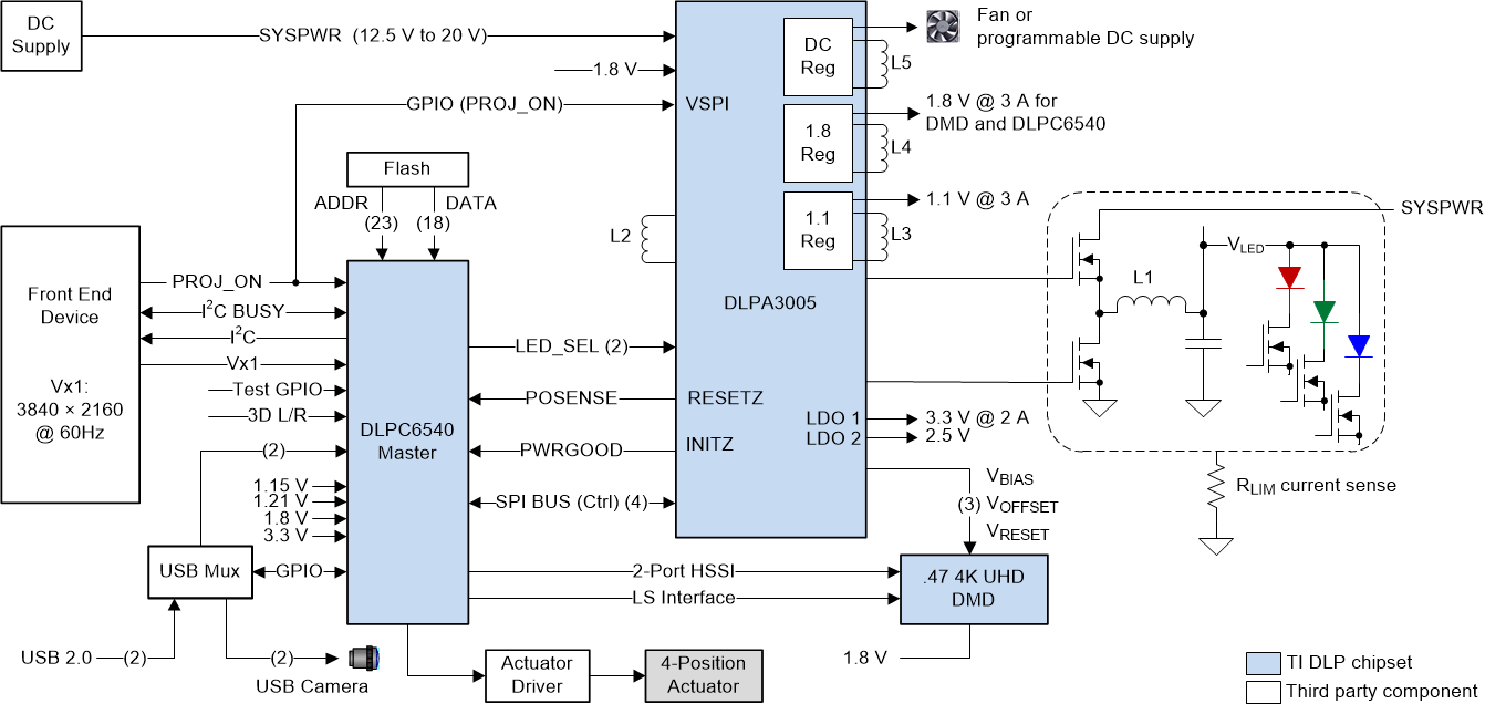
图 1-1 显示了使用 DLPC6540 控制器的典型投影仪系统,其中包括 DLPA3005 电源管理 IC 和 0.47 4K HSSI DMD。

GUID-C353F045-E270-47B1-9310-5CBAB8830223-low.gif图 1-1 典型投影仪系统方框图

2 参考文献

  1. DLPC6540 数据表。
  2. I2C 总线规范 - Philips Semiconductor 1994 桌面视频数据手册。
  3. DLP®Composer™ 工具用户指南。

3 首字母缩写词

CCA - 色彩坐标调整

CFI - 通用闪存接口

CSC - 颜色空间转换

DB – 动态纯黑

DLPC – DLP 控制器

HSG - 色相饱和度增益

SFG – 纯色域发生器

GPIO – 通用输入/输出

LUT - 查找表

PWM – 脉宽调制

SSI - 固态照明

TPG - 测试图形发生器

 

Texas Instruments

© Copyright 1995-2025 Texas Instruments Incorporated. All rights reserved.
Submit documentation feedback | IMPORTANT NOTICE | Trademarks | Privacy policy | Cookie policy | Terms of use | Terms of sale