输入 | 输出 | 电源 | |||
---|---|---|---|---|---|
ViMin | ViMax | VoMin | VoMax | Vcc | Vee |
–2.45V | +2.45V | 0.05V | 4.95V | 5V | 0V |
增益 | 截止频率 (fc) | Vref |
---|---|---|
1V/V | 10kHz | 2.5V |
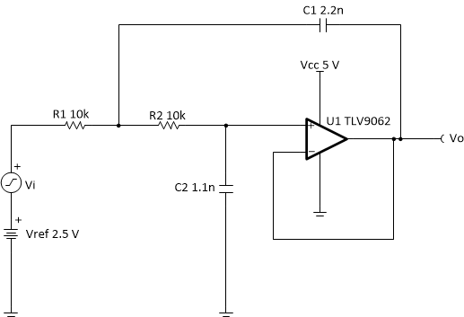
设计说明
巴特沃斯 Sallen-Key 低通滤波器是二阶有源滤波器。Vref 提供直流失调电压以适应单电源应用。当需要小 Q 因子、优先考虑噪声抑制以及需要滤波器级的同相增益时,通常首选 Sallen-Key 滤波器。巴特沃斯拓扑可在通带中提供最大平坦增益。
设计说明
设计步骤
第一步是确定元件值,使归一化截止频率为 1 弧度/秒。第二步是,通过调整元件值,将截止频率调整到所需的值。
二阶 Sallen-Key 低通滤波器的传递函数由以下公式确定:
其中,
TLV9062 器件的 GBW 为 10MHz,SR 为 6.5V/μs,因此可满足要求。
设计仿真
交流仿真结果
瞬态仿真结果
下图展示了响应 5Vpp、1kHz 输入信号(增益 = 1V/V)的滤波器输出。
下图展示了响应 5Vpp、100kHz 输入信号(增益 = 0.01V/V)的滤波器输出。
设计参考资料
设计采用的运算放大器
TLV9062 | |
---|---|
Vss | 1.8V 至 5.5V |
VinCM | 轨至轨 |
Vout | 轨至轨 |
Vos | 0.3mV |
Iq | 538µA |
Ib | 0.5pA |
UGBW | 10MHz |
SR | 6.5V/µs |
通道数 | 1、2、4 |
www.ti.com.cn/product/cn/TLV9062 |
设计备选运算放大器
TLV316 | OPA325 | |
---|---|---|
Vss | 1.8V 至 5.5V | 2.2V 至 5.5V |
VinCM | 轨至轨 | 轨至轨 |
Vout | 轨至轨 | 轨至轨 |
Vos | 0.75mV | 0.150mV |
Iq | 400µA | 650µA |
Ib | 10pA | 0.2pA |
UGBW | 10MHz | 10MHz |
SR | 6V/µs | 5V/µs |
#通道数 | 1、2、4 | 1、2、4 |
www.ti.com.cn/product/cn/TLV316 | www.ti.com.cn/product/cn/OPA325 |
TI 均以“原样”提供技术性及可靠性数据(包括数据表)、设计资源(包括参考设计)、应用或其他设计建议、网络工具、安全信息和其他资源,不保证其中不含任何瑕疵,且不做任何明示或暗示的担保,包括但不限于对适销性、适合某特定用途或不侵犯任何第三方知识产权的暗示担保。
所述资源可供专业开发人员应用TI 产品进行设计使用。您将对以下行为独自承担全部责任:(1) 针对您的应用选择合适的TI 产品;(2) 设计、验证并测试您的应用;(3) 确保您的应用满足相应标准以及任何其他安全、安保或其他要求。所述资源如有变更,恕不另行通知。TI 对您使用所述资源的授权仅限于开发资源所涉及TI 产品的相关应用。除此之外不得复制或展示所述资源,也不提供其它TI或任何第三方的知识产权授权许可。如因使用所述资源而产生任何索赔、赔偿、成本、损失及债务等,TI对此概不负责,并且您须赔偿由此对TI 及其代表造成的损害。
TI 所提供产品均受TI 的销售条款 (http://www.ti.com.cn/zh-cn/legal/termsofsale.html) 以及ti.com.cn上或随附TI产品提供的其他可适用条款的约束。TI提供所述资源并不扩展或以其他方式更改TI 针对TI 产品所发布的可适用的担保范围或担保免责声明。IMPORTANT NOTICE
邮寄地址:上海市浦东新区世纪大道 1568 号中建大厦 32 楼,邮政编码:200122
Copyright © 2024 德州仪器半导体技术(上海)有限公司