ZHCABT1 May   2021 TMUX7208 , TMUX7209 , TMUX7212 , TMUX7234

 

  1. 1应用简报

应用简报

引言

系统设计工程师致力于提高系统设计的质量,力争达到极高的标准。面临设计高效可靠的电子电路的挑战,工程师们通常不得不选择包含集成器件和分立式元件的多级设计,以便增强信号链性能。而为满足对减小外形尺寸和创建集成解决方案的持续需求,工程师们又必须寻找具有成本效益的创新型解决方案。

本文介绍影响过程控制环境中系统级性能的关键因素和挑战。我们将介绍一些挑战,以及如何选择智能多路复用器器件来帮助在过程控制环境中的一些常用设备中实现这些效率目标。

多路复用器的测量精度

多路复用器有助于从多个传感器输入高效采集数据,并在单个 ADC 应用中优化 I/O 利用率。多路复用器有助于减少元件的总体数量,通常是信号调节电路之前的一步。其中一些因素会通过多路复用器器件影响精确测量和信号完整性,从而直接影响信号链性能。我们来看看这些因素及其对信号精度的影响。

漏电流 (ILeakage)

多路复用器漏电流流经输入阻抗 (RSOURCE),这会导致会影响测量的偏移误差。进一步的温度变化会放大偏移直流误差并引入线性误差。

低漏电流规格限制了输出端引入的直流误差并优化了测量。

图 1-1 显示了开关导通和关断时多路复用器漏电流的简化模型。

GUID-20210512-CA0I-ZS1X-K0RH-WT0ZTCV7LJ8L-low.gif图 1-1 多路复用器漏电流的简化模型

开关接通时,输入侧漏电流引入的电压误差由Equation1 表示:

Equation1. VERROR = (RON + RSOURCE) × ID(ON)

当开关关断时,漏电流流经端子,从而在输出端引入直流偏移量误差。导通状态漏电流会直接影响输出端引入的直流误差。虽然不能完全消除漏电流,但我们可以尝试尽可能减小漏电流以限制误差。

导通电阻 (RDS(ON))

开关的漏源导通电阻会引入变化和增益误差,从而产生与信号相关的失真。RON 与多路复用器输出阻抗或负载电阻一起创建一个分压器,如图 1-1 所示。较小的 RON 会产生较小的错误。较低的平坦度使输出代码校正更加精确。类似地,随着温度的变化,RON 会漂移,从而限制精度并降低 VOUT 的线性度。RON 平坦度可控制并限制动态电压范围内的精度。

导通电容 (CON)

导通电容会影响多路复用器的趋稳行为,从而影响系统的瞬态性能。当输入通道以极快的速率切换时,较高的 CON 会在系统中引入失真。导通电容 + 负载电容以及输入电阻决定了多路复用输入系统的设置时间。

电荷注入 (QINJ)

QINJ 用于测量开关从导通 状态变为关断 状态时,由于重新分配电压而产生的不必要电荷。器件内的电量将重新分配,并可在器件导通关断 时推送到输出。在快速开关操作期间,这种现象更加明显,会导致输出端出现电压误差。

测量移动流体(气体或液体)的流量

流量计是精密的测量器件,采用多种技术对流体(液体或气体)的流速或体积进行量化。准确测量各种工艺流程中的流速对于确保器件正常运行和更大限度地提高工厂效率至关重要。

流量计精度

在理想流量的标准范围内,可以预期此处所考虑的流量计的精确度达到 ±0.5% 的速率或读数。根据所采用的技术,各种流量计技术具有不同的精度。

超声波流量计使用超声波的飞行时间 (ToF) 及其在介质中的相关性和行为,使用两个传感器对来实现上行和下行路径。可以使用已知的声速和传感器之间的距离来计算信号的飞行时间。超声波传感器跨管道横截面放置,任一侧的传感器均可发送和接收超声波脉冲。

其他流量计技术(如电磁流量计)基于法拉第定律的基本原理工作。水等导电液体在与液体流动垂直的线圈中产生磁场。液体的电荷粒子穿过由两个磁场线圈产生的人工磁场、产生电压,这是流量的测量值。

在任何一种情况下,捕获输入传感器信号并准确测量,同时消除输出中的噪声或直流误差是系统准确性的关键。在输入信号电平较小的情况下(nA 或 µV 范围),由于引入了较大的 DC 误差,因此这项任务更加艰巨。

图 1-2 显示了在发送到 ADC 进行处理之前捕获并馈入输入多路复用器的输入传感器信号。

GUID-20210511-CA0I-TFVR-8PV8-XQV6FC6XMR5R-low.gif图 1-2 超声波和磁流量计的模拟前端实施

使用多路复用器将输入激励信号多路复用到多路复用器,并优化使用的信号调节电路的数量。在需要测量和处理多个传感器输入的情况下,优先选择具有低泄漏和低 RON 的多路复用器,以尽可能减小直流误差。使用具有 4Ω RDS(ON)(典型值)和 0.04nA(典型值)漏电流以及 3pC 电荷注入的 TMUX7208 和 8:1 单通道多路复用器或 TMUX7209 4:1 2 通道多路复用器对输入激励信号进行多路复用。

多路复用器还用于调整闭环系统反馈环路中的增益曲线。具有 0.75Ω RDS(ON)TS5A3159(2:1 × 1 通道)或具有 1.7Ω RDS(ON) 和超低漏电流 0.1nA(典型值)的 TMUX7212(1:1 × 4 通道)可用于此目的,将尽可能减小直流误差。

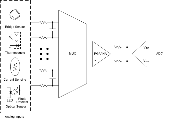
模拟输入/输出模块

可编程逻辑控制器 (PLC) 或分布式控制系统 (DCS) 模块是一种坚固耐用的工业计算机控制系统,可连续监控输入器件的状态,并通过自定义程序和故障诊断做出决策。模拟输入模块 (AIN) 是 PLC 中的一个关键子系统。PLC 单元通常设计用于容纳不同类型的输入模块,以监控不同类型的实际参数(如电压、电流、温度、压力等),或在被馈送到 ADC 进行进一步处理之前接收来自传感器或其他子系统的模拟或数字输入信号。

控制系统中的模拟输入模块经常切换传感器,例如 pH、光学、湿度、运动或温度传感器。所有这些传感器都表现出高输出阻抗,可以在几百千欧的范围内变化。此外,多路复用器的 VOUT 通常连接到运算放大器的同相端,运算放大器具有高输入阻抗。源阻抗(结合多路复用器 RON 和运算放大器的输入阻抗)和多路复用器的泄漏会影响测量的准确性。RON(RON 平坦度)明显低于运算放大器的输入阻抗,大大降低了多路复用器带来的误差。

输入端的高共模信号会进一步放大直流误差,并通过开关元件的高或可变 RDS(ON) 影响信号测量精度或者分辨率和线性度。输出端的这种变化或直流误差会严重影响数据采集并影响系统精度。

低 RON、低泄漏(nA 范围)、低电容(低 pF)开关常用于需要更高精度和更低误差转换的高阻抗系统。

GUID-20210511-CA0I-RZQ2-JCML-T3LXHFWQZTHF-low.gif图 1-3 多路复用模拟输入前端

使用具有 4Ω(典型值)导通电阻和 5nA(最大值)漏电流的 TMUX7208(8:1,1 通道)多路复用器,用于在由 ADC 处理之前多路复用输入传感器信号。在高共模电压跨越电源轨或高输入电压过冲情形中,使用故障保护多路复用器,如带 20pF CON 以及 13pC 低电荷注入和 ±60V 过压保护的 TMUX7308F(8:1、1 通道、故障保护),从而提供系统保护。

选择 TMUX7209(4:1、2 通道)以支持每个 ADC 的 4 通道差分电压输入。为了处理隔离式通道输入系统,请使用具有极低导通电阻和泄漏多路复用器的 TMUX7212(1:1、4 通道)来保持出色系统性能。

结语

随着复杂性的增加,现代系统给设计人员带来了新的挑战。系统效率用于衡量信号测量精度和信号完整性。任何系统的性能都与其数据采集和处理能力一样好。直流误差和输出变化是源电阻、输入和输出阻抗、漏电流和导通电容的综合影响的结果。建议设计人员选择漏电流、导通电阻和电荷注入电平极低的精密多路复用器。