ZHCAAE9 june   2021 ISOW7740 , ISOW7741 , ISOW7742 , ISOW7743 , ISOW7744

 

  1. 1应用简报

应用简报

随着工业系统出现了电压增高的发展趋势,越来越多具有多个电源域的系统产生了隔离需求。为了使这些域协同工作,需要对信号进行隔离来实现良好的信号通信,还需要隔离电源以为次级侧元件供电。图 1 所示为分组隔离式数据采集系统的通用框图。微控制器 (MCU) 和模数转换器 (ADC) 之间使用了一个隔离器,以保护 MCU 免受现场输入信号的高压瞬变和电噪声影响。若要为 ADC 和数字隔离器的次级侧供电,需要使用隔离式电源。此示例介绍了一个分立式解决方案,该解决方案使用变压器驱动器、变压器和 LDO 为 ADC 和隔离器供电。

GUID-20210506-CA0I-SM4M-FCRV-LP618VZHXDDT-low.gif 图 1 使用变压器驱动器、变压器和 LDO 实现具有分立式隔离电源的数据采集系统

虽然分立式解决方案具有成本效益,但这种方法可能更复杂。它需要各种外部元件,占用大量 PCB 空间,尤其是体积庞大的外部变压器,不仅在 X 和 Y 维度上而且在高度上也占据空间。

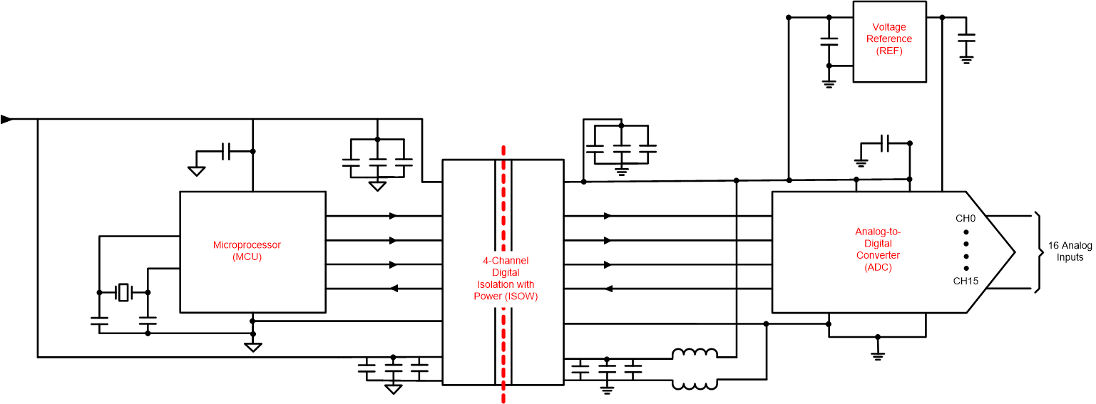
相反,ISOW7741 是具有集成式芯片级变压器的增强型四通道数字隔离器,采用单个小型封装,如图 2 所示。该器件通过消除图 1 中使用的分立式元件来简化系统设计。ISOW7741 最多可节省 30% 的布板空间,设计简单并能减少构建材料 (BOM)。

GUID-20210505-CA0I-LW4Z-R5KT-RVSPPVQVSZSW-low.gif 图 2 使用 ISOW7741 实现具有集成式隔离电源的数据采集系统

减少发射

ISOW7741 旨在使用具有成本效益的两层结构电路板以超过 3dB 的裕量满足 CISPR32 B 类标准。TI 在 ISOW7741 的设计和布局中使用获得专利的对称架构,以减少发射。如图 3ISOW7741 内部方框图所示,VISOIN 引脚(为电路的数字隔离器部分供电)与 VISOOUT 引脚(集成型功率转换器的输出端)是隔离的。信号和电源路径的这种隔离可降低封装内部的高频耦合。此外,变压器的开关频率从 60MHz 更改为 25MHz,可降低发射频谱中高频分量的强度。

GUID-20210513-CA0I-LNHQ-FJFJ-QLD4QHVGRMDD-low.gif 图 3 包含引脚排列的 ISOW7741 内部方框图

外部铁氧体磁珠可用于进一步衰减发射。将两个 0402 型铁氧体磁珠(器件型号:BLM15EX331SN1)放置在 VISOOUT 至 VISOIN 以及 GND2 路径之间(如下图所示),这将在电源线路由到 PCB 上的其他元件之前衰减电源转换器产生的高频噪声。建议采用以下布局,实现器件的出色性能、超高效率和超低发射。

GUID-20210513-CA0I-TSQW-1W4B-MMZXWQQR6LSS-low.gif 图 4 ISOW7741 建议布局

较低电压纹波

使用自适应迟滞控制器将 ISOW7741 的电压纹波大幅降低至 24mV。具有低纹波对模拟电路的整体系统性能有利,因为它可降低对单个电源抑制比 (PSRR) 的要求。低纹波无需在驱动敏感模拟电路之前使用 LDO 等电路进行额外滤波,这能够节省布板空间并降低设计成本。

自适应迟滞控制器具有两大优势。第一个优势是能够更灵活地使用去耦电容器来进一步改善纹波。使用 100µF 旁路电容器可实现 < 10mV 的电压纹波。另一个优势是该设计具有出色的瞬态负载调节性能,例如,负载在 0 和 1 之间变化的 CAN 应用。

GUID-20210505-CA0I-6DZ1-H1QN-2VRFZHBSMR27-low.gif 图 5 低于 3mVp-p 且负载 > 10% 的 ISOW7741 电压纹波

其他诊断和设计增强功能

ISOW7741 也包含诊断功能,可验证系统和产品的行为是否符合预期。“启用直流/直流故障保护功能”引脚可用作输入引脚,以启用或禁用集成型直流/直流电源转换器;也可用作输出引脚,从而在电源转换器运行不正常时发出警报。如果在 VDD > 7V、VDD < 2.5V 下报告了故障,或者结温 > 170°C,此引脚将变为低电平,禁用直流/直流转换器,以防对 ISOW7741 以及下游元件造成严重损坏。

如前所述,ISOW7741 可分离逻辑和电源路径,从而实现 1.71V 至 5.5V 的逻辑电源电压范围和 3V 至 5.5V 的电源转换器电源电压范围。例如,这允许电源转换器在 5V 输入电压和 5V 输出电压下工作,同时为 ADC 等次级侧元件提供低至 1.8V 的逻辑电压。

ISOW7741 还将 VISOOUT 负载调节从 10% 降至 5%。负载调节对系统很重要,以便在负载发生变化时为次级侧元件提供稳定的电压。如果未保持适当的负载调节,下游器件(例如收发器或 ADC)对其保证值而言将微不足道。

ISOW7741 CISPR32 发射数据(与竞争产品相比)

ISOW7741 使用隔离电容器与隔离变压器的组合,可实现业界超高的隔离额定值和超长使用寿命。当受控电源和数据信号通过这些隔离栅时,会产生电磁干扰 (EMI)。这些辐射发射 (RE) 会对其他电子系统和网络的性能产生负面影响。因此,隔离器件需要保持电磁兼容性并符合传导和辐射发射标准。辐射发射标准/测试的目的有两个:确保器件的辐射发射不干扰广播无线电服务,并规定用于确保测量再现性和结果重复性的规程。

CISPR 32 是面向多媒体设备 (MME) 的电磁兼容标准。这涉及信息技术设备 (ITE)、音频设备、视频设备、广播接收设备和娱乐照明控制设备。CISPR32 考虑了两类最终用户终端设备。A 类设备是专为在商业、工业或商业环境中使用而销售的设备。B 类设备则是指那些家用设备。B 类限制比 A 类限制更严格,如下表所示。

GUID-20210506-CA0I-HPDT-FKPN-WRJWGQHFJHLQ-low.gif 图 6 CISPR32 测试设置

CISPR32 指定了一个放置在消声室中的非导电转盘上的被测设备 (EUT),如图 6 所示。EUT 放置在距离接收天线 10 米远的位置。天线按水平极化和垂直极化进行配置,并将高度调整到 1 米和 4 米之间。对于每个天线高度和极化方式,转盘上的 EUT 会从 0 度旋转到 360 度,以找到最大场强读数。所记录的不同极化和高度之间的最坏情况发射读数在 30MHz 到 1GHz 之间。

图 7 所示为 ISOW7741 的评估模块板,用在 CISPR32 辐射发射测试中。EVM 原理图和 PCB 布局可在 ISOW7741DFEVM 用户指南中找到。图 8 所示为 ISOW7741 EVM 测试设置的简要方框图。铁氧体磁珠的放置很有战略性,在线性稳压器 (LDO) 之前和之后以及 ISO7741 的输出电源引脚 (VISOOUT) 上,用以抑制系统级发射。表 1 所示为 ISOW7741 和竞争器件的三种配置,采用 CISPR32 B 类辐射发射标准进行了测试。

GUID-20210506-CA0I-CJLJ-BTGS-3SMTVLSWJD0R-low.gif 图 7 ISOW7741 评估模块
GUID-20210506-CA0I-V1P4-2VVW-P9416680TBF9-low.gif 图 8 ISOW7741 测试设置
表 1 CISPR32 B 类辐射发射测试的器件配置

Vcc1 (V)

Vcc2 (V)

VISOOUT 电压 (V)

VISOOUT 负载 (mA)

测试 1

5

5

5

100

测试 2

5

3.3

3.3

50

测试 3

5

5

5

10

下图分别显示了三种配置的测试结果。ISOW7741 通过了 CISPR32 B 类辐射发射测试,所有三种配置都有足够的裕量。竞争器件未能通过采用 5V 输出、100mA 负载(测试 1)和 3.3V 输出、50mA 负载(测试 2)配置的 CISPR32 B 类辐射发射测试。它仅通过了 5V 输出、10mA 负载(测试 3)测试。ISOW7741 不仅以足够的裕量通过了 CISPR32 B 类辐射发射测试,而且其发射能级与产生的输出电压和负载量无关。对于具有可变负载条件和不同电压电平要求的系统,要符合电磁兼容性 (EMC) 标准,ISOW7741 发射能级的一致性是个显著优势。

GUID-20210506-CA0I-0QGZ-1C9J-XHZLPZNN77XX-low.gif图 9 ISOW7741 - CISPR32 B 类辐射发射结果:5V 输入、5V 输出、100mA 负载
GUID-20210506-CA0I-XH24-XXLZ-ZCGC1NTPFP6R-low.gif图 11 ISOW7741 - CISPR32 B 类辐射发射结果:5V 输入、3.3V 输出、50mA 负载
GUID-20210506-CA0I-LSTL-ZGX8-WD3BFKJ5XX78-low.gif图 13 ISOW7741 - CISPR32 B 类辐射发射结果:5V 输入、5V 输出、10mA 负载
GUID-20210506-CA0I-JHFM-PS6R-022GP2DR7JLP-low.gif图 10 竞争器件 - CISPR32 B 类辐射发射结果:5V 输入、5V 输出、100mA 负载
GUID-20210506-CA0I-G8L4-MM2V-2JLPWWZGSX1C-low.gif图 12 竞争对手器件 - CISPR32 B 类辐射发射结果:5V 输入、3.3V 输出、50mA 负载
GUID-20210506-CA0I-PBGD-BX4D-NNRQMRRR6T1R-low.gif图 14 竞争对手器件 - CISPR32 B 类辐射发射结果:5V 输入、5V 输出、10mA 负载

图 15 显示,在设计时就考虑了发射注意事项的系统中使用 ISOW7741 有助于保持发射能级与本底噪声一样低。

GUID-20210506-CA0I-G1MT-KPSR-SC5CJ3XBPP7L-low.gif 图 15 本底噪声和 ISOW7741 CISPR32 B 类辐射发射结果

结论

TI 的 ISOW7741 不仅能提供多种增强功能,还可实现小型的隔离信号和电源解决方案。该器件仅使用两层结构的电路板即可满足严格的 CISPR32 B 类发射标准,同时不受负载条件和电压电平的影响。与同类产品的对比数据证明,ISOW7741 具有业界超低的辐射。电压纹波和负载调节方面的改进可确保集成型功率转换器具有稳定性,故障检测引脚为用户提供了额外的安全性,可密切监控电源转换器的运行状况。所有这些特性有助于打造具有成本效益且设计简单的高性能解决方案。