ZHCAAA6B January   2018  – August 2018 DRV8304 , DRV8305 , DRV8320 , DRV8320R , DRV8323 , DRV8323R , DRV8350 , DRV8350R , DRV8353 , DRV8353R , TPS54202H

 

  1. 1TI 技术手册

TI 技术手册

引言

无刷直流 (BLDC) 电机由于其高效率、高运行速度、高单位体积磁通密度、紧凑尺寸、低维护要求和电磁干扰 (EMI) 问题小而日渐普及。因此,BLDC 电机在各种应用中逐渐取代有刷直流 (BDC) 电机,例如电器、电动汽车、医疗应用、暖通空调 (HVAC)、运动控制和机器人技术等应用。BLDC 电机是一款三相同步电机,其定子由三相绕组(梯形 BLDC 电机采用集中绕组,正弦 BLDC 电机采用正弦分布绕组)和具有永磁体的转子组成(在外转子 PM 电机中反之亦然)。BLDC 电机没有机械电刷和换向器组件,因此,可避免电刷磨损、火花和 EMI 等与 BDC 电机相关的问题。这种电机也称为电子换向电机,因为使用的是基于转子位置的电子换向,而不是机械换向。通常使用霍尔效应位置传感器来感应 BLDC 电机的转子位置。

人们已经开发出许多用于控制 BLDC 电机的控制算法。这些算法通常根据 BLDC 电机的类型(梯形或正弦形)、位置传感器要求(有传感器或无传感器)以及速度和转矩(电流)控制要求进行分类。随着当今微控制器容量的增加,业内正在扩展诸如磁场定向控制 (FOC) 之类的高端控制算法的实现范围。实施 FOC 算法可让 BLDC 电机通过快速的动态响应(面对负载和速度变化具有更好的动态性能)更高效(高功率因数和更高的轻负载效率)、更平稳(降低转矩纹波)地运行。FOC 控制使定子和转子的磁场彼此正交,从而实现最大的电磁转矩。通过采用磁通和转矩的解耦控制,还可使电机的弱磁运行速度高于标称速度。

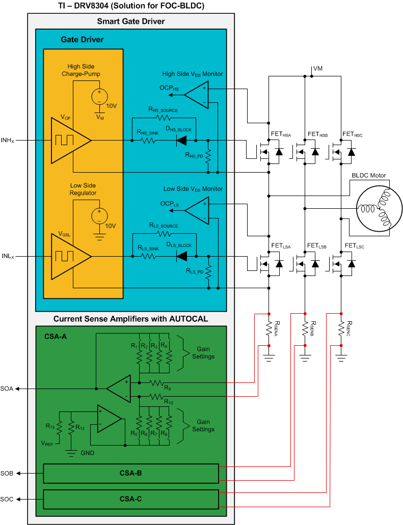
GUID-2BEEF154-D56D-42F4-B1A2-D4B81CEBA23D-low.gif图 1-1 用于 FOC 实现的 TI 智能栅极驱动器

三相 BLDC 电机需要一个三相电压源逆变器 (VSI) 为电机提供交流电流。该 VSI 的开关通常采用由栅极驱动器驱动、适用于低压应用的场效应晶体管 (FET),或适用于高功率应用的绝缘栅双极晶体管 (IGBT)。当今大多数可用的栅极驱动器都需要使用外部栅极元件(电阻和齐纳二极管)来进行操作和提供保护。但是,采用 TI 的智能栅极驱动 (SGD) 技术后则无需使用外部栅极元件,如图 1-1 中所示。借助其可调节栅极驱动电流(栅极压摆率控制),SGD 架构可灵活地减少电磁干扰 (EMI)。SGD 架构可优化死区时间,提高效率,同时充分保护 FET 免遭击穿,还添加了强下拉电流来防止任何杂散 dv/dt 栅极导通。

DRV8304 器件是一款基于 TI 智能栅极驱动 (SGD) 架构的三相栅极驱动器。该器件的最大工作电压为 38V,针对 12V 和 24V BLDC 电机 FOC 应用进行了全面优化。DRV8304 支持外部 N 沟道高侧和低侧功率 MOSFET,可驱动高达 150mA 的拉电流、300mA 的峰值灌电流和 15mA 的平均输出电流。DRV8304 是一款高度集成的器件,包括栅极驱动器电源(高侧电荷泵和低侧线性稳压器)、三个电流感应放大器 (CSA) 和一个 3.3V、30mA 稳压器,用于为外部控制器供电。

DRV8304 中的集成电流感应放大器 (CSA) 用于感应 BLDC 电机的三相电流,帮助打造出色的 FOC 和电流控制系统方案。5、10、20 和 40V/V 的可调增益设置支持用户灵活选择适合终端应用的理想感应电阻器。CSA 还可以配置为感应单向电流,该电流可用于实现梯形 BLDC 电机的限流控制。DRV8304 中的 CSA 包含 AUTOCAL 功能,该功能可在上电后自动校准 CSA 的失调电压误差,从而实现精确的电流感应。

DRV8304 提供了各种 PWM 模式,因而是一款易于连接的驱动器。用户可灵活地为 FOC(或正弦电流控制)选择 6x 或 3x 模式,为具有片上区块转换功能的梯形电流控制选择 1x 模式,为驱动螺线管继电器选择独立模式。高级别保护功能集使该器件在任何操作场景下均无懈可击。这些功能包括电源欠压锁定 (UVLO)、电荷泵欠压锁定 (CPUV)、VDS 过电流监视 (OCP)、栅极驱动器短路检测 (GDF) 和过热关断 (OTSD),并通过 nFAULT 引脚指示故障事件。下文总结了使 DRV8304 适用于 BLDC 电机 FOC 应用的一系列功能。

  • 针对 12V 和 24V BLDC 电机优化的驱动器绝对最大电压 (40V)
  • 具有 4 种增益选项设置、用于三相 BLDC 电机电流感应的三通道 CSA
  • AUTOCAL 功能可减少 CSA 输入失调电压误差,因而改善电机旋转抖动性能
  • 高工作开关频率,可改善噪声性能
  • 可调压摆率,可优化 EMI 性能
  • 死区时间非常短,可提高开关效率
  • 传播延迟超低,可提高脉冲控制精度并加快动态响应
  • 高度集成的驱动器和小尺寸封装,可减小电路板面积
  • 高级片上保护功能和诊断

备选器件建议

根据必要的系统要求,还可通过其他器件提供所需的性能和功能。对于需要详细诊断和跛行回家模式支持的应用,建议使用 DRV8305。在需要更高工作电压(例如由 36V 电池供电)的应用中,宜选择 DRV832x

表 1-1 备选器件建议
器件 优化参数 性能平衡
DRV8305 45V 绝对最大电压
跛行回家模式
1A/1.25A(拉电流/灌电流)栅极驱动
更高的 CSA 输入失调电压
无 AUTOCAL 功能
DRV832x 65V 绝对最大电压
1A/2A(拉电流/灌电流)栅极驱动
集成降压选项
更高的 CSA 输入失调电压
DRV835x 100V 绝对最大电压
1A/2A(拉电流/灌电流)栅极驱动
集成降压选项
更高的 CSA 输入失调电压
表 1-2 相关技术手册
SBOA174 H 桥中的电流感应
SBOA161 适用于三相系统的低漂移低侧电流测量
SBOA171 集成过流检测功能的双向低侧相电流感应
SBOA160 具有增强型 PWM 抑制功能的低漂移、精密直列式电机电流测量