• Menu
  • Product
  • Email
  • PDF
  • Order now
  • How to Achieve Higher System Efficiency- Part One: High-Current Gate Drivers

    • SSZTAM5 november   2016 UCC27211A , UCC27524A , UCC27714

       

  • CONTENTS
  • SEARCH
  • How to Achieve Higher System Efficiency- Part One: High-Current Gate Drivers
  1.   1
  2.   2
    1.     3
    2.     Additional Resources
  3. IMPORTANT NOTICE
search No matches found.
  • Full reading width
    • Full reading width
    • Comfortable reading width
    • Expanded reading width
  • Card for each section
  • Card with all content
Technical Article

How to Achieve Higher System Efficiency- Part One: High-Current Gate Drivers

We live in a world where designers are on a seemingly constant pursuit for higher efficiency. We want more power out with less power in! Higher system efficiency is a team effort that includes (but is not limited to) better-performing gate drivers, controllers and new wide-bandgap technologies.

Specifically, high-current gate drivers can help facilitate overall higher system efficiency by minimizing switching losses. Switching losses occur when a FET switches or turns on and off. To turn a FET on, the gate capacitance must be charged beyond the threshold voltage. The drive current of a gate driver facilitates the charging of the gate capacitance. The higher the drive-current capability, the faster the capacitance can charge or discharge. Being able to source and sink a large amount of charge minimizes power losses and distortion. (Conduction loss is the other type of switching loss in FETs. Conduction losses are defined by the internal resistance, or RDS(on), of the FET where . The FET dissipates power as current is conducted through.)

In other words, the goal is to minimize the switching transition time period in systems that require high-frequency power conversion. The gate-driver specification that highlights this type of performance is the combined rise and fall time. See Figure 1.

GUID-EF74E3F8-CA60-4DD3-9734-DF4178F5D05B-low.png Figure 1 Typical Rise and Fall Time Diagram

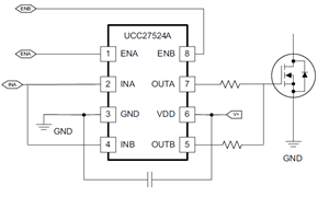
If you want to take it up a notch, gate-driver features like delay matching can effectively double the drive-current capability. Delay matching is the matching of internal propagation delays between two channels. This is achieved by paralleling the outputs, or tying the channels together, of dual-channel gate drivers. For example, TI’s UCC27524A has extremely accurate 1ns (typical) delay matching, which can increase the drive current from 5A to 10A.

Figure 2 shows the UCC27524A’s A and B channels combined into one driver. The INA and INB inputs are connected together, as are OUTA and OUTB. One signal controls the paralleled combination.

GUID-642075F2-F1C1-4391-A6C2-A063CD275715-low.png Figure 2 The UCC27524A with Paralleled Outputs to Double Drive-current Capability

One result of increased system efficiency is an increase in power density. The need for higher power densities is a trend in applications like power factor correction (PFC) and synchronous rectification blocks of isolated power supplies, DC/DC bricks and solar inverters, where designers are constrained to the same size (or smaller!) for the same amount of output power.

TI’s portfolio includes gate drivers with high current, fast rise and fall times, and delay matching. See Table 1.

Table 1 High-current Gate Drivers
Category Device Description Rise/fall time Delay matching
High-current drivers UCC27714 4A, 600V high- and low-side driver 15ns, 15ns Yes
UCC27524A 5A, high-speed low-side dual driver 7ns, 6ns Yes
UCC27211A 4A, 120V high- and low-side driver 7.2ns, 5.5ns Yes

Get started on your high-efficiency system today. For more info, see www.ti.com/gate drivers.

Additional Resources

  • These TI Designs showcase high-current gate drivers in high-efficiency systems:
    • “High Efficiency 410W AC/DC Power Supply Reference Design.”

IMPORTANT NOTICE AND DISCLAIMER

TI PROVIDES TECHNICAL AND RELIABILITY DATA (INCLUDING DATASHEETS), DESIGN RESOURCES (INCLUDING REFERENCE DESIGNS), APPLICATION OR OTHER DESIGN ADVICE, WEB TOOLS, SAFETY INFORMATION, AND OTHER RESOURCES “AS IS” AND WITH ALL FAULTS, AND DISCLAIMS ALL WARRANTIES, EXPRESS AND IMPLIED, INCLUDING WITHOUT LIMITATION ANY IMPLIED WARRANTIES OF MERCHANTABILITY, FITNESS FOR A PARTICULAR PURPOSE OR NON-INFRINGEMENT OF THIRD PARTY INTELLECTUAL PROPERTY RIGHTS.

These resources are intended for skilled developers designing with TI products. You are solely responsible for (1) selecting the appropriate TI products for your application, (2) designing, validating and testing your application, and (3) ensuring your application meets applicable standards, and any other safety, security, or other requirements. These resources are subject to change without notice. TI grants you permission to use these resources only for development of an application that uses the TI products described in the resource. Other reproduction and display of these resources is prohibited. No license is granted to any other TI intellectual property right or to any third party intellectual property right. TI disclaims responsibility for, and you will fully indemnify TI and its representatives against, any claims, damages, costs, losses, and liabilities arising out of your use of these resources.

TI’s products are provided subject to TI’s Terms of Sale (www.ti.com/legal/termsofsale.html) or other applicable terms available either on ti.com or provided in conjunction with such TI products. TI’s provision of these resources does not expand or otherwise alter TI’s applicable warranties or warranty disclaimers for TI products.

Mailing Address: Texas Instruments, Post Office Box 655303, Dallas, Texas 75265 

Copyright © 2023, Texas Instruments Incorporated

Texas Instruments

© Copyright 1995-2025 Texas Instruments Incorporated. All rights reserved.
Submit documentation feedback | IMPORTANT NOTICE | Trademarks | Privacy policy | Cookie policy | Terms of use | Terms of sale