Mubina Toa
This post was co-written with Rahland Gordon and Robert Ferguson.
As the world becomes increasingly automated, it’s imperative for the technology we interact with every day to detect and respond to ever-changing environmental factors. For example, vacuum robots must course-correct based on furniture placement, and automatic doors should open and close based on movement detection. These reactions need to occur for a range of distances and materials, regardless of their behavior, color or size.
The good news is that no matter what environment you need to monitor, there are a range of proximity sensors from which to choose, including ultrasonic, optical time-of-flight (ToF) and millimeter-wave (mmWave) sensors. Selecting the right option may not always be intuitive, so this article will offer guidelines for choosing the best proximity sensor to meet your design needs.
For quick comparison guide, see our proximity sensing technology infographic.
Ultrasonic sensors are particularly powerful in sunny, transparent, liquid, and light or dark environments. Because ultrasonic sensing works regardless of ambient lighting conditions (as it uses sound waves rather than light waves), ultrasonic sensors are particularly advantageous in outdoor environments where other sensing technologies may fail due to bright, ambient lighting conditions.
TI’s PGA460, pictured in Figure 1, offers effective, low-cost proximity and obstruction detection for solid and transparent glass surfaces, in addition to smoky and gas-filled environments.
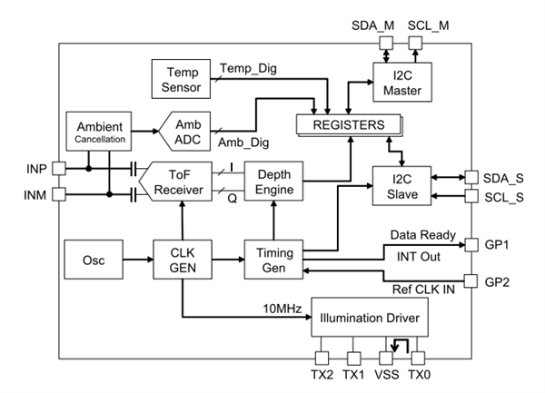
            Figure 1 PGA460 Functional DiagramOptical ToF sensors offer different advantages, such as excellent performance under high temperatures, humidity and air pressure. Unlike other forms of proximity sensing (such as capacitive or inductive sensing), optical ToF sensors can reach long distances, upwards of 20 m. In addition to its long-range capabilities, its field of view can be narrowed to focus on an exact target. This makes optical ToF sensors a good fit for applications like displacement transmitters and drone landing systems.
TI’s OPT3101, pictured in Figure 2, has the unique ability to support up to three separate emitters, allowing for multizone use. Multiple zone detections specify which zone the target is in, thus providing data on both the direction and distance of the target. With this information, design engineers can determine the behavior of the target, like whether a person is approaching a kiosk or simply walking by.
            Figure 2 OPT3101 Functional DiagrammmWave sensors enable systems with millimeter-level accuracy, detecting objects or people without infringing on personal privacy in any environmental conditions. What may be even more impressive about mmWave sensors is that they provide a very unique set of data for each object or person detected, including its range, velocity and angle. No other single sensor can provide such information. mmWave sensors deliver high accuracy in three key areas:
TI mmWave sensors take all of these benefits a step further by integrating processing engines to enable application algorithms to run on the mmWave device itself, removing the need for additional processors in the system to save on cost, power and size.
From self-driving cars and smart buildings to the smallest of watches, systems are making decisions based on what they sense in real time. Our infographic and additional resources are meant to help in this data-rich selection process.
            Figure 3