• Menu
  • Product
  • Email
  • PDF
  • Order now
  • Powering Tiny Industrial Automation Control Equipment with High-voltage Modules: How to Ensure Reliability

    • SSZT380 november   2019 TPSM265R1

       

  • CONTENTS
  • SEARCH
  • Powering Tiny Industrial Automation Control Equipment with High-voltage Modules: How to Ensure Reliability
  1.   1
  2.   2
  3. IMPORTANT NOTICE
search No matches found.
  • Full reading width
    • Full reading width
    • Comfortable reading width
    • Expanded reading width
  • Card for each section
  • Card with all content
Technical White Paper

Powering Tiny Industrial Automation Control Equipment with High-voltage Modules: How to Ensure Reliability

Akshay Mehta

It’s not unusual to find industrial automation control equipment like field sensors (for proximity, pressure, flow or temperature, for example) housed in increasingly inconspicuous packages. Figure 1-1 shows an example of a proximity sensor housed in a tiny screw (which can be as small as 8 mm or in some instances even smaller). While the electronics that go into the housing have to be ultra-small, they still need to be rated for the right parameters to ensure long-term equipment reliability.

GUID-D2DD8967-46D9-41F4-AA1E-B6823790AB93-low.jpg Figure 1-1 Typical proximity sensor

Addressing the challenges of unregulated input voltages

Electronics in smart sensors may include a low-power microprocessor, analog-to-digital signal-processing circuitry and a voltage regulator. Sometimes, designers might not consider power until the end of the design process; therefore, the space allotted to power can be really sparse.

A typical application for power-conversion circuitry in factory automation equipment might be down-converting a 24-V input voltage and regulating it to the required potential. The 24-V input voltage might be a standard industrial bus which could have an input voltage as low as 8 V or as high as 36 V.

Sensors in process automation need to withstand overvoltage transients. The severity of voltage transients depends on how the 24 V was derived. In some situations, where the lead lengths cover long distances in the field, the industrial 24-V bus may experience higher voltage transients. In addition, field applications could have clamp circuits that limit the voltage transient to a safe extra-low voltage limit. This means that in a short-circuit condition; the output of the industrial bus could be stuck at 60 VDC.

Considering another example, a 24 VAC could be an input source. The maximum root-mean-square voltage of such a supply can often swing to 28 V, leading to a peak voltage delivered that’s close to 40 V. The overvoltage protection setting on the input supply could be about 120% of the peak voltage, which takes an input voltage close to 48 V.

In these examples, it is important to use a voltage regulator rated for the maximum DC voltage at the input to ensure uninterrupted operation of equipment like field sensors.

Ensuring appropriate pin spacing for long-term reliability

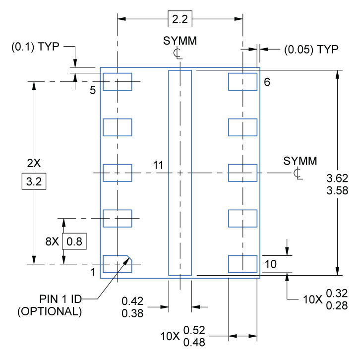
The TPSM265R1 is a high-voltage embedded power module rated for 65 V that integrates the voltage regulator and inductor. This gives the device enough margins to cover potential overvoltage conditions. However, just because a power module has an integrated high-voltage regulator doesn’t mean that you can safely rate it for the high voltage. To properly rate the device for a higher input voltage requires appropriate design of the pad/pin spacing on the module. The Association Connecting Electronics Industries has a standard called IPC 2221-B which goes over this in detail.

The IPC-2221B standard lists the minimum spacing between the edges of conductors that is required to ensure proper operation at worst-case voltages. To ensure that the regulator can indeed sustain a peak voltage of 65 V the spacing between the edges of the conductors must be at least 0.5 mm.

Figure 2 shows the pin pitch of the TPSM265R1, which is 0.8 mm; the width of the pad is typically 0.3 mm. From edge to edge, the space between the pads is 0.5 mm, in compliance with the IPC-2221B requirement.

GUID-DB1B2169-FA85-42AC-B0EB-D6BBD8137821-low.jpg Figure 1-2 TPSM265R1 package drawing

Meeting the requirement for a small solution size

IPC spacing requirements put system designers at odds with the requirement for miniaturization. After all, I began this technical article talking about how electronics need to fit into an 8-mm screw. To address both spacing requirements and miniaturization requirements, designers have to be smart about designing the power module. TI designed the layout of the TPSM265R1 package with a small-solution space in mind. Figure 1-3 shows an example layout, with the minimum required components for a fixed-voltage option of 3.3 V or 5 V.

GUID-DCAE47CE-E3E2-468D-B0D7-162426807E6E-low.jpg Figure 1-3 Example layout with the TPSM265R1

The module package size is 2.8 mm by 3.7 mm. To complete the circuit, you only need two capacitors. With two 0805 capacitors, the overall solution size for a 5 V or 3.3 V output can be as small as 3 mm by 7 mm. The placement of the input capacitor so close to the module’s VIN and GND pins makes for a “quiet” switching operation, with less ringing on the switch node.

When designing the power supply for small industrial automation control equipment, it’s important to choose products with appropriate ratings for a reliable operation. Well-designed power modules will not only help engineers address size challenges and ensure long-term reliability but can also help simplify the design process.

Additional resources

  • Learn more about the IPC organization and the standard for pin spacing.

IMPORTANT NOTICE AND DISCLAIMER

TI PROVIDES TECHNICAL AND RELIABILITY DATA (INCLUDING DATASHEETS), DESIGN RESOURCES (INCLUDING REFERENCE DESIGNS), APPLICATION OR OTHER DESIGN ADVICE, WEB TOOLS, SAFETY INFORMATION, AND OTHER RESOURCES “AS IS” AND WITH ALL FAULTS, AND DISCLAIMS ALL WARRANTIES, EXPRESS AND IMPLIED, INCLUDING WITHOUT LIMITATION ANY IMPLIED WARRANTIES OF MERCHANTABILITY, FITNESS FOR A PARTICULAR PURPOSE OR NON-INFRINGEMENT OF THIRD PARTY INTELLECTUAL PROPERTY RIGHTS.

These resources are intended for skilled developers designing with TI products. You are solely responsible for (1) selecting the appropriate TI products for your application, (2) designing, validating and testing your application, and (3) ensuring your application meets applicable standards, and any other safety, security, or other requirements. These resources are subject to change without notice. TI grants you permission to use these resources only for development of an application that uses the TI products described in the resource. Other reproduction and display of these resources is prohibited. No license is granted to any other TI intellectual property right or to any third party intellectual property right. TI disclaims responsibility for, and you will fully indemnify TI and its representatives against, any claims, damages, costs, losses, and liabilities arising out of your use of these resources.

TI’s products are provided subject to TI’s Terms of Sale (www.ti.com/legal/termsofsale.html) or other applicable terms available either on ti.com or provided in conjunction with such TI products. TI’s provision of these resources does not expand or otherwise alter TI’s applicable warranties or warranty disclaimers for TI products.

Mailing Address: Texas Instruments, Post Office Box 655303, Dallas, Texas 75265 

Copyright © 2023, Texas Instruments Incorporated

Texas Instruments

© Copyright 1995-2025 Texas Instruments Incorporated. All rights reserved.
Submit documentation feedback | IMPORTANT NOTICE | Trademarks | Privacy policy | Cookie policy | Terms of use | Terms of sale