• Menu
  • Product
  • Email
  • PDF
  • Order now
  • Drive Unipolar Stepper Motors as Bipolar Stepper Motors with a Simple Wiring Reconfiguration

    • SSZT313 april   2020 DRV8436 , DRV8803 , DRV8804 , DRV8805 , DRV8806 , DRV8847 , DRV8955

       

  • CONTENTS
  • SEARCH
  • Drive Unipolar Stepper Motors as Bipolar Stepper Motors with a Simple Wiring Reconfiguration
  1.   1
  2.   2
    1.     3
  3. IMPORTANT NOTICE
search No matches found.
  • Full reading width
    • Full reading width
    • Comfortable reading width
    • Expanded reading width
  • Card for each section
  • Card with all content
Technical Article

Drive Unipolar Stepper Motors as Bipolar Stepper Motors with a Simple Wiring Reconfiguration

Dalton Ortega

Stepper motors come in many different varieties, but there are two main winding configurations for permanent magnet and hybrid stepper motors driven by two phases: unipolar and bipolar. The common wiring configuration for unipolar motors is six wires connected to the motor windings (A+, A-, B+ and B-) and a center tap on each phase connected to the motor voltage supply, Vm, as shown in Figure 1.

GUID-6F812DE3-288F-472A-ABCD-C7423171A8E3-low.jpg Figure 1 Six-wire unipolar stepper motor winding connections

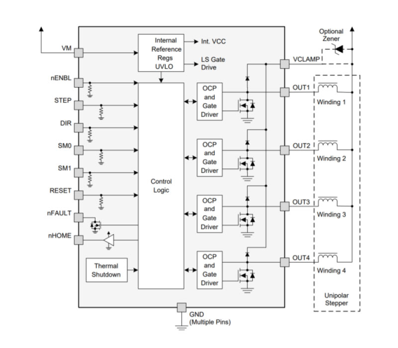
In this configuration, the motor commutates by switching each section of the motor windings on, meaning that current only needs to flow in one direction. This configuration makes drive circuitry somewhat simple to design, as you need only four low-side switches plus recirculating diodes to turn on each section of the windings. Figure 2 illustrates this configuration with the DRV8805, a 2.0-A unipolar stepper motor driver.

GUID-511D8FDA-733B-4627-8D78-434CDA23E15D-low.jpg Figure 2 The DRV8805 wiring when connected to a unipolar motor

The trade-off for design simplicity is that at any given moment, the motor is only using half of the windings, preventing full torque capability.

In contrast, bipolar stepper motors only have four wires connected to the motor windings, which are also labeled A+, A-, B+ and B-. As shown in Figure 3, bipolar stepper motors have no center Vm tap.

GUID-F4F61843-3C4A-4C85-9716-F652C91BCC27-low.jpg Figure 3 Four-wire bipolar stepper motor winding connections

Because of the lack of center taps, bipolar stepper motors need current to flow in both directions in the windings, and thus need more electronics to push and pull the current. It is now possible to turn on the full winding, resulting in higher available torque as opposed to the unipolar winding configuration.

With some minor reconfiguration of the winding connections, you can operate a unipolar stepper motor as a bipolar stepper motor. To do so with a six-wire unipolar motor, leave the center Vm taps in each phase disconnected and taped off with electric tape. As Figure 4 illustrates, this wiring configuration, also called bipolar series, now allows bidirectional (bipolar) current flow in the motor windings.

GUID-D77790C6-FD69-45ED-9072-7693E0D804A4-low.jpg Figure 4 Configuring unipolar stepper motor windings for driving as a bipolar series stepper motor

Some fundamental trade-offs do exist with this reconfiguration. A bipolar series configuration energizes the full winding, thus achieving higher torque at holding positions and at lower speeds compared to a unipolar stepper motor. This gives the bipolar series stepper motor higher overall inductance, however, and at higher speeds causes the effective torque to drop at a faster rate than that of a unipolar configuration (Figure 5).

GUID-2229EA47-BD8E-42E3-9CA1-9D3A3E123D7A-low.jpg Figure 5 A unipolar vs. bipolar series stepper motor torque/speed curve

This behavior is due to the inverse proportional relationship of output torque vs. speed and inductance, as expressed in Equation 1:

Equation 1. GUID-2A3B180C-291D-4C06-ADDB-83ED1B6B9BC1-low.png

where τ is the torque, Vm is the motor supply voltage, v is the motor speed and L is the motor inductance.

Many applications can use unipolar or bipolar stepper motors in their systems, including heating, ventilation and air-conditioning electronic expansion valves, ATM modules and printers. Using a bipolar stepper motor driver integrated circuit, regardless of stepper motor type, has advantages. You can:

  1. Reduce the time for board redesign between systems with different motor types,
  2. Source fewer components, and
  3. Offer a broader range of products and performance.

Stepper motor drivers like TI’s 20-V, 2.0-A DRV8847 and 50-V, 1.5-A DRV8436 provide the flexibility to drive both unipolar stepper motors and bipolar stepper motors. We also offer dedicated unipolar stepper drivers like the 2.0-A DRV8803, DRV8804, DRV8805, and DRV8806.

IMPORTANT NOTICE AND DISCLAIMER

TI PROVIDES TECHNICAL AND RELIABILITY DATA (INCLUDING DATASHEETS), DESIGN RESOURCES (INCLUDING REFERENCE DESIGNS), APPLICATION OR OTHER DESIGN ADVICE, WEB TOOLS, SAFETY INFORMATION, AND OTHER RESOURCES “AS IS” AND WITH ALL FAULTS, AND DISCLAIMS ALL WARRANTIES, EXPRESS AND IMPLIED, INCLUDING WITHOUT LIMITATION ANY IMPLIED WARRANTIES OF MERCHANTABILITY, FITNESS FOR A PARTICULAR PURPOSE OR NON-INFRINGEMENT OF THIRD PARTY INTELLECTUAL PROPERTY RIGHTS.

These resources are intended for skilled developers designing with TI products. You are solely responsible for (1) selecting the appropriate TI products for your application, (2) designing, validating and testing your application, and (3) ensuring your application meets applicable standards, and any other safety, security, or other requirements. These resources are subject to change without notice. TI grants you permission to use these resources only for development of an application that uses the TI products described in the resource. Other reproduction and display of these resources is prohibited. No license is granted to any other TI intellectual property right or to any third party intellectual property right. TI disclaims responsibility for, and you will fully indemnify TI and its representatives against, any claims, damages, costs, losses, and liabilities arising out of your use of these resources.

TI’s products are provided subject to TI’s Terms of Sale (www.ti.com/legal/termsofsale.html) or other applicable terms available either on ti.com or provided in conjunction with such TI products. TI’s provision of these resources does not expand or otherwise alter TI’s applicable warranties or warranty disclaimers for TI products.

Mailing Address: Texas Instruments, Post Office Box 655303, Dallas, Texas 75265 

Copyright © 2023, Texas Instruments Incorporated

Texas Instruments

© Copyright 1995-2025 Texas Instruments Incorporated. All rights reserved.
Submit documentation feedback | IMPORTANT NOTICE | Trademarks | Privacy policy | Cookie policy | Terms of use | Terms of sale