• Menu
  • Product
  • Email
  • PDF
  • Order now
  • Accelerate Your Electric Mask Design

    • SSZT282 july   2020 BQ21061 , BQ24040 , BQ2970 , BQ2971 , BQ2972 , BQ2973 , DRV10964 , MSP430FR2110 , MSP430FR2111 , TPS61023 , TPS7A02 , TPS7A03

       

  • CONTENTS
  • SEARCH
  • Accelerate Your Electric Mask Design
  1.   1
  2.   2
    1.     3
    2.     Lithium-ion battery-charging solution
    3.     Battery protection scheme
    4.     BLDC fan motor drive
    5.     MCU main control scheme
    6.     Power-rail scheme
  3. IMPORTANT NOTICE
search No matches found.
  • Full reading width
    • Full reading width
    • Comfortable reading width
    • Expanded reading width
  • Card for each section
  • Card with all content
Technical Article

Accelerate Your Electric Mask Design

Richard Wang

Wearing an electric mask, also known as an E-mask or digital mask, can increase your comfort level compared to disposable or N95 masks. An electric mask is similar to a central ventilation system: a fan inside the mask allows users to inhale the outside air, which enters the mask after being filtered through a filter element. This design helps combat breathing difficulties that come from wearing masks for a long time. At the same time, its circulation ventilation function helps reduce the amount of fogging that occurs when wearing a pair of glasses with a mask.

Table 1 compares different types of masks.

Table 1 Comparing disposable, N95 and electric masks
Mask type Pros Cons
Disposable medical mask
  • Low price.
  • Poor protective properties.
  • Cannot filter particulate matter (PM) 2.5 particles.
  • Disposable (environmental concern).
  • Ordinary air permeability.
N95 mask
  • Moderate price.
  • Excellent filtering performance (PM 2.5).
  • Good protective properties.
  • Reusable.
  • Poor air permeability (slightly better with a breathing valve).
Electric mask
  • Excellent filtering performance (PM 2.5).
  • Good protective properties.
  • Comfortable to wear, good air permeability, not wet and stuffy.
  • Reusable when replacing the filter screen.
  • Higher price.

TI provides a complete set of solutions for designing electric masks. Figure 1 is a system diagram of common electric masks.

GUID-7A8F3F60-0BEC-4D90-90AF-8D3093983BE8-low.jpg Figure 1 Electric mask system diagram

Lithium-ion battery-charging solution

Electric masks are usually powered by single string of small lithium-ion (Li-ion) batteries, which are charged through a USB interface. TI’s BQ24040 battery charger is a good fit for this kind of system configuration. Figure 2 illustrates a typical application block diagram using this device.

GUID-2FAEBAA5-6218-47A7-9EFA-03D4E508E28E-low.jpg Figure 2 BQ24040 block diagram

The BQ24040 is an easy to use, high-precision, high-current battery charger designed for space-constrained portable products. The input voltage range (up to 30 V) enables battery charging not only through USB but also various low-cost adapters without being damaged. Its performance specifications enable its use in smartwatches, wristbands, Bluetooth® headsets and electric masks.

The BQ24040 offers:

  • A maximum 1-A charging current to meet quick charging needs.
  • Charging current control as low as 10 mA.
  • A charging voltage accuracy of up to 1% in the full temperature range to significantly extend the battery’s lifespan.
  • An integrated battery temperature monitoring function.
  • Comprehensive safety protection performance.
  • Packaging as small as 2 mm by 2 mm.

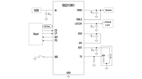
If you need an I2C-programmable Li-ion charger, consider the BQ21061, shown in Figure 3.

GUID-0011B1D3-90AD-4BE6-8626-318D407B2F4F-low.jpg Figure 3 BQ21061 block diagram

The BQ21061 is a highly programmable battery-management device that integrates a 500-mA linear charger for single-cell Li-ion batteries, a general-purpose low-dropout regulator (LDO) that is configurable as a load switch and a push-button controller. Through its I2C interface, the host may change charging parameters such as the battery regulation voltage and charge current, and obtain detailed device status and fault information. The push-button controller allows you to reset the system without any intervention from the host and wake up the device from ship mode. The BQ21061’s 10-nA ship mode extends battery life and supports immediate use of the battery.

Battery protection scheme

Improper use of a Li-ion battery can lead to safety risks; therefore, protecting the Li-ion battery is crucial to a product’s safety performance. The BQ2970 provides protection functions for single-string low-voltage Li-ion batteries and lithium-polymer batteries and monitors the external power metal-oxide semiconductor field-effect transistor (MOSFET) to provide protection in cases of high charge and discharge currents, including overcharge, overdischarge, overcurrent and short circuits. The current consumed in normal-mode operation is 4 µA, reducing the battery’s power consumption. The size is 1.5 mm by 1.5 mm by 0.75 mm, which is conducive to reducing the volume of the battery pack. Figure 4 shows a typical application block diagram for the BQ2970.

GUID-642F6D3F-22F4-483D-860D-80BA37999B4C-low.jpg Figure 4 BQ2970 reference schematic

BLDC fan motor drive

The good air permeability of an electric mask comes from its internal circulation fan. An efficient and silent DC brushless fan motor drive will directly affect the user experience with the mask. The DRV10964, shown in Figure 5, is a three-phase sensorless motor driver with an internally integrated power MOSFET. It is designed for motor-drive applications with high efficiency, low noise and few peripheral devices. A proprietary sensorless 180-degree sine control scheme provides ultra-silent motor-drive performance.

To ensure safe operation, the driver has an intelligent lock detection function, combined with other internal protection circuits. The DRV10964 is available in 10-pin ultra-thin small-outline no-lead packaging with high thermal efficiency, and has an exposed thermal pad.

GUID-EE35A642-1702-4F33-A43B-F38115F77A14-low.jpg Figure 5 DRV10964 reference schematic

The DRV10964 offers:

  • A 180-degree three-phase sine-wave drive without a Hall sensor, which can support a maximum 500-mA continuous working current.
  • Locked rotor, overcurrent, overvoltage, undervoltage and overheating protection functions.
  • Ultra-low static current as low as 15 µA.
  • Packaging as small as 3 mm by 3 mm.

MCU main control scheme

MSP430FR211x devices are part of the MSP430™ microcontroller (MCU) value line sensing portfolio. These ultra-low-power and low-cost MCUs offer up to 16MHz CPU frequency, memory sizes from 2KB to 3.75KB of FRAM unified memory and 1KB SRAM. FRAM technology combines the low-energy fast writes, flexibility and endurance of RAM with the nonvolatile behavior of Flash, allowing system engineers to increase performance while lowering power consumption.

The devices integrate an 8-channel 10-bit ADC, an enhanced comparator with 6-bit DAC, a 16-bit timer, a 16-bit RTC counter, an enhanced serial communication interface supporting UART/IrDA/SPI, and 12 GPIOs.  The package options including a TSSOP16 and a small 3-mm×3-mm VQFN24 which makes it a good fit for portable medical products.

GUID-B4985B8F-D2AE-45D2-A096-67E81F1DBE32-low.jpg Figure 6 Internal resources of the MSP430FR211x

Power-rail scheme

The system may need different power rails for an MCU or motor. To supply the MCU, an LDO can convert the battery power to 3.3 V. The TPS7A03 and TPS7A02 offers high performance with quiescent current as low as 200 nA and 25 nA respectively.

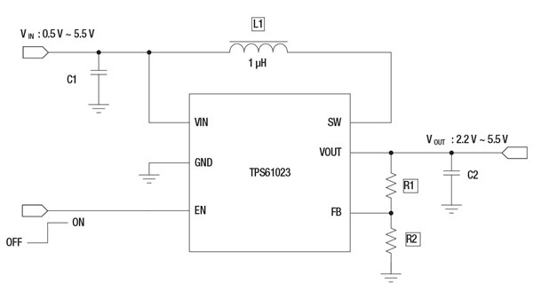
If the motor requires 5 V or higher to operate, you may need a boost converter to power the motor. The TPS61023 is a synchronous boost converter with a 0.5-V ultra-low input voltage. The device provides a power-supply solution for portable equipment and smart devices powered by various batteries and supercapacitors. It could support 7.5W (5V/1.5A) with 92% efficiency from single cell Li+ battery. And TPS61023 shutdown current is about 100nA, which is good for not always-on application and could extend battery run time. With an input voltage range of 0.5 V to 5.5 V, the TPS61023 supports supercapacitor backup power applications that may deeply discharge the supercapacitor. Figure 7 shows a typical application.

GUID-0C3FBD51-6F38-4BEB-87C2-17A8DDB5A712-low.jpg Figure 7 Typical application for the TPS61023

TI’s comprehensive products give engineers the resources they need to design electric mask products. Our reference designs and support resources can greatly shorten development time and accelerate time to market for electric masks.

IMPORTANT NOTICE AND DISCLAIMER

TI PROVIDES TECHNICAL AND RELIABILITY DATA (INCLUDING DATASHEETS), DESIGN RESOURCES (INCLUDING REFERENCE DESIGNS), APPLICATION OR OTHER DESIGN ADVICE, WEB TOOLS, SAFETY INFORMATION, AND OTHER RESOURCES “AS IS” AND WITH ALL FAULTS, AND DISCLAIMS ALL WARRANTIES, EXPRESS AND IMPLIED, INCLUDING WITHOUT LIMITATION ANY IMPLIED WARRANTIES OF MERCHANTABILITY, FITNESS FOR A PARTICULAR PURPOSE OR NON-INFRINGEMENT OF THIRD PARTY INTELLECTUAL PROPERTY RIGHTS.

These resources are intended for skilled developers designing with TI products. You are solely responsible for (1) selecting the appropriate TI products for your application, (2) designing, validating and testing your application, and (3) ensuring your application meets applicable standards, and any other safety, security, or other requirements. These resources are subject to change without notice. TI grants you permission to use these resources only for development of an application that uses the TI products described in the resource. Other reproduction and display of these resources is prohibited. No license is granted to any other TI intellectual property right or to any third party intellectual property right. TI disclaims responsibility for, and you will fully indemnify TI and its representatives against, any claims, damages, costs, losses, and liabilities arising out of your use of these resources.

TI’s products are provided subject to TI’s Terms of Sale (www.ti.com/legal/termsofsale.html) or other applicable terms available either on ti.com or provided in conjunction with such TI products. TI’s provision of these resources does not expand or otherwise alter TI’s applicable warranties or warranty disclaimers for TI products.

Mailing Address: Texas Instruments, Post Office Box 655303, Dallas, Texas 75265 

Copyright © 2023, Texas Instruments Incorporated

Texas Instruments

© Copyright 1995-2025 Texas Instruments Incorporated. All rights reserved.
Submit documentation feedback | IMPORTANT NOTICE | Trademarks | Privacy policy | Cookie policy | Terms of use | Terms of sale